LT5526

製造中

高直線性、低消費電力のダウンコンバーティング・ミキサ

利用上の注意

本データシートの英語以外の言語への翻訳はユーザの便宜のために提供されるものであり、リビジョンが古い場合があります。最新の内容については、必ず最新の英語版をご参照ください。

なお、日本語版のデータシートは基本的に「Rev.0」(リビジョン0)で作成されています。そのため、英語版が後に改訂され、複数製品のデータシートがひとつに統一された場合、同じ「Rev.0」の日本語版のデータシートが異なる製品のデータシートとして表示されることがあります。たとえば、「ADM3307E」の場合、日本語データシートをクリックすると「ADM3311E」が表示されます。これは、英語版のデータシートが複数の製品で共有できるように1本化され、「ADM3307E/ADM3310E/ADM3311E/ADM3312E/ADM3315E」(Rev.J)と改訂されたからで、決して誤ってリンクが張られているわけではありません。和文化されたデータシートを少しでも有効に活用していただくためにこのような方法をとっておりますので、ご了解ください。

アナログ・デバイセズ社は、提供する情報が正確で信頼できるものであることを期していますが、その情報の利用に関して、あるいはその利用によって生じる第三者の特許やその他の権利の侵害に関して一切の責任を負いません。また、アナログ・デバイセズ社の特許または特許の権利の使用を明示的または暗示的に許諾するものでもありません。仕様は予告なしに変更する場合があります。本紙記載の商標および登録商標は、各社の所有に属します。

Viewing:

製品情報

  • 最大2GHzまで動作
  • 広帯域RF、LO、IFの各動作
  • 高入力IP3:900MHzで+16.5dBm
  • 標準変換利得:900MHzで0.6dB
  • SSBノイズ・フィギュア:900MHzで11dB
  • 整合した50Ω LO内蔵
  • LOバッファ内蔵:-5dBmのドライブ・レベル
  • 高LO-RFおよびLO-IF絶縁
  • 低消費電流:28mA(標準)
  • イネーブル機能
  • 単一5V電源
  • 16ピンQFN(4mm×4mm)パッケージ

LT5526は、point-to-pointデータ伝送システム、ケーブル・インフラストラクチャ・システム、無線インフラストラクチャ・システムなどの高直線性アプリケーション向けに最適化された低消費電力広帯域ミキサです。このデバイスは、二重平衡アクティブ・ミキサのコアをドライブする、内部でマッチングされた高速LOアンプを内蔵しています。内蔵のRFバッファ・アンプにより、優れたLO-RF絶縁を提供します。RFポートとIFポートは広範囲の周波数で容易にマッチングできるので、様々なアプリケーションに使用できます。

LT5526はパッシブ・ミキサに対する高性能の代替デバイスです。変換損失を生じ高いLOドライブ・レベルを必要とするパッシブ・ミキサと異なり、かなり低いLO入力レベルで変換利得が得られ、LOパワー・レベルの変動に影響されにくくなっています。


アプリケーション

  • Point-to-Pointデータ通信システム
  • 無線インフラストラクチャ
  • ケーブル・ダウンリンク・インフラストラクチャ
  • 高直線性レシーバ・アプリケーション

LT5526
高直線性、低消費電力のダウンコンバーティング・ミキサ
High Signal Level Frequency Downconversion IF Output Power and IM3 vs RF Input Power (Two Input Tones) Product Package 1
myAnalogに追加

myAnalogの製品セクション(通知受け取り)、既存/新規プロジェクトに製品を追加する。

新規プロジェクトを作成
質問する
サポート

アナログ・デバイセズのサポート・ページはアナログ・デバイセズへのあらゆるご質問にお答えするワンストップ・ポータルです。


ドキュメント

データシート

これは最新改訂バージョンのデータシートです。

さらに詳しく
myAnalogに追加

myAnalogのリソース・セクション、既存/新規プロジェクトにメディアを追加する。

新規プロジェクトを作成

ソフトウェア・リソース

必要なソフトウェア/ドライバが見つかりませんか?

ドライバ/ソフトウェアをリクエスト

ハードウェア・エコシステム

製品モデル 製品ライフサイクル 詳細
フェーズ・ロック・ループ(PLL)シンセサイザ 1
LTC6946 製造中止 ノイズとスプリアスを極めて低く抑えたVCO内蔵の0.37GHz~5.7GHz整数分周方式シンセサイザ
Modal heading
myAnalogに追加

myAnalogの製品セクション(通知受け取り)、既存/新規プロジェクトに製品を追加する。

新規プロジェクトを作成

ツールおよびシミュレーション

ADIsimRF

ADIsimRFは使いやすいRFシグナル・チェーン計算ツールです。最大50段までのシグナル・チェーンについて、カスケード・ゲイン、ノイズ、歪み、消費電力を計算し、プロット、エクスポートが可能です。ADIsimRFには、アナログ・デバイセズのRFおよびミックスド・シグナル部品のデバイス・モデルの広範なデータ・ベースも含まれています。

ツールを開く

評価用キット

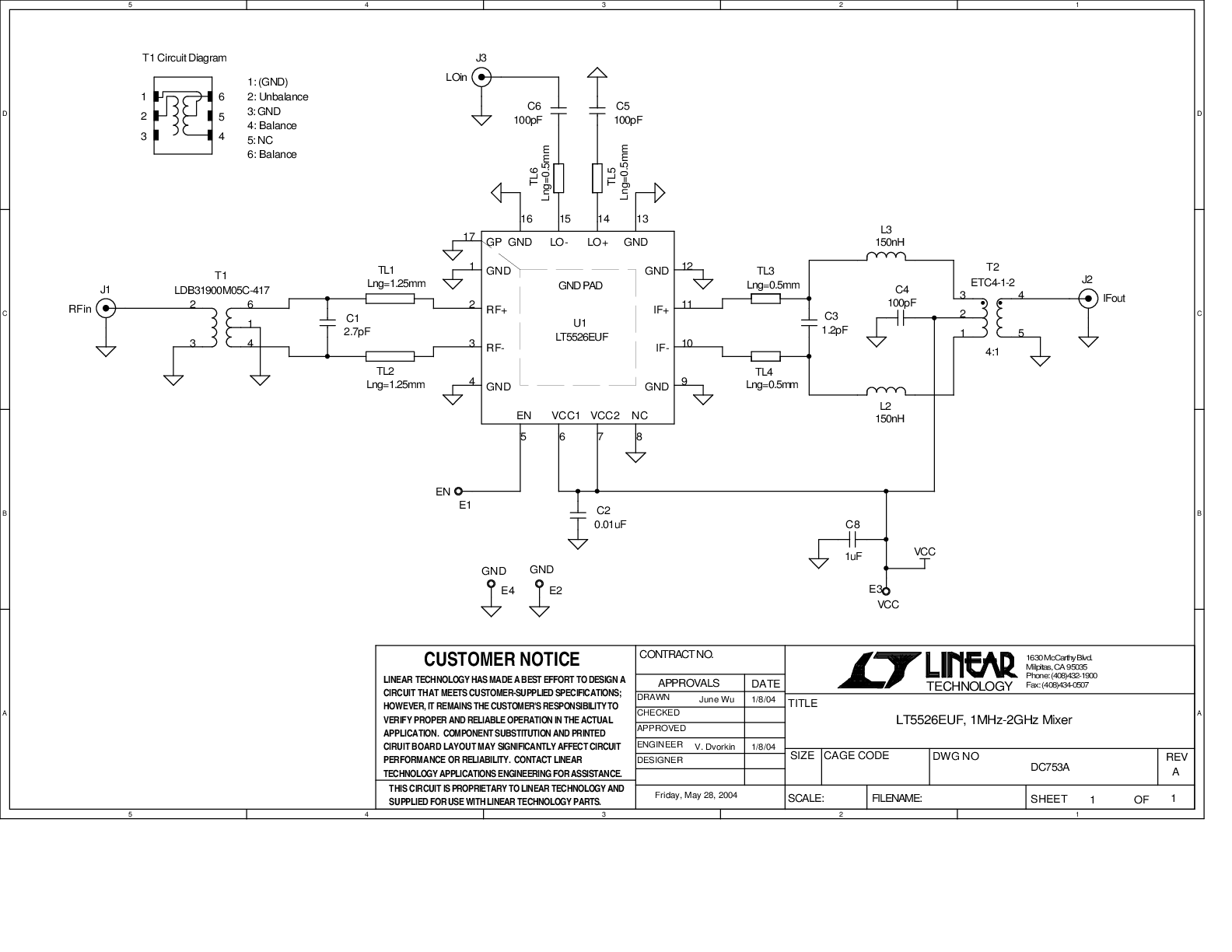
DC753A
LT5526EUF | 1MHz-2GHz Mixer
DC753A - Schematic

最新のディスカッション

最近表示した製品