製品概要
製品概要
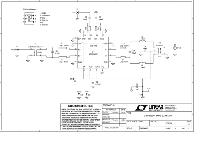
DC753A: Demo Board for the LT5526 High Linearity, Low Power Downconverting Mixer.
対象となる製品
関連資料
-
DC753A - Schematic2009/09/24PDF23K
-
DC753A - Demo Manual2009/09/24PDF119K
-
DC753A - Design File2009/09/24ZIP410K
