LT3782A

製造中

2フェーズ昇圧DC/DCコントローラ

利用上の注意

本データシートの英語以外の言語への翻訳はユーザの便宜のために提供されるものであり、リビジョンが古い場合があります。最新の内容については、必ず最新の英語版をご参照ください。

なお、日本語版のデータシートは基本的に「Rev.0」(リビジョン0)で作成されています。そのため、英語版が後に改訂され、複数製品のデータシートがひとつに統一された場合、同じ「Rev.0」の日本語版のデータシートが異なる製品のデータシートとして表示されることがあります。たとえば、「ADM3307E」の場合、日本語データシートをクリックすると「ADM3311E」が表示されます。これは、英語版のデータシートが複数の製品で共有できるように1本化され、「ADM3307E/ADM3310E/ADM3311E/ADM3312E/ADM3315E」(Rev.J)と改訂されたからで、決して誤ってリンクが張られているわけではありません。和文化されたデータシートを少しでも有効に活用していただくためにこのような方法をとっておりますので、ご了解ください。

アナログ・デバイセズ社は、提供する情報が正確で信頼できるものであることを期していますが、その情報の利用に関して、あるいはその利用によって生じる第三者の特許やその他の権利の侵害に関して一切の責任を負いません。また、アナログ・デバイセズ社の特許または特許の権利の使用を明示的または暗示的に許諾するものでもありません。仕様は予告なしに変更する場合があります。本紙記載の商標および登録商標は、各社の所有に属します。

Viewing:

製品情報

  • 2フェーズ動作により、必要な入出力容量を低減
  • プログラム可能なスイッチング周波数:150kHz~500kHz
  • 入力範囲:6V~40V
  • VCC ≥ 13Vで、10Vのゲートドライブ
  • 高電流ゲートドライブ(4A)
  • プログラム可能なソフトスタートと電流制限
  • プログラム可能なスロープ補償により、高いノイズ耐性を実現
  • 外付け同期ドライバ向けに立ち下がり遅延をプログラム可能なMOSFETゲート信号を供給
  • プログラム可能な低電圧ロックアウト
  • プログラム可能なデューティサイクル・クランプ(50%以上)
  • 熱特性が改善された28ピンTSSOPパッケージと4mm×5mm QFNパッケージ

LT3782Aは、電流モードの2相昇圧DC/DCコンバータ・コントローラです。スイッチング周波数が高く(最大500kHz)、2相動作なので、システムのフィルタ容量要件およびインダクタンス要件が緩和されます。

LT3782Aは、ゲート駆動電圧が10V(VCC ≥13V)でピーク駆動電流が4Aなので、ほとんどの産業用グレードの大出力MOSFETを高い効率で駆動できます。LT3782Aは、同期アプリケーションの場合、立ち下がり遅延をプログラム可能な同期ゲート信号を供給することにより、外付けMOSFETドライバ使用時の相互導通を回避できます。この他に、プログラム可能な低電圧ロックアウト、ソフトスタート、電流制限、デューティ・サイクル・クランプ(50%以上)、スロープ補償などの機能を内蔵しています。LT3782AはLT3782と同一ですが、LT3782Aの方が電流検出不整合の許容誤差が厳しい点だけが異なります。

LT3782Aは、熱特性が改善された28ピンTSSOPパッケージと4mm × 5mmのQFNパッケージで供給されます。


アプリケーション

  • 産業用機器
  • 通信機器のインフラ
  • インターリーブされた絶縁電源

LT3782A
2フェーズ昇圧DC/DCコントローラ
50V 4A Boost Converter Efficiency and Power Loss vs Load Current Product Package 1 Product Package 2
myAnalogに追加

myAnalogの製品セクション(通知受け取り)、既存/新規プロジェクトに製品を追加する。

新規プロジェクトを作成
質問する
サポート

アナログ・デバイセズのサポート・ページはアナログ・デバイセズへのあらゆるご質問にお答えするワンストップ・ポータルです。


ドキュメント

データシート

これは最新改訂バージョンのデータシートです。

さらに詳しく
myAnalogに追加

myAnalogのリソース・セクション、既存/新規プロジェクトにメディアを追加する。

新規プロジェクトを作成

ソフトウェア・リソース

必要なソフトウェア/ドライバが見つかりませんか?

ドライバ/ソフトウェアをリクエスト

ハードウェア・エコシステム

製品モデル 製品ライフサイクル 詳細
LTC3862 製造中 マルチフェーズ電流モード昇圧DC/DCコントローラ
Modal heading
myAnalogに追加

myAnalogの製品セクション(通知受け取り)、既存/新規プロジェクトに製品を追加する。

新規プロジェクトを作成

ツールおよびシミュレーション

LTspice


下記製品はLTspiceで使用することが出来ます。:

  • LT3782
  • LT3782A
LTspice

LTspice®は、無料で提供される強力で高速な回路シミュレータと回路図入力、波形ビューワに改善を加え、アナログ回路のシミュレーションを容易にするためのモデルを搭載しています。

 


評価用キット

eval board
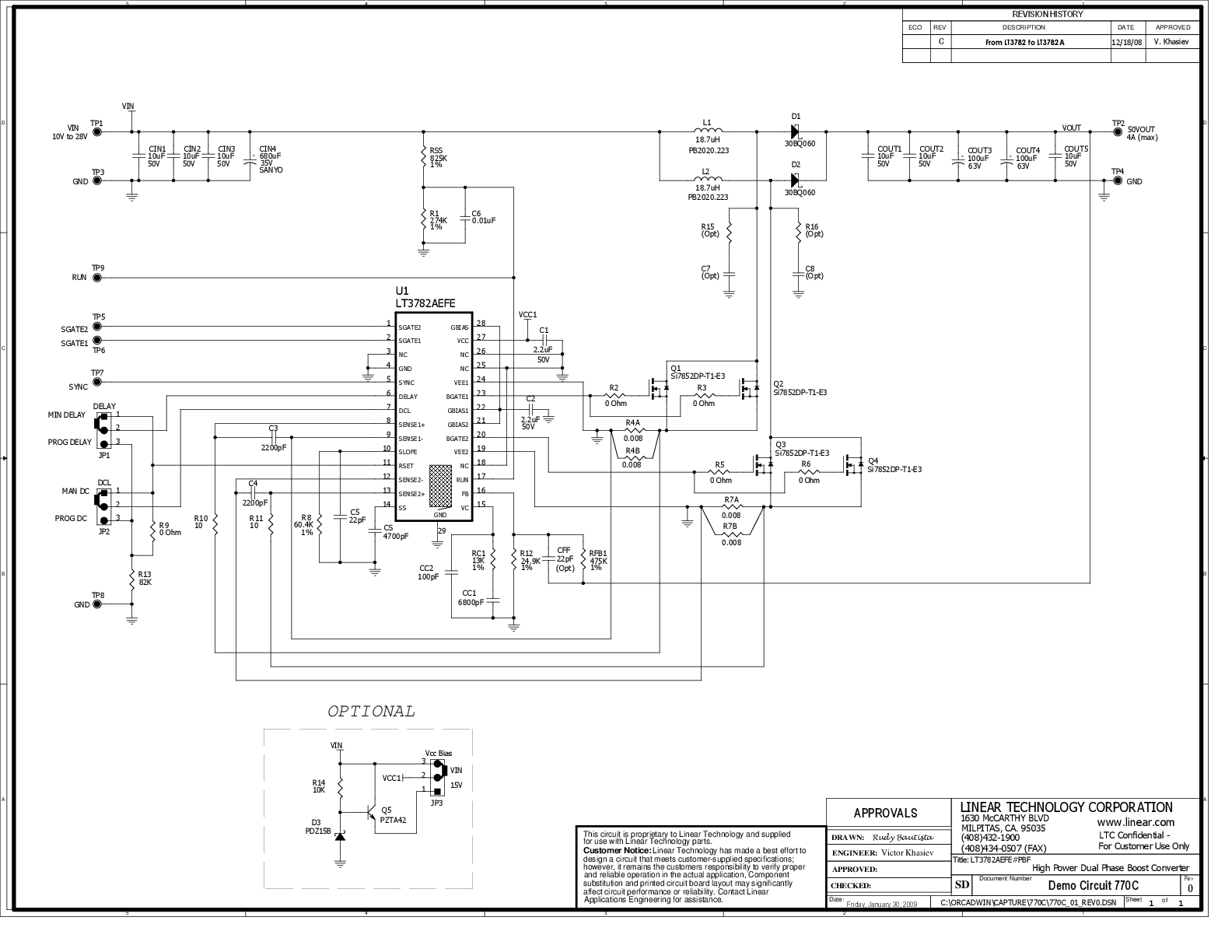
DC770C

LT3782AEFEデモ・ボード | 10V ≤ V入力 ≤ 28V、V出力​ = 50V @ 4A

製品詳細

デモ回路 DC770C は、固定周波数電流モード・ブースト・コントローラである LT3782A を使用した、2フェーズDC/DCブースト・コンバータです。DC770Cは10V〜28Vの入力で動作し、50Vの出力で4Aの出力電流を供給します。250kHz の固定周波数動作により、小型で効率的な回路が実現しています。

DC770C
LT3782AEFEデモ・ボード | 10V ≤ V入力 ≤ 28V、V出力​ = 50V @ 4A
DC770C-2 DC770C-4 DC770C-1 DC770C-6 DC770C-5 DC770C-3 DC770C - Schematic

最新のディスカッション

LT3782Aに関するディスカッションはまだありません。意見を投稿しますか?

EngineerZone®でディスカッションを始める

最近表示した製品