製品概要
製品概要
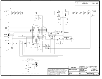
デモ回路 DC770C は、固定周波数電流モード・ブースト・コントローラである LT3782A を使用した、2フェーズDC/DCブースト・コンバータです。DC770Cは10V〜28Vの入力で動作し、50Vの出力で4Aの出力電流を供給します。250kHz の固定周波数動作により、小型で効率的な回路が実現しています。
対象となる製品
関連資料
-
DC770C - Schematic2009/09/24PDF80K
-
DC770C - Demo Manual2009/09/24PDF156K
-
DC770C - Design File2009/09/24ZIP2M






