LT1950

製造中

補助昇圧コンバータ付きシングル・スイッチPWMコントローラ

利用上の注意

本データシートの英語以外の言語への翻訳はユーザの便宜のために提供されるものであり、リビジョンが古い場合があります。最新の内容については、必ず最新の英語版をご参照ください。

なお、日本語版のデータシートは基本的に「Rev.0」(リビジョン0)で作成されています。そのため、英語版が後に改訂され、複数製品のデータシートがひとつに統一された場合、同じ「Rev.0」の日本語版のデータシートが異なる製品のデータシートとして表示されることがあります。たとえば、「ADM3307E」の場合、日本語データシートをクリックすると「ADM3311E」が表示されます。これは、英語版のデータシートが複数の製品で共有できるように1本化され、「ADM3307E/ADM3310E/ADM3311E/ADM3312E/ADM3315E」(Rev.J)と改訂されたからで、決して誤ってリンクが張られているわけではありません。和文化されたデータシートを少しでも有効に活用していただくためにこのような方法をとっておりますので、ご了解ください。

アナログ・デバイセズ社は、提供する情報が正確で信頼できるものであることを期していますが、その情報の利用に関して、あるいはその利用によって生じる第三者の特許やその他の権利の侵害に関して一切の責任を負いません。また、アナログ・デバイセズ社の特許または特許の権利の使用を明示的または暗示的に許諾するものでもありません。仕様は予告なしに変更する場合があります。本紙記載の商標および登録商標は、各社の所有に属します。

Viewing:

製品情報

  • 広い入力電圧範囲:3V~25V
  • プログラム可能なVolt-Secondクランプ
  • 出力電力レベル:25W~500W
  • 補助昇圧コンバータが3Vという低いVINから10Vのゲート・ドライブを供給
  • 1本の外付け抵抗でプログラム可能な動作周波数:100kHz~500kHz
  • プログラム可能なスロープ補償
  • プログラム可能なリーディング・エッジ・ブランキング
  • ±2%精度の1.23Vリファレンスを内蔵
  • ヒステリシスをプログラム可能な高精度のシャットダウン・ピン・スレッショルド
  • 60nsの電流検知遅延
  • 2.5Vの補助リファレンス出力
  • 最大1.5・fOSCの外部クロックに同期可能
  • 電流モード制御
  • 小型16ピンSSOPパッケージ

LT1950は、外付け部品をほとんど必要とせずにNチャネル・パワーMOSFETをドライブする、広入力範囲のフォワード、昇圧、フライバックおよびSEPICコントローラです。

抵抗でプログラム可能なデューティ・サイクル・クランプを使用して、フォワード・コンバータ・アプリケーション向けにvolt-secondクランプを生成することができます。また、内蔵の昇圧スイッチャを使用して出力ゲート・ドライバ用の別電源を構築できるので、3Vという低い入力電圧から10Vのゲート・ドライブを供給できます。外付け抵抗を使用して100kHz~500kHzの動作周波数を設定できますが、SYNCピンによって外部クロックに同期させることも可能です。また、リーディング・エッジ・ブランキングとスロープ補償もプログラム可能です。

高速電流センス・コンパレータによって60nsの電流検知遅延を達成するうえに、エラー・アンプは真の電流モード・エラー・アンプなので、広範囲の補償ネットワークが可能です。また、ヒステリシスをプログラム可能な高精度シャットダウン・ピンを使用して、低電圧ロックアウトやシャットダウンが可能です。LT1950は小型の16ピンSSOPパッケージで供給されます。


アプリケーション

  • テレコム電源
  • 車載電源
  • 携帯用電子機器
  • 絶縁および非絶縁DC/DCコンバータ

LT1950
補助昇圧コンバータ付きシングル・スイッチPWMコントローラ
36V to 72V DC to 26V/5A (Single Switch) Forward Converter Efficiency vs Load Current Product Package 1
myAnalogに追加

myAnalogの製品セクション(通知受け取り)、既存/新規プロジェクトに製品を追加する。

新規プロジェクトを作成
質問する
サポート

アナログ・デバイセズのサポート・ページはアナログ・デバイセズへのあらゆるご質問にお答えするワンストップ・ポータルです。


ドキュメント

データシート 1

信頼性データ 1

ユーザ・ガイド 1

データシート

これは最新改訂バージョンのデータシートです。

さらに詳しく
myAnalogに追加

myAnalogのリソース・セクション、既存/新規プロジェクトにメディアを追加する。

新規プロジェクトを作成

ソフトウェア・リソース

必要なソフトウェア/ドライバが見つかりませんか?

ドライバ/ソフトウェアをリクエスト

ツールおよびシミュレーション

LTspice


下記製品はLTspiceで使用することが出来ます。:

  • LT1950
LTspice

LTspice®は、無料で提供される強力で高速な回路シミュレータと回路図入力、波形ビューワに改善を加え、アナログ回路のシミュレーションを容易にするためのモデルを搭載しています。

 


評価用キット

eval board
DC442A

LT1950EGN | Telecom High Efficiency, 36V to 72V Input, 3.3V @ 25A Output, Isolated DC/DC Converter

製品詳細

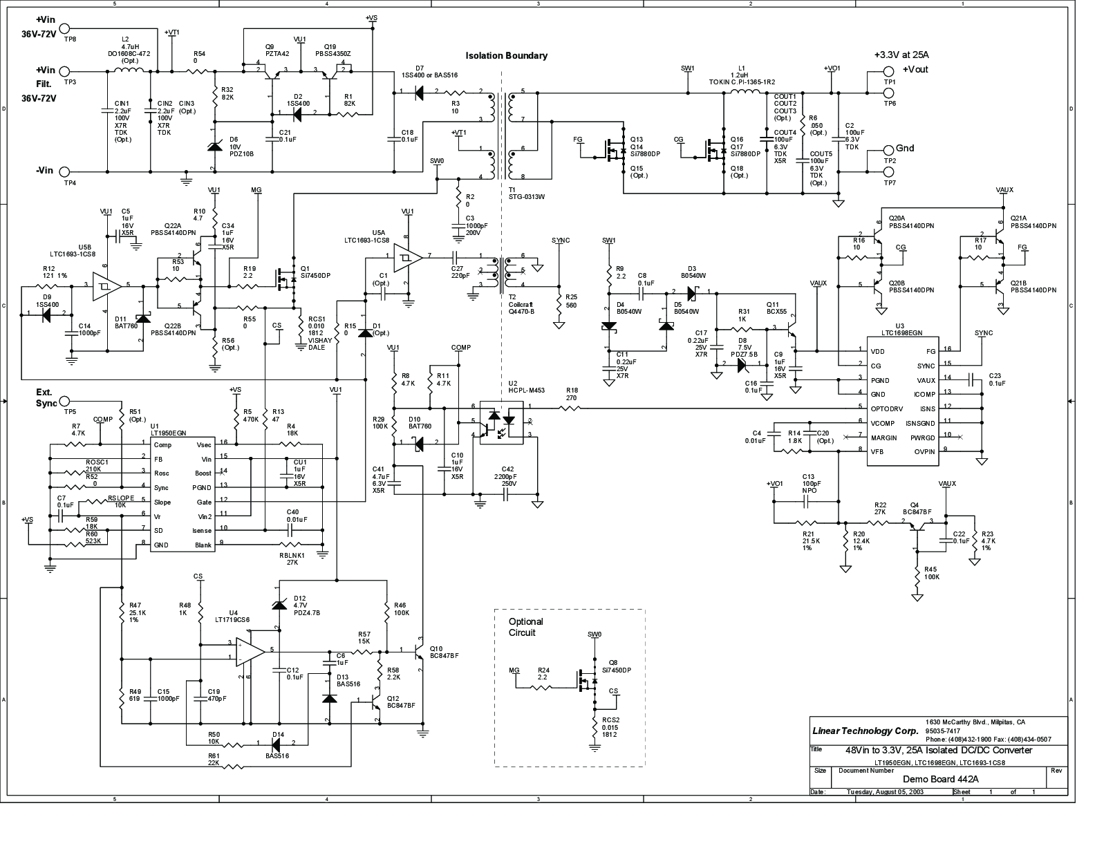
DC442A: Demo Board for the LT1950 Single Switch PWM Controller with Auxiliary Boost Converter.

DC442A
LT1950EGN | Telecom High Efficiency, 36V to 72V Input, 3.3V @ 25A Output, Isolated DC/DC Converter
DC442A - Schematic

最新のディスカッション

最近表示した製品