製品概要
製品概要
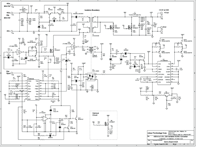
DC442A: Demo Board for the LT1950 Single Switch PWM Controller with Auxiliary Boost Converter.
対象となる製品
関連資料
-
DC442A - Schematic2009/09/24PDF100K
-
DC442A - Demo Manual2009/09/24PDF287K
-
DC442A - Design File2009/09/24ZIP1M
