HMC914

最終販売

リミット・アンプ、12.5Gbps、SMT、信号喪失検出機能内蔵

利用上の注意

本データシートの英語以外の言語への翻訳はユーザの便宜のために提供されるものであり、リビジョンが古い場合があります。最新の内容については、必ず最新の英語版をご参照ください。

なお、日本語版のデータシートは基本的に「Rev.0」(リビジョン0)で作成されています。そのため、英語版が後に改訂され、複数製品のデータシートがひとつに統一された場合、同じ「Rev.0」の日本語版のデータシートが異なる製品のデータシートとして表示されることがあります。たとえば、「ADM3307E」の場合、日本語データシートをクリックすると「ADM3311E」が表示されます。これは、英語版のデータシートが複数の製品で共有できるように1本化され、「ADM3307E/ADM3310E/ADM3311E/ADM3312E/ADM3315E」(Rev.J)と改訂されたからで、決して誤ってリンクが張られているわけではありません。和文化されたデータシートを少しでも有効に活用していただくためにこのような方法をとっておりますので、ご了解ください。

アナログ・デバイセズ社は、提供する情報が正確で信頼できるものであることを期していますが、その情報の利用に関して、あるいはその利用によって生じる第三者の特許やその他の権利の侵害に関して一切の責任を負いません。また、アナログ・デバイセズ社の特許または特許の権利の使用を明示的または暗示的に許諾するものでもありません。仕様は予告なしに変更する場合があります。本紙記載の商標および登録商標は、各社の所有に属します。

Viewing:

製品情報

  • 最大12.5Gbpsのデータレートに対応
  • 差動小信号ゲイン:32dB
  • プログラマブル信号喪失検出(LOS)
  • 自動出力ディスエーブル・モード
  • 調整可能な差動飽和O/P電圧スイング:最大750mV
  • 内蔵DCオフセット補正
  • 受信信号強度指示(RSSI)出力
  • 24ピン4×4mm SMTパッケージ:16mm2

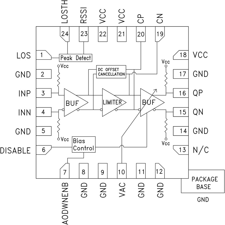
HMC914LP4Eは、最大12.5Gbpsのデータ伝送速度に対応するリミット・アンプです。このアンプは広範な入力電圧レベルで使用でき、一定レベルの差動出力スイングを提供します。信号喪失(LOS)指示出力があり、その入力信号しきい値レベルはLOSTHピンを使って調整できます。また、出力レベル制御ピンVACによって損失補償や出力信号レベルを最適化できます。差動出力信号スイングは最大750mVp-pまで調整可能です。DCオフセット補償機能も内蔵しています。HMC914LP4Eは、入力信号振幅に比例したアナログRSSI電圧を出力します。 

すべてのシングルエンド入力信号は50Ωで+3.3Vにオンチップ終端され、ACまたはDCカップルされます。出力は、差動またはシングルエンドの動作が可能です。HMC914LP4Eは+3.3VのDC単電源で動作し、プラスチック製のRoHS準拠4×4mm SMTパッケージを採用しています。 

アプリケーション

  • SONET/SDHベースの送信システム
  • OC-192光ファイバ・モジュール
  • 10ギガビットEthernet
  • 8×および10×ファイバ・チャンネル
  • 広帯域RFゲイン・ブロック

HMC914
リミット・アンプ、12.5Gbps、SMT、信号喪失検出機能内蔵
HMC914 Functional Block Diagram
myAnalogに追加

myAnalogの製品セクション(通知受け取り)、既存/新規プロジェクトに製品を追加する。

新規プロジェクトを作成
質問する
サポート

アナログ・デバイセズのサポート・ページはアナログ・デバイセズへのあらゆるご質問にお答えするワンストップ・ポータルです。


ドキュメント

データシート 1

データシート

これは最新改訂バージョンのデータシートです。

さらに詳しく
myAnalogに追加

myAnalogのリソース・セクション、既存/新規プロジェクトにメディアを追加する。

新規プロジェクトを作成

評価用キット

EVAL-HMC914LP4E
HMC914LP4E Evaluation Board

最新のディスカッション

最近表示した製品