HMC869

製造中止

I/Q Receiver SMT, 12 - 16 GHz

Viewing:

製品情報

  • Conversion Gain: 14 dB
  • Image Rejection: 32 dB
  • LO to RF Isolation: 45 dB
  • Noise Figure: 2.8 dB
  • Input IP3: -1 dBm
  • 32 Lead 5x5mm SMT Package: 25mm²

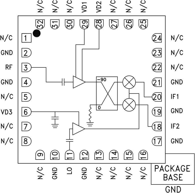
The HMC869LC5 is a GaAs MCM I/Q downconverter in a leadless RoHS compliant SMT package. This device provides a small signal conversion gain of 14 dB with a noise figure of 2.8 dB and 32 dB of image rejection. The HMC869LC5 utilizes an LNA followed by an image reject mixer which is driven by an LO buffer amplifier. The image reject mixer eliminates the need for a filter following the LNA, and removes thermal noise at the image frequency. I and Q mixer outputs are provided and an external 90° hybrid is needed to select the required sideband. The HMC869LC5 is a much smaller alternative to hybrid style image reject mixer downconverter assemblies, and it eliminates the need for wire bonding by allowing the use of surface mount manufacturing techniques.

Applications

  • Point-to-Point and Point-to-Multi-Point Radio
  • Military Radar, EW & ELINT
  • Satellite Communications

推奨代替製品

HMC1113 新規設計に推奨

GaAs MMIC I/Q ダウンコンバータ、10 GHz ~ 16 GHz

HMC869
I/Q Receiver SMT, 12 - 16 GHz
hmc869lc5_fbl
myAnalogに追加

myAnalogの製品セクション(通知受け取り)、既存/新規プロジェクトに製品を追加する。

新規プロジェクトを作成
質問する
サポート

アナログ・デバイセズのサポート・ページはアナログ・デバイセズへのあらゆるご質問にお答えするワンストップ・ポータルです。


ドキュメント

製造中止品のデータシート 1

データシート

これは最新改訂バージョンのデータシートです。

さらに詳しく
myAnalogに追加

myAnalogのリソース・セクション、既存/新規プロジェクトにメディアを追加する。

新規プロジェクトを作成

ソフトウェア・リソース

必要なソフトウェア/ドライバが見つかりませんか?

ドライバ/ソフトウェアをリクエスト

ハードウェア・エコシステム

製品モデル 製品ライフサイクル 詳細
HMC1113 新規設計に推奨 GaAs MMIC I/Q ダウンコンバータ、10 GHz ~ 16 GHz
Modal heading
myAnalogに追加

myAnalogの製品セクション(通知受け取り)、既存/新規プロジェクトに製品を追加する。

新規プロジェクトを作成

最新のディスカッション

最近表示した製品