HMC858

新規設計に推奨

差動セレクタ、14Gbps、2:1、SMT、プログラマブル出力電圧

利用上の注意

本データシートの英語以外の言語への翻訳はユーザの便宜のために提供されるものであり、リビジョンが古い場合があります。最新の内容については、必ず最新の英語版をご参照ください。

なお、日本語版のデータシートは基本的に「Rev.0」(リビジョン0)で作成されています。そのため、英語版が後に改訂され、複数製品のデータシートがひとつに統一された場合、同じ「Rev.0」の日本語版のデータシートが異なる製品のデータシートとして表示されることがあります。たとえば、「ADM3307E」の場合、日本語データシートをクリックすると「ADM3311E」が表示されます。これは、英語版のデータシートが複数の製品で共有できるように1本化され、「ADM3307E/ADM3310E/ADM3311E/ADM3312E/ADM3315E」(Rev.J)と改訂されたからで、決して誤ってリンクが張られているわけではありません。和文化されたデータシートを少しでも有効に活用していただくためにこのような方法をとっておりますので、ご了解ください。

アナログ・デバイセズ社は、提供する情報が正確で信頼できるものであることを期していますが、その情報の利用に関して、あるいはその利用によって生じる第三者の特許やその他の権利の侵害に関して一切の責任を負いません。また、アナログ・デバイセズ社の特許または特許の権利の使用を明示的または暗示的に許諾するものでもありません。仕様は予告なしに変更する場合があります。本紙記載の商標および登録商標は、各社の所有に属します。

Viewing:

製品情報

  • シングルエンド入力
  • シングルエンドまたは差動出力
  • 短い立上がり時間と立下がり時間:19 / 20ps
  • 低消費電力:221mW(代表値)
  • プログラム可能な差動出力電圧スイング:500~1300mV
  • 伝播遅延:87ps
  • 単電源:−3.3V
  • 24ピン4×4mm SMTパッケージ:16mm2


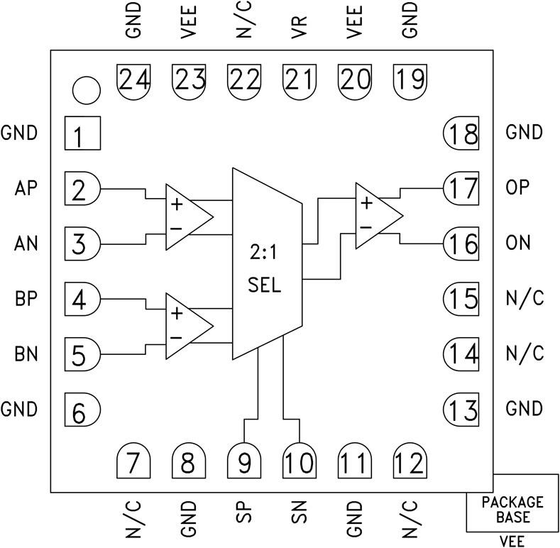
HMC858LC4Bは、最大14Gbpsのデータ伝送速度と最大14GHzのセレクタ・ポート動作に対応する2:1セレクタです。適切に選択されたポートがアサートされた時点で、2つのシングルエンド入力のうちの一方を差動出力へルートします。出力レベル制御ピンVRによって損失補償や信号レベルの最適化も可能です。 

HMC858LC4Bのすべての差動入力信号は、50Ωでグラウンドに終端されてACまたはDCカップルされます。HMC858LC4Bの出力は、差動またはシングルエンドで動作します。出力は50Ω終端システムに直接接続できますが、非接地DC電圧に対する50Ωの終端システムの場合はDCブロッキング・コンデンサを使用できます。HMC858LC4Bは−3.3VのDC単電源で動作し、セラミック製のRoHS準拠4x4mm SMTパッケージを採用しています。 

アプリケーション

  • 最大14Gbpsの2:1マルチプレクサ
  • 16Gファイバ・チャンネル
  • 最大14Gbpsのシリアルデータ伝送
  • 冗長パスのスイッチング
  • 組込みテスト
  • 広帯域試験&測定

HMC858
差動セレクタ、14Gbps、2:1、SMT、プログラマブル出力電圧
HMC858 Functional Block Diagram
myAnalogに追加

myAnalogの製品セクション(通知受け取り)、既存/新規プロジェクトに製品を追加する。

新規プロジェクトを作成
質問する
サポート

アナログ・デバイセズのサポート・ページはアナログ・デバイセズへのあらゆるご質問にお答えするワンストップ・ポータルです。


ドキュメント

データシート 1

秘密保持契約(NDA)をリクエスト

データシートに関する追加・詳細情報は RFMG-hsl@analog.com へ英語でお問い合わせください。

データシート

これは最新改訂バージョンのデータシートです。

さらに詳しく
myAnalogに追加

myAnalogのリソース・セクション、既存/新規プロジェクトにメディアを追加する。

新規プロジェクトを作成

評価用キット

EVAL-HMC858LC4B
HMC858LC4B Evaluation Board

最新のディスカッション

最近表示した製品