HMC853

新規設計に推奨

フリップフロップ、28Gbps、Dタイプ、プログラマブル出力電圧

利用上の注意

本データシートの英語以外の言語への翻訳はユーザの便宜のために提供されるものであり、リビジョンが古い場合があります。最新の内容については、必ず最新の英語版をご参照ください。

なお、日本語版のデータシートは基本的に「Rev.0」(リビジョン0)で作成されています。そのため、英語版が後に改訂され、複数製品のデータシートがひとつに統一された場合、同じ「Rev.0」の日本語版のデータシートが異なる製品のデータシートとして表示されることがあります。たとえば、「ADM3307E」の場合、日本語データシートをクリックすると「ADM3311E」が表示されます。これは、英語版のデータシートが複数の製品で共有できるように1本化され、「ADM3307E/ADM3310E/ADM3311E/ADM3312E/ADM3315E」(Rev.J)と改訂されたからで、決して誤ってリンクが張られているわけではありません。和文化されたデータシートを少しでも有効に活用していただくためにこのような方法をとっておりますので、ご了解ください。

アナログ・デバイセズ社は、提供する情報が正確で信頼できるものであることを期していますが、その情報の利用に関して、あるいはその利用によって生じる第三者の特許やその他の権利の侵害に関して一切の責任を負いません。また、アナログ・デバイセズ社の特許または特許の権利の使用を明示的または暗示的に許諾するものでもありません。仕様は予告なしに変更する場合があります。本紙記載の商標および登録商標は、各社の所有に属します。

Viewing:

製品情報

  • 差動およびシングルエンド動作
  • 短い立上がり時間と立下がり時間:15/14ps
  • 低消費電力:240mW(代表値)
  • プログラム可能な差動出力電圧スイング:700~1300mV
  • 単電源:−3.3V
  • 16ピン・セラミック3×3mm SMTパッケージ:9mm2


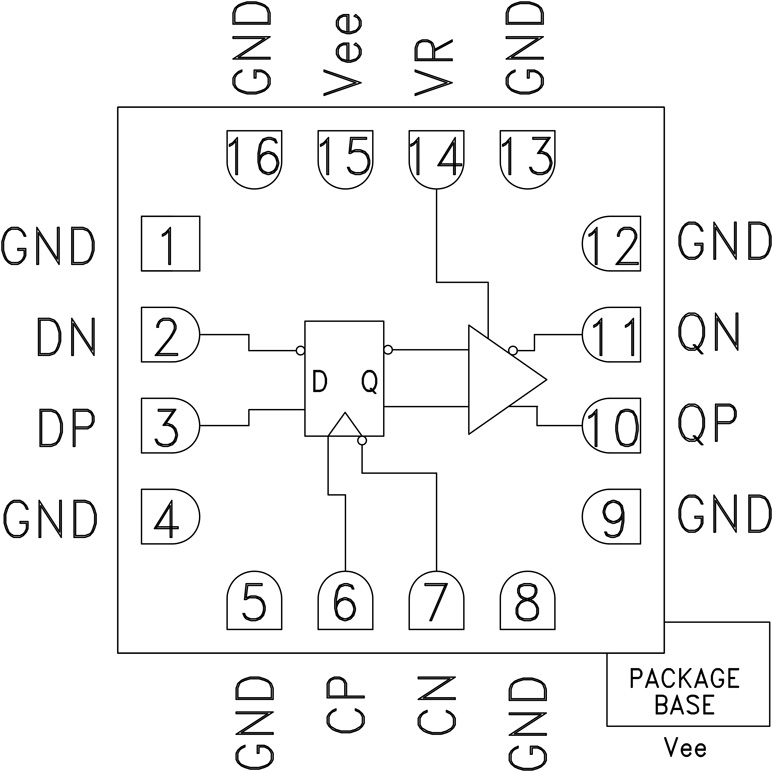
HMC853LC3は、最大28Gbpsのデータ転送速度と28GHzのクロック周波数に対応するDタイプのフリップフロップです。通常動作時は、クロックの立上がりエッジでデータが出力へ転送されます。クロック入力を反転させると、立下がりエッジでトリガするアプリケーションに利用できます。 

HMC853LC3へのすべての差動入力はCMLで、50Ω抵抗により正電源Vccにオンチップで終端され、ACまたはDCカップルされます。差動CML出力は50Ωにソース終端され、やはりACまたはDCカップルされます。出力は50Ω Vcc終端システムに直接接続できますが、グラウンドに対する50Ωの終端システムの場合は、DCブロッキング・コンデンサを使用できます。出力レベル制御ピンVRによって損失補償や信号レベルの最適化も可能です。HMC853LC3は3.3Vの単電源で動作し、RoHS準拠の3x3mm SMTパッケージを採用しています。 

アプリケーション

  • RF ATEアプリケーション
  • 広帯域試験&測定
  • 最大28Gbpsのシリアルデータ伝送
  • 最大28GHzのデジタル・ロジック・システム

HMC853
フリップフロップ、28Gbps、Dタイプ、プログラマブル出力電圧
HMC853 Functional Block Diagram
myAnalogに追加

myAnalogの製品セクション(通知受け取り)、既存/新規プロジェクトに製品を追加する。

新規プロジェクトを作成
質問する
サポート

アナログ・デバイセズのサポート・ページはアナログ・デバイセズへのあらゆるご質問にお答えするワンストップ・ポータルです。


ドキュメント

データシート 1

データシート

これは最新改訂バージョンのデータシートです。

さらに詳しく
myAnalogに追加

myAnalogのリソース・セクション、既存/新規プロジェクトにメディアを追加する。

新規プロジェクトを作成

ツールおよびシミュレーション

IBISモデル 1


評価用キット

EVAL-HMC853LC3
HMC853LC3 Evaluation Board

最新のディスカッション

最近表示した製品