HMC722LP3E

製造中

出力電圧を設定可能で短い立上がり時間の 13 Gbps AND/NAND/OR/NOR ゲート

利用上の注意

本データシートの英語以外の言語への翻訳はユーザの便宜のために提供されるものであり、リビジョンが古い場合があります。最新の内容については、必ず最新の英語版をご参照ください。

なお、日本語版のデータシートは基本的に「Rev.0」(リビジョン0)で作成されています。そのため、英語版が後に改訂され、複数製品のデータシートがひとつに統一された場合、同じ「Rev.0」の日本語版のデータシートが異なる製品のデータシートとして表示されることがあります。たとえば、「ADM3307E」の場合、日本語データシートをクリックすると「ADM3311E」が表示されます。これは、英語版のデータシートが複数の製品で共有できるように1本化され、「ADM3307E/ADM3310E/ADM3311E/ADM3312E/ADM3315E」(Rev.J)と改訂されたからで、決して誤ってリンクが張られているわけではありません。和文化されたデータシートを少しでも有効に活用していただくためにこのような方法をとっておりますので、ご了解ください。

アナログ・デバイセズ社は、提供する情報が正確で信頼できるものであることを期していますが、その情報の利用に関して、あるいはその利用によって生じる第三者の特許やその他の権利の侵害に関して一切の責任を負いません。また、アナログ・デバイセズ社の特許または特許の権利の使用を明示的または暗示的に許諾するものでもありません。仕様は予告なしに変更する場合があります。本紙記載の商標および登録商標は、各社の所有に属します。

Viewing:

製品情報

  • 高データ・レートに対応: 最大 13 Gbps
  • 差動およびシングルエンドの動作
  • 伝搬遅延: 95 ps
  • 短い立上がり/立下がり時間: 19/18 ps
  • 設定可能な差動出力電圧振幅: 600 mV ~ 1100 mV
  • 低消費電力: 230 mW(代表値)
  • 単電源: -3.3 V 
  • 16 ピン 3 mm x 3 mm SMT パッケージ: 9 mm²

HMC722LP3E は、最大 13 Gbps のデータ伝送レートと最大 13 GHz のクロック周波数に対応するように設計された AND/NAND/OR/NOR ゲートです。HMC772LP3E は、AND、NAND、OR、NOR の任意のロジック機能を実現するように容易に構成できます。HMC722LP3E は出力レベル制御ピン VR も備えており、損失補償や信号レベルの最適化が可能です。

HMC722LP3E への全ての入力信号は 50 Ω でグラウンドに内部終端されており、AC 結合または DC 結合が可能です。HMC722LP3E の差動出力は AC 結合または DC 結合が可能です。出力はグラウンドへの 50 Ω 終端システムに直接接続できますが、グラウンドと異なる DC 電圧に 50 Ω 終端されたシステムの場合にはDC 阻止コンデンサを使用することができます。HMC722LP3E は -3.3 V DC 単電源で動作し、RoHS 準拠の 3 mm x 3 mm SMT パッケージを採用しています。

アプリケーション

  • RF ATE アプリケーション
  • 広帯域試験および測定
  • 最大 13 Gbps のシリアル・データ伝送
  • 最大 13 GHz のデジタル・ロジック・システム
  • NRZ-RZ 変換

HMC722LP3E
出力電圧を設定可能で短い立上がり時間の 13 Gbps AND/NAND/OR/NOR ゲート
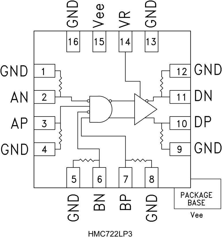
HMC722LP3 Functional Block Diagram
myAnalogに追加

myAnalogの製品セクション(通知受け取り)、既存/新規プロジェクトに製品を追加する。

新規プロジェクトを作成
質問する
サポート

アナログ・デバイセズのサポート・ページはアナログ・デバイセズへのあらゆるご質問にお答えするワンストップ・ポータルです。


ドキュメント

データシート 1

データシート

これは最新改訂バージョンのデータシートです。

さらに詳しく
myAnalogに追加

myAnalogのリソース・セクション、既存/新規プロジェクトにメディアを追加する。

新規プロジェクトを作成

ツールおよびシミュレーション

IBISモデル 1


評価用キット

EVAL-HMC722LP3E
HMC722LP3E Evaluation Board

最新のディスカッション

HMC722LP3Eに関するディスカッションはまだありません。意見を投稿しますか?

EngineerZone®でディスカッションを始める

最近表示した製品