HMC1048
製造中止Double Balanced Mixer SMT, 2 - 18 GHz
Please revert product page generic from ADH1048S to HMC1048.
- 製品モデル
- 3
- 1Ku当たりの価格
- 価格は未定
製品情報
- Passive: No DC bias required
- High input IP3: 23 dBm
- LO/RF isolation: 38 dB
- LO/IF isolation: 28 dB
- RF/IF isolation: 15 dB
- IF bandwidth: DC - 4 GHz
- Downconverter applications
- 12-lead ceramic 3x3 mm SMT package: 9 mm²
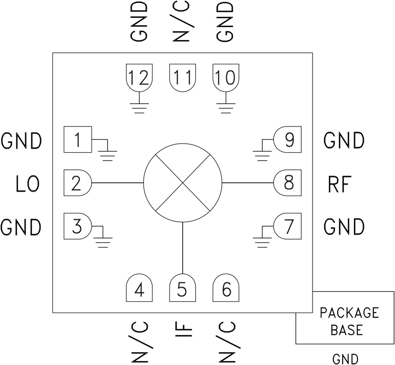
The HMC1048LC3B is a general purpose double balanced mixer that can be used as a downconverter with DC to 4 GHz at the IF port and 2 to 18 GHz at the RF port. This mixer requires no external components or matching circuitry. The HMC1048LC3B provides excellent LO/RF, LO/IF and RF/IF isolation The mixer operates with LO drive levels from +9 dBm to +17 dBm. The HMC1048LC3B eliminates the need for wire bonding and allows the use of surface mount manufacturing techniques.
Applications
- Filtering LO Harmonics to
Reduce Modulator Sideband
Rejection & Demodulator
Image Rejection - Amplifier Harmonic Filtering
- RF Filtering
ドキュメント
技術記事 1
製造中止品のデータシート 1
品質関連資料 2
| 製品モデル | ピン/パッケージ図 | 資料 | CADシンボル、フットプリント、および3Dモデル |
|---|---|---|---|
| HMC1048LC3B | 12-Lead LCC (3mm x 3mm w/ EP) | ||
| HMC1048LC3BTR | 12-Lead LCC (3mm x 3mm w/ EP) | ||
| HMC1048LC3BTR-R5 | 12-Lead LCC (3mm x 3mm w/ EP) |
| 製品モデル | 製品ライフサイクル | PCN |
|---|---|---|
|
1 11, 2017 - 16_0010 Discontinuance of Select RF and Microwave Products |
||
| HMC1048LC3B | 製造中止 | |
| HMC1048LC3BTR | 製造中止 | |
| HMC1048LC3BTR-R5 | 製造中止 | |
これは最新改訂バージョンのデータシートです。
ソフトウェア・リソース
必要なソフトウェア/ドライバが見つかりませんか?
ドライバ/ソフトウェアをリクエストハードウェア・エコシステム
| 製品モデル | 製品ライフサイクル | 詳細 |
|---|---|---|
| HMC1048A | 新規設計に推奨 |
2.25 GHz ~ 18 GHz、MMIC、ダブル・バランスド・ダウンコンバータ |