ADRV9062

新規設計に推奨

モノリシック4T4R/8T8R Split 7.2a O-RU SoC

利用上の注意

本データシートの英語以外の言語への翻訳はユーザの便宜のために提供されるものであり、リビジョンが古い場合があります。最新の内容については、必ず最新の英語版をご参照ください。

なお、日本語版のデータシートは基本的に「Rev.0」(リビジョン0)で作成されています。そのため、英語版が後に改訂され、複数製品のデータシートがひとつに統一された場合、同じ「Rev.0」の日本語版のデータシートが異なる製品のデータシートとして表示されることがあります。たとえば、「ADM3307E」の場合、日本語データシートをクリックすると「ADM3311E」が表示されます。これは、英語版のデータシートが複数の製品で共有できるように1本化され、「ADM3307E/ADM3310E/ADM3311E/ADM3312E/ADM3315E」(Rev.J)と改訂されたからで、決して誤ってリンクが張られているわけではありません。和文化されたデータシートを少しでも有効に活用していただくためにこのような方法をとっておりますので、ご了解ください。

アナログ・デバイセズ社は、提供する情報が正確で信頼できるものであることを期していますが、その情報の利用に関して、あるいはその利用によって生じる第三者の特許やその他の権利の侵害に関して一切の責任を負いません。また、アナログ・デバイセズ社の特許または特許の権利の使用を明示的または暗示的に許諾するものでもありません。仕様は予告なしに変更する場合があります。本紙記載の商標および登録商標は、各社の所有に属します。

Viewing:

製品情報

  • 概要
    • O-RAN準拠のSplit 7.2× Category A RUシステム・オン・チップ(SoC)
    • ADRV9061使用時:4 Tx/4 Rx/1 ORx
    • ADRV9061/ADRV9062使用時:8 Tx/8 Rx/2 ORxまで拡張可能
    • TDDおよびFDDの動作をサポート
    • NR FR1、LTE、NB-IoTの各エア・インターフェースをサポート
    • シングルバンドおよびマルチバンドの動作をサポート
    • Linux対応の統合型ARM Cortex-A55クワッド・コア
  • 帯域幅および周波数
    • 調整可能なRF範囲:500MHz~4,830MHz
    • 調整可能なLO範囲:600MHz~4,500MHz
    • Tx大信号最大帯域幅:660MHz
    • Txシンセシス最大帯域幅:800MHz
    • Rx最大帯域幅:660MHz
    • ORx最大帯域幅:800MHz
    • アンテナあたりの最大占有帯域幅:400MHz
  • クロッキングおよび同期
    • 2つの内蔵型フラクショナルN方式RFシンセサイザ
    • すべてのLOおよびベースバンド・クロック用マルチチップ位相同期
    • IEEE1588 PTPおよびSyncE(O-RUサポート強化)
  • デジタル・フロント・エンド(DFE)
    • 最先端のマクロ・パワー・アンプ用に最適化された内蔵型DPDエンジン
    • DPDモデルのスイッチング・サポートによる優れた動的性能
    • 窒化ガリウム(GaN)パワー・アンプの電荷トラッピング補正をサポート
    • 内蔵型CFRエンジン
    • PIMC内蔵
  • Low-PHYおよびフロントホール
    • FFTおよびIFFT
    • PRACH抽出
    • OFDM位相補償
    • アンテナ・キャリブレーション内蔵
    • O-RAN準拠7.2× Category A eCPRI
    • フロントホール・データ圧縮
  • インターフェース
    • 10Gまたは25G対応の2つのフロントホール・イーサネット・ポート
    • DDR4メモリへのインターフェース
    • フラッシュ・メモリへのインターフェース(QSPI/eMMC/SDカード)
    • SPIポート × 6、I2Cポート × 8、UARTポート × 5、パルス幅変調(PWM)× 16、1Gイーサネット × 1
    • 2つのデバイスをタイリングすることで最大8T8Rをサポートするチップ間インターフェースを内蔵
    • 10Gおよび25Gのイーサネット・スイッチを内蔵
  • セキュリティ
    • AES-128/AES-256暗号化をサポートするMACsec
    • 超小型エンクレーブによるセキュア・ブート、セキュア・アップデート、ライフサイクル管理のサポートを内蔵
    • 節電機能
    • シンボル粒度での不連続なTxおよびRx
    • ディープ・スリープ・モード

ADRV9062はスタンドアロン製品ではなく、8T8R構成でADRV9061と併用する必要があります。

ADRV9062
モノリシック4T4R/8T8R Split 7.2a O-RU SoC
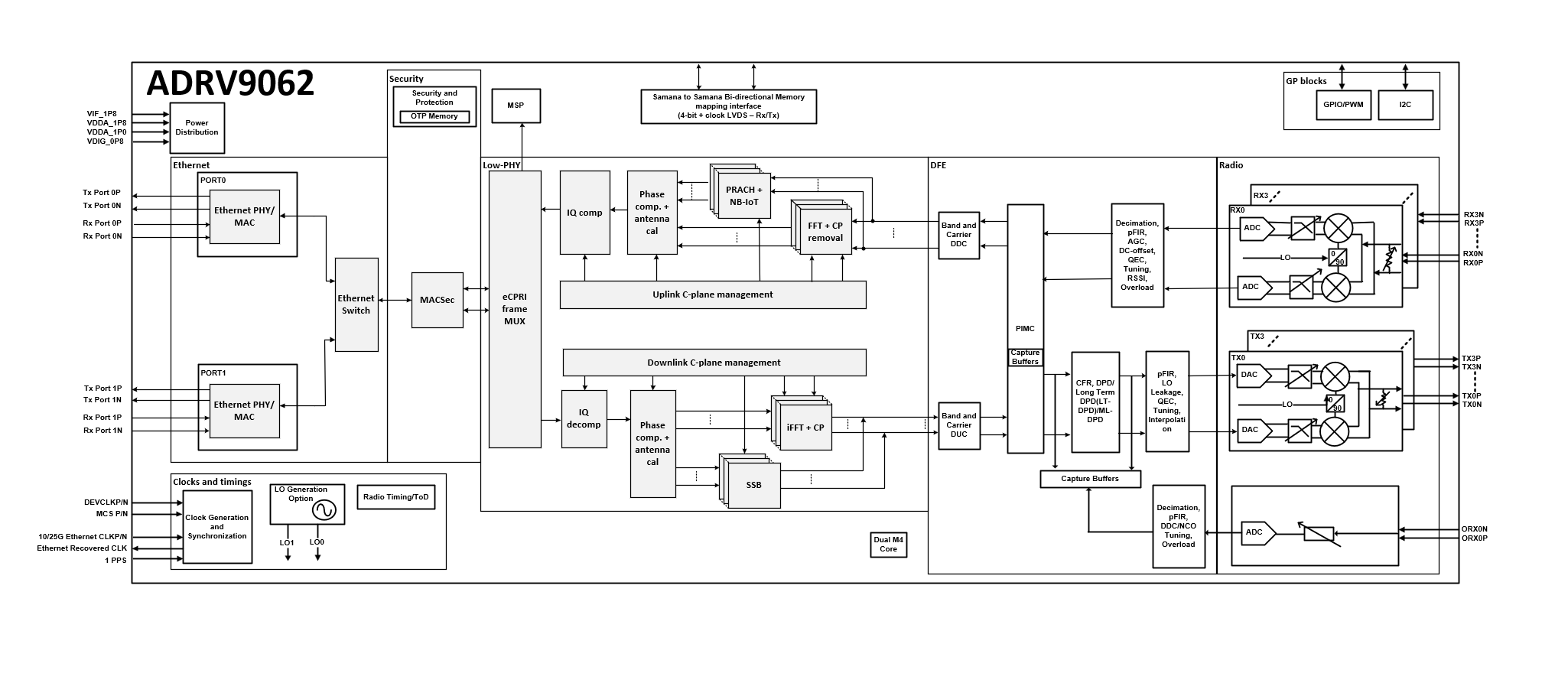
ADRV9062 Functional Block Diagram ADRV906x Chip Illustration
myAnalogに追加

myAnalogの製品セクション(通知受け取り)、既存/新規プロジェクトに製品を追加する。

新規プロジェクトを作成
質問する
サポート

アナログ・デバイセズのサポート・ページはアナログ・デバイセズへのあらゆるご質問にお答えするワンストップ・ポータルです。


ドキュメント

データシート 1

インフォメーション 1

秘密保持契約(NDA)をリクエスト

技術文書一式は、秘密保持契約(NDA)の締結後にご利用いただけます。

秘密保持契約(NDA)をリクエスト
さらに詳しく
myAnalogに追加

myAnalogのリソース・セクション、既存/新規プロジェクトにメディアを追加する。

新規プロジェクトを作成

ソフトウェア・リソース

必要なソフトウェア/ドライバが見つかりませんか?

ドライバ/ソフトウェアをリクエスト

最新のディスカッション

ADRV9062に関するディスカッションはまだありません。意見を投稿しますか?

EngineerZone®でディスカッションを始める

最近表示した製品