ADPL42001

新規設計に推奨

4V~20V、100mA、超低静止電流のリニア・レギュレータ

利用上の注意

本データシートの英語以外の言語への翻訳はユーザの便宜のために提供されるものであり、リビジョンが古い場合があります。最新の内容については、必ず最新の英語版をご参照ください。

なお、日本語版のデータシートは基本的に「Rev.0」(リビジョン0)で作成されています。そのため、英語版が後に改訂され、複数製品のデータシートがひとつに統一された場合、同じ「Rev.0」の日本語版のデータシートが異なる製品のデータシートとして表示されることがあります。たとえば、「ADM3307E」の場合、日本語データシートをクリックすると「ADM3311E」が表示されます。これは、英語版のデータシートが複数の製品で共有できるように1本化され、「ADM3307E/ADM3310E/ADM3311E/ADM3312E/ADM3315E」(Rev.J)と改訂されたからで、決して誤ってリンクが張られているわけではありません。和文化されたデータシートを少しでも有効に活用していただくためにこのような方法をとっておりますので、ご了解ください。

アナログ・デバイセズ社は、提供する情報が正確で信頼できるものであることを期していますが、その情報の利用に関して、あるいはその利用によって生じる第三者の特許やその他の権利の侵害に関して一切の責任を負いません。また、アナログ・デバイセズ社の特許または特許の権利の使用を明示的または暗示的に許諾するものでもありません。仕様は予告なしに変更する場合があります。本紙記載の商標および登録商標は、各社の所有に属します。

Viewing:

製品情報

  • 容易に導入可能 
    • 必要な外付け部品はわずか4個 
    • 小型の4.7μF、0805出力コンデンサで安定
    • オール・セラミック・コンデンサ、コンパクトなレイアウト
  • リニア・レギュレータの必要在庫数を削減
    • 広い入力電圧範囲:4V~20V
    • 調整可能な出力:0.6V~18V
    • 負荷電流能力:最大100mA
  • 過酷な産業環境でも高い信頼性で動作
    • PGOODピンによる出力電圧の監視機能を内蔵
    • 高電圧ENABLE(イネーブル)入力
    • 低い静止電流(8μA)
    • 低ドロップアウト電圧:100mAで560mV
    • 過負荷保護
    • 過熱保護
    • 広い動作周囲温度範囲(-40°C~+125°C)とジャンクション温度範囲(-40°C~+150°C)

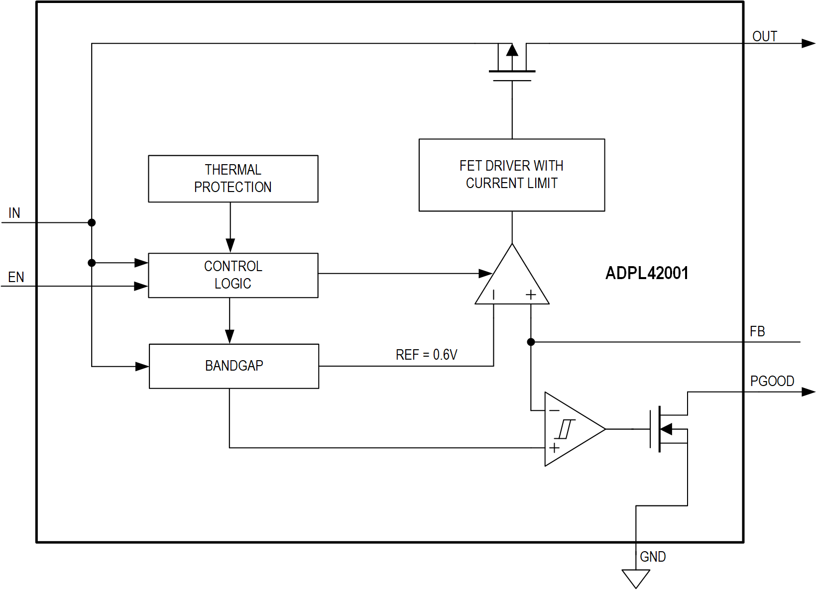
ADPL42001(超低静止電流の高電圧リニア・レギュレータ)は、産業用システムやバッテリ駆動システムでの使用に適しています。4V~20Vの入力電圧で動作し、最大100mAの負荷電流を供給でき、無負荷時に消費する静止電流はわずか8μAです。シャットダウン時の消費電流はわずか0.9μAです。出力電圧は0.6V~18Vの範囲で調整可能です。フィードバック電圧の精度は温度範囲全体にわたって±2%です。

オープン・ドレインPGOODピンは、出力電圧のレギュレーションが適正な場合にパワーグッド信号をシステムに出力します。ユーザがデバイスのオン/オフを切り替えることができるイネーブル・ピン(EN)も搭載しています。このデバイスには、ダイ温度が165°Cを超えるとデバイス自体をシャットダウンするサーマル・シャットダウン機能が備わっています。ADPL42001は、-40°C~+125°Cの工業用温度範囲で動作し、6ピンのコンパクトなTSOTパッケージおよび6ピン(3mm x 3mm)TDFNパッケージで提供されます。

アプリケーション

  • バッテリ駆動機器
  • スイッチング電源用のポスト・レギュレータ
  • ボディ・エレクトロニクスと照明

ADPL42001
4V~20V、100mA、超低静止電流のリニア・レギュレータ
ADPL42001 Typical Application Circuit ADPL42001 Functional Diagram ADPL42001 Pin Configuration ADPL42001 Chip ADPL42001 Chip
myAnalogに追加

myAnalogの製品セクション(通知受け取り)、既存/新規プロジェクトに製品を追加する。

新規プロジェクトを作成
質問する
サポート

アナログ・デバイセズのサポート・ページはアナログ・デバイセズへのあらゆるご質問にお答えするワンストップ・ポータルです。


ドキュメント

さらに詳しく
myAnalogに追加

myAnalogのリソース・セクション、既存/新規プロジェクトにメディアを追加する。

新規プロジェクトを作成

ソフトウェア・リソース

必要なソフトウェア/ドライバが見つかりませんか?

ドライバ/ソフトウェアをリクエスト

評価用キット

eval board
EVAL-ADPL42001

ADPL42001の評価用キット

機能と利点

  • 広い入力電圧範囲:4V~20V
  • ジャンパ設定可能な出力:12V、5V、3.3V
  • 負荷電流能力:最大100mA
  • 無負荷時の電源電流:8μA
  • アクティブ・ハイのイネーブル入力
  • レギュレータ出力電圧監視用のPGOOD出力
  • 過負荷保護
  • 過熱保護
  • 実証済みPCBレイアウト
  • 完全実装済みおよび試験済み

製品詳細

ADPL42001評価用キット(EVキット)は、ADPL42001(高電圧、超低静止電流のリニア・レギュレータ)の性能を実証することを目的とした、完全実装済みおよび試験済みの回路基板です。このEVキットは4V~20Vの広い入力電圧範囲で動作し、最大100mAの負荷電流を供給します。無負荷状態では、わずか8μAの電源電流しか消費しません。このデバイスは導入が容易で、最小限の外付け部品で簡単に構成できます。過負荷電流保護とサーマル・シャットダウン機能を備えています。

このEVキットは2つの回路で構成されています。1つの回路には、6ピンのコンパクトなTSOTパッケージのADPL42001AZT+が搭載されています。もう1つの回路には、6ピン(3mm x 3mm)TDFNパッケージのADPL42001ATT+が搭載されています。

EVAL-ADPL42001
ADPL42001の評価用キット
EVAL-ADPL42001 Board Photo Angle View EVAL-ADPL42001 Board Photo Top View EVAL-ADPL42001 Board Photo Bottom View

最新のディスカッション

ADPL42001に関するディスカッションはまだありません。意見を投稿しますか?

EngineerZone®でディスカッションを始める

最近表示した製品