ADM3232E

製造中

RS-232ライン・ドライバ/レシーバ、±15kV ESD保護機能、3.3V

利用上の注意

本データシートの英語以外の言語への翻訳はユーザの便宜のために提供されるものであり、リビジョンが古い場合があります。最新の内容については、必ず最新の英語版をご参照ください。

なお、日本語版のデータシートは基本的に「Rev.0」(リビジョン0)で作成されています。そのため、英語版が後に改訂され、複数製品のデータシートがひとつに統一された場合、同じ「Rev.0」の日本語版のデータシートが異なる製品のデータシートとして表示されることがあります。たとえば、「ADM3307E」の場合、日本語データシートをクリックすると「ADM3311E」が表示されます。これは、英語版のデータシートが複数の製品で共有できるように1本化され、「ADM3307E/ADM3310E/ADM3311E/ADM3312E/ADM3315E」(Rev.J)と改訂されたからで、決して誤ってリンクが張られているわけではありません。和文化されたデータシートを少しでも有効に活用していただくためにこのような方法をとっておりますので、ご了解ください。

アナログ・デバイセズ社は、提供する情報が正確で信頼できるものであることを期していますが、その情報の利用に関して、あるいはその利用によって生じる第三者の特許やその他の権利の侵害に関して一切の責任を負いません。また、アナログ・デバイセズ社の特許または特許の権利の使用を明示的または暗示的に許諾するものでもありません。仕様は予告なしに変更する場合があります。本紙記載の商標および登録商標は、各社の所有に属します。

Viewing:

製品情報

  • データレート:460kbps
  • 2個のトランスミッタと2個のレシーバを内蔵
  • EIA-232E仕様に適合
  • 0.1µFチャージ・ポンプ・コンデンサ
  • TTL/CMOSおよびRS-232 I/Oに対してIEC 1000-4-2(801.2)に準拠したESD保護
  • 接触放電:±8kV
  • エア・ギャップ放電:±15kV

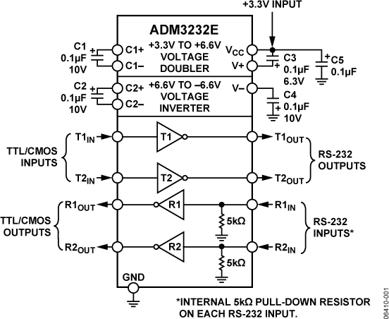
ADM3232Eトランシーバは、3.3Vの単電源で動作する高速、2チャンネルRS-232/V.28インターフェース・デバイスです。消費電力が低いため、バッテリ駆動の携帯型計測機器に最適です。ADM3232Eは、EIA-232EおよびCCITT V.28仕様に準拠し、最大460kspsのデータレートで動作します。

RS-232(T_OUTおよびR_IN)とTTL/CMOS(T_IN and R_OUT)の入力および出力はすべて、静電気放電に対して保護されています(最大±15kVのESD保護)。したがって、IEC 1000-4-2要求仕様に対する適合性が保証されます。)の入力および出力はすべて、静電気放電に対して保護されています(最大±15kVのESD保護)。したがって、IEC 1000-4-2要求仕様に対する適合性が保証されます。

ADM3232Eは、入力/出力ピンに対して±15kVのESD保護機能を搭載しているため、電気的に過酷な環境での動作やRS-232ケーブルが頻繁に抜差しされる用途に最適です。

放射も非常に厳しい制限範囲内に制御されます。CMOS技術を採用し、消費電力をその絶対最小値に維持するため、携帯型機器のアプリケーションではバッテリ寿命が最大限に引き伸ばされます。

電圧ダブラー/インバータ用に4本の0.1µFチャージ・ポンプ・コンデンサが外付けされるため、3.3Vの単電源動作が可能です。

ADM3232Eは、16ピンのナローSOICパッケージに加えて、省スペースの16ピンTSSOPパッケージでも提供しています。

アプリケーション

  • 汎用のRS-232データ・リンク
  • 携帯型計測機器
  • ハンドセット
  • 工業用/通信用診断ポート
  • ADM3232E
    RS-232ライン・ドライバ/レシーバ、±15kV ESD保護機能、3.3V
    ADM3232E Functional Block Diagram ADM3232E Pin Configuration
    myAnalogに追加

    myAnalogの製品セクション(通知受け取り)、既存/新規プロジェクトに製品を追加する。

    新規プロジェクトを作成
    質問する
    サポート

    アナログ・デバイセズのサポート・ページはアナログ・デバイセズへのあらゆるご質問にお答えするワンストップ・ポータルです。


    ドキュメント

    さらに詳しく
    myAnalogに追加

    myAnalogのリソース・セクション、既存/新規プロジェクトにメディアを追加する。

    新規プロジェクトを作成

    最新のディスカッション

    最近表示した製品