ADH871S

新規設計には非推奨

DC to 20 GHz, EA Optical Modulator Driver

利用上の注意

本データシートの英語以外の言語への翻訳はユーザの便宜のために提供されるものであり、リビジョンが古い場合があります。最新の内容については、必ず最新の英語版をご参照ください。

なお、日本語版のデータシートは基本的に「Rev.0」(リビジョン0)で作成されています。そのため、英語版が後に改訂され、複数製品のデータシートがひとつに統一された場合、同じ「Rev.0」の日本語版のデータシートが異なる製品のデータシートとして表示されることがあります。たとえば、「ADM3307E」の場合、日本語データシートをクリックすると「ADM3311E」が表示されます。これは、英語版のデータシートが複数の製品で共有できるように1本化され、「ADM3307E/ADM3310E/ADM3311E/ADM3312E/ADM3315E」(Rev.J)と改訂されたからで、決して誤ってリンクが張られているわけではありません。和文化されたデータシートを少しでも有効に活用していただくためにこのような方法をとっておりますので、ご了解ください。

アナログ・デバイセズ社は、提供する情報が正確で信頼できるものであることを期していますが、その情報の利用に関して、あるいはその利用によって生じる第三者の特許やその他の権利の侵害に関して一切の責任を負いません。また、アナログ・デバイセズ社の特許または特許の権利の使用を明示的または暗示的に許諾するものでもありません。仕様は予告なしに変更する場合があります。本紙記載の商標および登録商標は、各社の所有に属します。

Viewing:

製品情報

  • Wide Supply Range from +5V to +8V
  • Adjustable Output Amplitude up to 4 Vp-p
  • Low Additive RMS Jitter, < 300 fs
  • Low DC Power Consumption: 0.25 W for VOUT = 2.5 Vp-p at Vdd = 5V
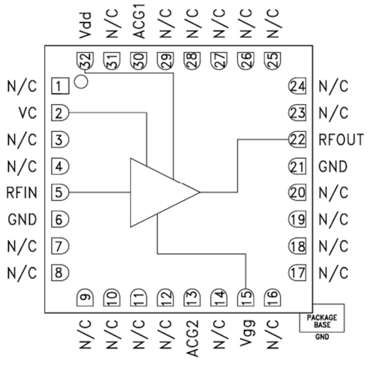
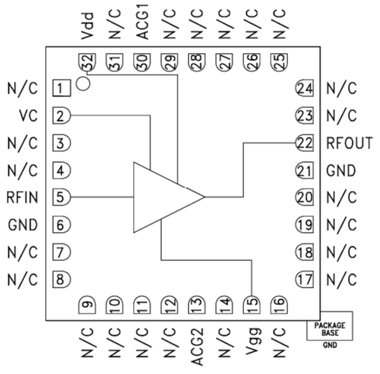
  • 32 Lead 5 mm x 5 mm SMT package
  • Screened with guidelines to MIL-PRF-38535, Class Level S

The ADH871S is a GaAs MMIC PHEMT EA optical modulator driver that operates between DC and 20 GHz and provides 15 dB of gain. The output swing cross point is adjustable and saturated output swing is 4 Vp-p. Gain flatness is excellent at 0.5 dB as well as very low additive RMS jitter of 300 fs for 10 Gbps operation.

The ADH871S provides VSR and Gigabit Ethernet designers with scalable power dissipation for varying output drive requirements (<0.25 W at VOUT = 2.5 Vp-p and <0.6 W at VOUT = 4 Vp-p). The ADH871S has a very wide supply (Vdd) operating range from +5V to +8V and the I/Os are internally matched to 50 Ohms.

Applications

  • SONET OC-192 & SDH-STM-64 Transmission Systems
  • 10 GbE Transmitters
  • 10 Gbps VSR Modules
  • Pre-driver for 40 Gbps DQPSK Modules
  • Broadband Gain Block Test and Measurement Equipment
  • Military & Space

ADH871S
DC to 20 GHz, EA Optical Modulator Driver
HMC6127LC5 SID
myAnalogに追加

myAnalogの製品セクション(通知受け取り)、既存/新規プロジェクトに製品を追加する。

新規プロジェクトを作成
質問する
サポート

アナログ・デバイセズのサポート・ページはアナログ・デバイセズへのあらゆるご質問にお答えするワンストップ・ポータルです。


ドキュメント

さらに詳しく
myAnalogに追加

myAnalogのリソース・セクション、既存/新規プロジェクトにメディアを追加する。

新規プロジェクトを作成

最新のディスカッション

ADH871Sに関するディスカッションはまだありません。意見を投稿しますか?

EngineerZone®でディスカッションを始める

最近表示した製品