ADF7021
ADF7021
新規設計には非推奨トランシーバIC、高性能、ナローバンド、ISM
- 製品モデル
- 3
- 1Ku当たりの価格
- 最低価格:$3.89
Viewing:
製品情報
- 低消費電力の狭帯域トランシーバ
- 複数の周波数帯域(VCOを2個使用):
80~650MHz、862~950MHz - 変調方式:
2FSK、3FSK、4FSK - スペクトル・シェーピング:
ガウス・フィルタと余弦2乗フィルタ - データレート:0.05~32.8kbps
- 電源:2.3~3.6V
- 出力パワーが設定可能:16~+13dBm
- 自動PAランプ制御
- レシーバ感度:-123dBm@1kbps、FSK
- 全自動周波数制御ループ(AFC)で低周波数のクリスタルを補償
- 高精度デジタル受信信号強度インジケータ(RSSI)とTx/Rx切り替えスイッチ内蔵
- 12.5/18.5/25kHzのプログラマブルIF帯域を備えた低IFアーキテクチャ
- パワーダウン・モード・リーク電流:0.1μA
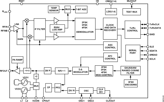
ADF7021は、高性能低消費電力の高度集積度2FSK/3FSK/4FSKトランシーバです。このデバイスは、狭帯域(ライセンスフリーISMバンド)、および80~650MHzと862~950MHzのライセンスバンドで動作するようにデザインされています。
狭帯域アプリケーションのスペクトル効率を高めるために、送信データのフィルタとしてガウス・フィルタと2乗余弦フィルタのオプションを内蔵しています。このデバイスは、欧州のETSI EN 300 220、日本のARIB STD-T67、中国の短距離デバイス規制、北米のFCC Part 15、Part 90、Part 95の規格を対象とする回路アプリケーションに適しています。ごくわずかの外付けディスクリート部品で全機能装備のトランシーバを構成できるため、ADF7021は低価格と省スペースが重要なアプリケーションに最適です。
FSK変調とデータ・フィルタ処理の広範囲なオプションを内蔵しているため、きわめて柔軟に最適な変調方式を選べるとともに、スペクトル効率の厳しい条件にも対応できます。ADF7021は、2FSK/3FSK/4FSKのダイナミックな切替えを行うプロトコルもサポートしているため、最大の通信距離とデータ・スループットを実現できます。
送信セクションには、電圧制御発振器(VCO)と1 ppm以下の出力分解能を持つ低ノイズのフラクショナルN PLLが内蔵されています。この周波数機敏なPLLのために、ADF7021は周波数ホッピングのスペクトル分散(FHSS)システムで使用できるようになっています。VCOは、スプリアス放出問題と周波数引き込み問題を軽減するため、基本周波数の2倍で動作します。トランスミッタ出力電力は、-16 dBm~+13 dBmの範囲で63ステップで調整可能であり、さらにスペクトル・スプラッタを防止する自動電力ランプ制御を内蔵しているため、規制を満足することに役立ちます。トランシーバRF周波数、チャンネル間隔、変調は、シンプルな3線式インターフェースを使って設定することができます。このデバイスは、2.3 V~3.6 Vの電源範囲で動作し、使用しない場合にはパワーダウンすることができます。
レシーバ(100 kHz)では低IFアーキテクチャを採用しているため、消費電力が小さく、外付け部品数が少なく、低周波での干渉問題を回避します。IFフィルタの帯域幅は、12.5 kHz、18.75 kHz、25 kHzに設定することができます。ADF7021は、Rx直線性、感度、IF帯域幅などを含む広範囲なプログラマブルな機能をサポートしているため、アプリケーションに応じてレシーバ感度と消費電流に対して選択的にトレードオフを行うことができます。また、レシーバは、着信信号内で周波数誤差をPLLに追跡させるようにできる、プログラマブルなプルイン範囲を持つ、特許申請中の、周波数自動制御(AFC)ループを内蔵しています。
内蔵のADCは、内蔵の温度センサー、外付けアナログ入力、バッテリ電圧、RSSI信号の読み出し機能を提供するため、アプリケーションによってはADCを節約することができます。温度センサーの精度は、-40~+85℃の動作温度範囲全体にわたって、±10℃となっています。この温度精度は、室温にて1ポイントの校正を行い結果をメモリに格納することによって、改善することができます。
ドキュメント
データシート 1
アプリケーション・ノート 8
技術記事 7
製品ハイライト 2
サードパーティ・パートナー・プログラム 1
評価用設計ファイル 1
サードパーティ・パートナー・プログラム 1
製品選択ガイド 1
製品ハイライト 2
ソート・リーダーシップ 1
| 製品モデル | ピン/パッケージ図 | 資料 | CADシンボル、フットプリント、および3Dモデル |
|---|---|---|---|
| ADF7021BCPZ | 48-Lead LFCSP (7mm x 7mm w/ EP) | ||
| ADF7021BCPZ-RL | 48-Lead LFCSP (7mm x 7mm w/ EP) | ||
| ADF7021BCPZ-RL7 | 48-Lead LFCSP (7mm x 7mm w/ EP) |
| 製品モデル | 製品ライフサイクル | PCN |
|---|---|---|
|
11 10, 2022 - 22_0277 Qualification of an Alternate Adhesive Material and Molding Compound for Select LFCSP Packages |
||
| ADF7021BCPZ | 製造中 | |
| ADF7021BCPZ-RL | 製造中 | |
| ADF7021BCPZ-RL7 | 製造中 | |
|
8 1, 2016 - 16_0035 Assembly Relocation of Select LFCSP, Mini-LFCSP and LFCSP Side Solderable Products to STATS ChipPAC China Jiangyin |
||
| ADF7021BCPZ | 製造中 | |
| ADF7021BCPZ-RL | 製造中 | |
| ADF7021BCPZ-RL7 | 製造中 | |
|
5 23, 2014 - 13_0233 Assembly Transfer of Select 6x6 and 7x7mm LFCSP Products to STATS ChipPAC China. |
||
| ADF7021BCPZ | 製造中 | |
| ADF7021BCPZ-RL | 製造中 | |
| ADF7021BCPZ-RL7 | 製造中 | |
|
10 26, 2011 - 11_0020 Conversion of Select Sizes of LFCSP Package Outlines from Punch to Sawn and Transfer of Assembly Site to StatsChippac Malaysia. |
||
| ADF7021BCPZ | 製造中 | |
| ADF7021BCPZ-RL | 製造中 | |
| ADF7021BCPZ-RL7 | 製造中 | |
|
6 14, 2011 - 11_0109 Addition of STATSChipPAC, Malaysia as an Alternate Test Site for Select LFCSP products |
||
| ADF7021BCPZ | 製造中 | |
| ADF7021BCPZ-RL | 製造中 | |
| ADF7021BCPZ-RL7 | 製造中 | |
これは最新改訂バージョンのデータシートです。
ソフトウェア・リソース
評価用ソフトウェア 2
ADIismLINK Development Platform
ADF70xx Evaluation Software
必要なソフトウェア/ドライバが見つかりませんか?
ツールおよびシミュレーション
ADIsimSRD デザインスタジオ
アナログ・デバイセズのADIsimSRD Design Studioはきわめて強力なツールであり、ADF7xxxファミリーである トランシーバとトランスミッタ製品を使用して、標準的なワイヤレス・システムの多くのパラメータをリアルタイムにシミュレートして最適化します。
ツールを開く