ADF7021-N
新規設計には非推奨トランシーバIC、高性能、ナローバンド
- 製品モデル
- 3
- 1Ku当たりの価格
- 最低価格:$2.89
製品情報
- 低消費電力狭帯域トランシーバ
- デュアルVCOを使用した周波数バンド
 80 MHz~650 MHz
 842 MHz~916 MHzz
- 9 kHz、13.5 kHz、18.5 kHzのプログラマブルなIFフィルタ帯域幅
- 変調方式: 2FSK、3FSK、4FSK、MSK
- スペクトル整形:ガウス・フィルタとraised cosineフィルタ
- 周波数フル自動制御ループ(AFC)
- 7ビットADCと温度特性センサーを内蔵
- VCOとフラクショナルN PLLを内蔵
- データ・レート: 0.05 kbps~24 kbps
- 電源電圧: 2.3 V~3.6 V
- 出力電力:
 63ステップで−16 dBm~+13 dBmで調整可能
- パワー・アンプ(PA)自動ランプ制御
- レシーバ感度
 100 bpsで−130 dBm、2FSK
 1 kbpsで−122 dBm、2FSK
- 特許申請中のイメージ除去キャリブレーションを内蔵
- デジタル受信信号強度表示(RSSI)
- Tx/Rxスイッチを内蔵
- パワーダウン・モードでのリーク電流: 0.1 µA
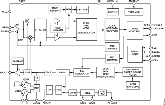
ADF7021-Nは、ADF7021をベースにした高性能低消費電力狭帯域トランシーバです。ADF7021-Nは9 kHz、13.5 kHz、18.5 kHzのIFフィルタ帯域幅を持つため、世界中の狭帯域規格に最適であり、特に12.5 kHzのチャンネル・セパレーションを規定する規格に適しています。
狭帯域の免許不要ISMバンド、および80 MHz~650 MHzと842 MHz~916 MHzの要免許周波数範囲で動作するようにデザインされています。このデバイスは、狭帯域アプリケーションでスペクトル効率を向上させるガウスとraised cosineの送信データ・フィルタ・オプションを持っています。日本のARIB STD-T67、ヨーロッパのETSI EN 300 220、韓国の短距離デバイス規制、中国の短距離デバイス規制、北米のFCC Part 15、Part 90、Part 95規制を対象とする回路アプリケーションに適しています。ADF7021-Nは、小数の外付けディスクリート部品を使うだけでトランシーバを構成できるため、低価格かつ省スペースのアプリケーションに最適です。
内蔵のFSK変調とデータ・フィルタリングの広範囲なオプションを使うと、変調方式の選択の柔軟性が増えると同時に厳しいスペクトル効率条件を満たすことができます。また、ADF7021-Nは2FSK、3FSK、4FSKの間でダイナミックに切り替えて通信範囲とデータ・スループットを最大化するプロトコルもサポートしています。
送信セクションには、2個の電圧制御発振器(VCO)と1 ppm以下の出力分解能を持つ低ノイズのフラクショナルN PLLが内蔵されています。ADF7021-Nは、内蔵LCタンク(421 MHz~458 MHz、842 MHz~916 MHz)を使うVCOと、タンク回路(80 MHz~650 MHz)の一部として外付けインダクタを使うVCOを持っています。このデュアルVCOデザインにより、内蔵インダクタVCOによりサポートされた任意の周波数で送信および/または受信し、さらに外付けインダクタVCOによりサポートされた特別な周波数バンドで送信および/または受信できるデュアル・バンド動作が可能になっています。
ADF7021-Nは周波数に即応するPLLを内蔵しているため、周波数ホッピングのスペクトル分散(FHSS)システムで使用できるようになっています。両VCOは、スプリアス放出問題と周波数引き込み問題を軽減するため、基本周波数の2倍で動作します。
トランスミッタ出力電力は、−16 dBm~+13 dBmの範囲で63ステップで調整可能であり、さらにスペクトル・スプラッタを防止する電力ランプ自動制御を内蔵しているため、規制を満足することに役立ちます。トランシーバRF周波数、チャンネル間隔、変調は、シンプルな3線式インターフェースを使って設定することができます。このデバイスは、2.3 V~3.6 Vの電源範囲で動作し、使用しない場合にはパワーダウンすることができます。
レシーバ(100 kHz)では低IFアーキテクチャを採用しているため、消費電力が小さく、外付け部品数が尐なく、さらにDCオフセットと低周波でのフリッカ・ノイズも小さくなっています。IFフィルタの帯域幅は、9 kHz、13.5 kHz、18.5 kHzに設定することができます。ADF7021-Nは、Rx直線性、感度、IF帯域幅などの広範囲なプログラマブルな機能をサポートしているため、アプリケーションに応じて消費電流に対するレシーバ感度と選択度のトレードオフを行うことができます。また、レシーバは着信信号内で周波数誤差をPLLに追跡させるようにできるプログラマブルなプルイン範囲を持つ特許申請中の周波数自動制御(AFC)ループを内蔵しています。
レシーバでは、外付けRFソースが不要な特許申請中のIRキャリブレーション方式を使って56 dBのイメージ除去性能を実現しています。
内蔵のADCは、内蔵の温度センサー、外付けアナログ入力、バッテリ電圧、RSSI信号の読み出し機能を提供するため、アプリケーションによってはADCを節約することができます。温度センサーは、−40°C~+85°Cのフル動作温度範囲で±10°Cの精度です。この精度は、室温での1点キャリブレーションを実行してその結果をメモリに保存することにより、向上させることができます。
ドキュメント
データシート 2
アプリケーション・ノート 9
技術記事 6
製品ハイライト 1
サードパーティ・パートナー・プログラム 1
評価用設計ファイル 1
サードパーティ・パートナー・プログラム 1
製品選択ガイド 1
製品ハイライト 1
| 製品モデル | ピン/パッケージ図 | 資料 | CADシンボル、フットプリント、および3Dモデル | 
|---|---|---|---|
| ADF7021-NBCPZ | 48-Lead LFCSP (7mm x 7mm x 0.85mm w/ EP) | ||
| ADF7021-NBCPZ-RL | 48-Lead LFCSP (7mm x 7mm x 0.85mm w/ EP) | ||
| ADF7021-NBCPZ-RL7 | 48-Lead LFCSP (7mm x 7mm x 0.85mm w/ EP) | 
| 製品モデル | 製品ライフサイクル | PCN | 
|---|---|---|
| 4 29, 2015 - 14_0049 Conversion of 6x6mm and 7x7mm LFCSP Package Outlines from Punch to Sawn and Transfer of Assembly Site to Amkor Philippines | ||
| ADF7021-NBCPZ | 製造中 | |
| ADF7021-NBCPZ-RL | 製造中 | |
| ADF7021-NBCPZ-RL7 | 製造中 | |
| 10 18, 2013 - 11_0109 Addition of STATSChipPAC, Malaysia as an Alternate Test Site for Select LFCSP products | ||
| ADF7021-NBCPZ | 製造中 | |
| ADF7021-NBCPZ-RL | 製造中 | |
| ADF7021-NBCPZ-RL7 | 製造中 | |
| 7 16, 2012 - 10_0241 Conversion of LFCSP Package Outline from Punch to Sawn of Package Sizes 4x4, 5x5, 6x6 and 7x7mm and a Transfer of Assembly Site. | ||
| ADF7021-NBCPZ | 製造中 | |
| ADF7021-NBCPZ-RL | 製造中 | |
| ADF7021-NBCPZ-RL7 | 製造中 | |
これは最新改訂バージョンのデータシートです。
ソフトウェア・リソース
評価用ソフトウェア 2
ADIismLINK Development Platform
ADF70xx Evaluation Software
必要なソフトウェア/ドライバが見つかりませんか?
ツールおよびシミュレーション
ADIsimSRD デザインスタジオ
アナログ・デバイセズのADIsimSRD Design Studioはきわめて強力なツールであり、ADF7xxxファミリーである トランシーバとトランスミッタ製品を使用して、標準的なワイヤレス・システムの多くのパラメータをリアルタイムにシミュレートして最適化します。
ツールを開く評価用キット
最新のディスカッション
ADF7021-Nに関するディスカッションはまだありません。意見を投稿しますか?
EngineerZone®でディスカッションを始める