ADBMS1804B

新規設計に推奨

Multicell Battery Monitor With Current Sense Data Sheet

利用上の注意

本データシートの英語以外の言語への翻訳はユーザの便宜のために提供されるものであり、リビジョンが古い場合があります。最新の内容については、必ず最新の英語版をご参照ください。

なお、日本語版のデータシートは基本的に「Rev.0」(リビジョン0)で作成されています。そのため、英語版が後に改訂され、複数製品のデータシートがひとつに統一された場合、同じ「Rev.0」の日本語版のデータシートが異なる製品のデータシートとして表示されることがあります。たとえば、「ADM3307E」の場合、日本語データシートをクリックすると「ADM3311E」が表示されます。これは、英語版のデータシートが複数の製品で共有できるように1本化され、「ADM3307E/ADM3310E/ADM3311E/ADM3312E/ADM3315E」(Rev.J)と改訂されたからで、決して誤ってリンクが張られているわけではありません。和文化されたデータシートを少しでも有効に活用していただくためにこのような方法をとっておりますので、ご了解ください。

アナログ・デバイセズ社は、提供する情報が正確で信頼できるものであることを期していますが、その情報の利用に関して、あるいはその利用によって生じる第三者の特許やその他の権利の侵害に関して一切の責任を負いません。また、アナログ・デバイセズ社の特許または特許の権利の使用を明示的または暗示的に許諾するものでもありません。仕様は予告なしに変更する場合があります。本紙記載の商標および登録商標は、各社の所有に属します。

Viewing:

製品情報

  • Cell voltage measurement
    • 4 cell voltage channels
    • 16-bit sigma-delta ADC with programmable filter
    • 5 mV maximum total measurement error over lifetime
  • Current measurement
    • Synchronous current and voltage measurement
    • 24-bit sigma-delta ADC with programmable filter and PGA
    • 0.5 µV maximum offset error
    • Integrated current accumulator (coulomb counter) both in sleep mode and normal operation mode
  • Auxiliary measurements
    • 9 analog inputs for external NTC thermistor connection
    • 5 stack voltage measurement with integrated voltage dividers
    • 1 battery system current measurement with external shunt resistor (shared with analog input)
  • Integrated comparators for fast (<20 µs) over and wake-up current monitoring
  • Dedicated fault/alert monitor output for fast response
  • Passive cell balancing up to 300 mA (max) with programmable pulse-width modulation in sleep and normal operation mode
  • Charger detection
  • Low-power monitoring
    • Periodic voltage, current, and temperature monitoring
    • 6 configurable, alerts triggered gate control outputs
  • Standard 4-wire 4 MHz SPI subordinate interface
  • 4 V to 28 V power supply range
  • Power consumption (typical and averaged, 13.2 V supply voltage)
    • Normal operation mode (ASIL B): 7 mA
    • Sleep mode (ASIL B): 34 μA
    • Deep sleep mode (QM): 22 μA
  • Package and temperance
    • TA = −40°C to +125°C
  • 48-lead LFCSP_SS package with exposed pad
  • Hot plug tolerant
  • AEC-Q100 qualified for automotive applications

The ADBMS1804B is a multicell battery stack monitor that measures up to four series connected battery cells with a total measurement error of less than 5 mV. The cell measurement range of 0 V to 5 V makes the ADBMS1804B suitable for most battery chemistries. The ADBMS1804B includes one battery stack current measurement channel, which can support synchronous current and voltage measurement. A programmable gain amplifier (PGA) features adjustment of the various current levels based on the target current range in the application.

The ADBMS1804B can be powered directly from the battery stack. The ADBMS1804B includes passive balancing for each cell, with individual pulse-width modulation (PWM) duty cycle control for each cell. The ADBMS1804B features dedicated alert output pins to indicate fault state, which makes the system robust and quick to response. The ADBMS1804B also includes six configurable, alerts triggered gate control outputs.

Other features of the ADBMS1804B include on-chip 3.3 V and 5 V regulator, nine general-purpose analog inputs for external negative temperature coefficient (NTC) thermistor connection with a voltage bias to support the ratio measurement, five stack voltage measurement channels of up to 40 V with integrated voltage dividers, and an option to measure battery system current consumption via an additional shunt resistor.

Applications

  • 12 V vehicle starter and backup battery

Complete documentation is available upon completion of a Non-Disclosure Agreement (NDA). Send your project details, company information and contact by e-mail to CBMS_Doc_Req@analog.com. Additional support is available from your Analog Devices local sales.

ADBMS1804B
Multicell Battery Monitor With Current Sense Data Sheet
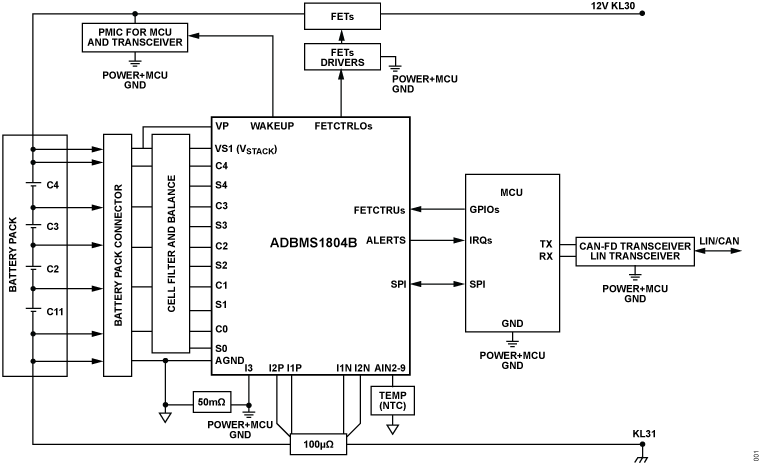
ADBMS1804B Functional Block Diagram ADBMS1804B Pin Configuration
myAnalogに追加

myAnalogの製品セクション(通知受け取り)、既存/新規プロジェクトに製品を追加する。

新規プロジェクトを作成
質問する
サポート

アナログ・デバイセズのサポート・ページはアナログ・デバイセズへのあらゆるご質問にお答えするワンストップ・ポータルです。


ドキュメント

さらに詳しく
myAnalogに追加

myAnalogのリソース・セクション、既存/新規プロジェクトにメディアを追加する。

新規プロジェクトを作成

ソフトウェア・リソース

必要なソフトウェア/ドライバが見つかりませんか?

ドライバ/ソフトウェアをリクエスト

最新のディスカッション

ADBMS1804Bに関するディスカッションはまだありません。意見を投稿しますか?

EngineerZone®でディスカッションを始める

最近表示した製品