MAX25460

新規設計には非推奨

USB保護/ホスト・チャージャ・アダプタ・エミュレータ付きオートモーティブ1.5A降圧コンバータ

利用上の注意

本データシートの英語以外の言語への翻訳はユーザの便宜のために提供されるものであり、リビジョンが古い場合があります。最新の内容については、必ず最新の英語版をご参照ください。

なお、日本語版のデータシートは基本的に「Rev.0」(リビジョン0)で作成されています。そのため、英語版が後に改訂され、複数製品のデータシートがひとつに統一された場合、同じ「Rev.0」の日本語版のデータシートが異なる製品のデータシートとして表示されることがあります。たとえば、「ADM3307E」の場合、日本語データシートをクリックすると「ADM3311E」が表示されます。これは、英語版のデータシートが複数の製品で共有できるように1本化され、「ADM3307E/ADM3310E/ADM3311E/ADM3312E/ADM3315E」(Rev.J)と改訂されたからで、決して誤ってリンクが張られているわけではありません。和文化されたデータシートを少しでも有効に活用していただくためにこのような方法をとっておりますので、ご了解ください。

アナログ・デバイセズ社は、提供する情報が正確で信頼できるものであることを期していますが、その情報の利用に関して、あるいはその利用によって生じる第三者の特許やその他の権利の侵害に関して一切の責任を負いません。また、アナログ・デバイセズ社の特許または特許の権利の使用を明示的または暗示的に許諾するものでもありません。仕様は予告なしに変更する場合があります。本紙記載の商標および登録商標は、各社の所有に属します。

Viewing:

製品情報

  • 車載バッテリからポータブル・デバイスまで直接つなぐワンチップType-Aソリューション
    • 1GHz帯域幅のUSB 2.0データ・スイッチ
    • 動作電圧:4.5V~28V(40Vロード・ダンプ)
    • 出力能力:5V~6V、1.5A
  • ポータブル・デバイスに最適なUSB充電と通信
    • ユーザによる設定が可能な電圧ゲインにより、最大474mΩのケーブル抵抗に合わせて出力を調整
    • ユーザによる設定が可能なUSB電流制限
    • USB BC1.2 CDPモードとSDPモードをサポート
    • USB On-the-Go仕様およびApple CarPlay®に対応
  • 低ノイズ機能によりAM帯域やポータブル・デバイスへの干渉を防止
    • 固定周波数2.2MHzでの動作
    • 無負荷時の固定パルス幅変調(PWM)オプション
    • スペクトラム拡散による電磁干渉(EMI)の低減
    • 周波数待機用のSYNC入出力
  • 堅牢な設計によってオートモーティブ環境の車両システムとポータブル・デバイスの安全を確保
    • VBUS、HVD±ピンのバッテリ短絡保護
    • I2Cバス経由の高度な診断
    • ±15kV気中/±8kV接触ISO 10605(330pF、2kΩ)*
    • ±15kV気中/±8kV接触IEC
    • 61000-4-2(150pF、330Ω)*
    • 過熱からの保護と警告
    • 動作温度範囲:-40℃~+125℃

MAX25460は、1.5Aの高効率オートモーティブ・グレード降圧コンバータ、USB BC1.2ホスト・チャージャ・エミュレータ、およびオートモーティブUSB 2.0ホスト・アプリケーション向け高帯域幅USB保護スイッチを備えています。このデバイスには、USB負荷電流検出アンプと、オートモーティブ・アプリケーションで発生しがちなキャプティブ・ケーブルの電圧降下に対して自動USB電圧補償を行う、設定可能なフィードバック調整回路も内蔵されています。このデバイスは、固定内部ピーク電流閾値とユーザ設定可能な外部電流検出USB負荷閾値の両方を使用して、USB負荷電流を制限します。

MAX25460は2.2MHz動作向けに最適化されているため、アプリケーションの条件に基づいて効率、ノイズ、基板スペースを最適化できます。DC/DCコンバータにはハイサイドMOSFETが内蔵されており、整流には順方向電圧降下が低いフリーホイール・ショットキー・ダイオードが使用されています。軽負荷時に固定周波数を維持するために、小さなローサイドnチャンネル・スイッチがあります。このICは外部SYNC入出力を備えており、スペクトラム拡散動作用に設定できます。MAX25460は、スタンドアロン・アプリケーションと監視対象アプリケーションの両方で柔軟な設定と高度な診断オプションを使用できます。このデバイスは、外付けのプログラミング抵抗や、I2Cバスを通じた内部I2C抵抗を使用してプログラムできます。

MAX25460は4mm x 5mmの小型24ピンTQFNパッケージを採用し、必要な外付け部品とレイアウト面積を最小限に抑えるように設計されています。

アプリケーション

  • 車載用のラジオおよびナビゲーション
  • ホスト・アプリケーションおよびハブ・アプリケーション用のUSBポート
  • オートモーティブ・コネクティビティ/テレマティックス

MAX25460
USB保護/ホスト・チャージャ・アダプタ・エミュレータ付きオートモーティブ1.5A降圧コンバータ
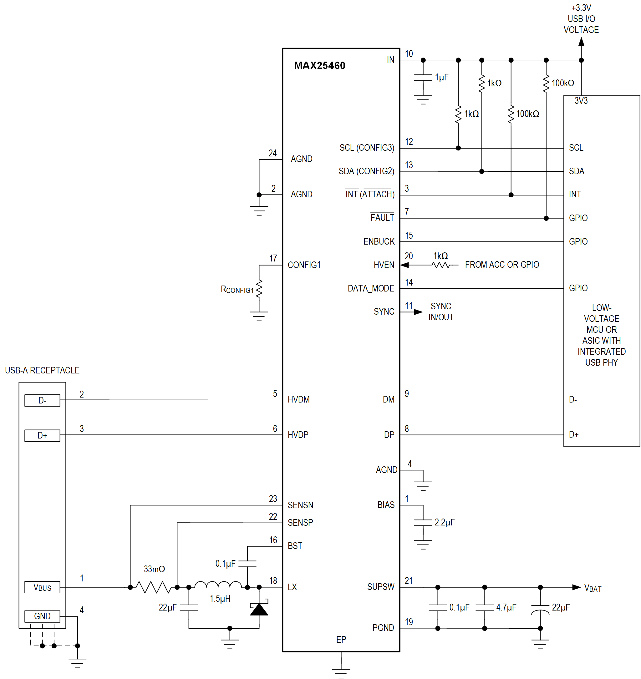
MAX25460 Detailed Block Diagram MAX25460 Simplified Block Diagram MAX25460 Typical Application Circuit MAX25460 TQFN Pin Configuration
myAnalogに追加

myAnalogの製品セクション(通知受け取り)、既存/新規プロジェクトに製品を追加する。

新規プロジェクトを作成
質問する
サポート

アナログ・デバイセズのサポート・ページはアナログ・デバイセズへのあらゆるご質問にお答えするワンストップ・ポータルです。


ドキュメント

さらに詳しく
myAnalogに追加

myAnalogのリソース・セクション、既存/新規プロジェクトにメディアを追加する。

新規プロジェクトを作成

ソフトウェア・リソース

必要なソフトウェア/ドライバが見つかりませんか?

ドライバ/ソフトウェアをリクエスト

評価用キット

eval board
MAX25460EVKIT

MAX25460の評価用キット

機能と利点

  • 設定可能な充電検出モード
    • USB-IF BC1.2 SDP、CDP
  • 内蔵DC/DCコンバータによる自動USB電圧調整
  • 実績のあるPCBレイアウト
  • 組み立てとテストが完了済み

製品詳細

この評価用キット(EVキット)は、1GHz BW USB 2.0 D+/D-保護スイッチを備えたオートモーティブUSB Type-AコントローラであるMAX25460の性能を実証します。MAX25460は、USB 2.0およびUSBIF BC1.2バッテリ充電仕様に準拠したポート検出回路を備えた大電流、高効率のホスト・チャージャを備えています。降圧DC/DCコンバータは最大28Vの連続電圧で動作し、最大40Vのロード・ダンプ・トランジェントから保護します。このコンバータは2.2MHzでスイッチングし、連続で1.5A、最長1.1msで2.4Aを供給できます。MAX25460には、ハイサイド電流検出と、USB電圧を自動的に調整して長いオートモーティブ・ケーブルにおける電圧降下を補償する回路が内蔵されています。

このEVキットには、MAX25460ATGA/V+の2.2MHz動作向け製品タイプが搭載されています。MAX25460の高速データ・スイッチは通常、ファー・アイ・チューニングを必要としないため、EVキットにはLCターン回路の代わりに0Ω抵抗が実装されています。

このEVキットを使用すると、MAX25460の下記の機能を評価できます。

  • 調整可能な降圧コンバータの高精度電流制限によるシステム性能の向上。
  • 調整可能な電流制限バウンス防止タイマーによる過電流テストとシステムの柔軟性。
  • 調整可能なゲイン設定による最大474mΩの低コストのキャプティブ・ケーブルに対するケーブル補償。
  • スペクトラム拡散スイッチングを使用した電磁干渉(EMI)の軽減。
  • 障害時のシステムに関する意思決定の改善につながる、詳細な割込みおよび障害ステータスによる多層保護と回復の実現。

MAX25460EVKIT
MAX25460の評価用キット
MAX25460EVKIT Board Photo Angle MAX25460EVKIT Board Photo Top MAX25460EVKIT Board Photo Bottom

最新のディスカッション

MAX25460に関するディスカッションはまだありません。意見を投稿しますか?

EngineerZone®でディスカッションを始める

最近表示した製品