MAX17793
新規設計に推奨3V~80V、3A、高効率、同期整流式降圧DC/DCコンバータ
- 製品モデル
- 2
- 1Ku当たりの価格
- 最低価格:$3.64
製品情報
- ソリューションのサイズとコストを削減- ショットキー不要の同期整流動作
- 内部補償部品
- 全セラミック・コンデンサ、小型レイアウト
- 可変出力範囲:0.6V~VINの90%
- 外部クロック同期を備えた可変周波数:300kHz~1.5MHz
- 対称INピンによるEMI
- 18ピンFC2QFNパッケージ(4mm × 4mm)
 
- 消費電力を低減- ピーク効率:91%(VIN = 48VおよびVOUT = 5V)
- スイッチング周波数変調(SFM)モードにより軽負荷効率の向上
- 外部バイアス入力により効率の向上
 
- チップ温度監視
- 過酷な産業環境で信頼性の高い動作- ヒカップ・モード過負荷保護内蔵
- 設定可能なソフトスタート
- 出力電圧監視内蔵(RESET/TJピン)
- 設定可能なEN/UVLO閾値
- CISPR32(EN55032)Class B伝導および電磁放射に適合
- 高い産業用動作周囲温度範囲:-40℃~+125℃/ジャンクション温度範囲:-40℃~+150℃
 
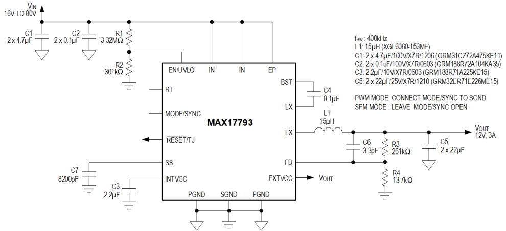
MAX17793はMOSFETを内蔵した高効率、高電圧、同期整流式降圧DC/DCコンバータで、3V~80Vの入力電圧範囲で動作します。このデバイスは最大3Aの電流を供給可能で、0.6V~VINの90%の範囲の出力電圧を生成します。
このデバイスは、デバイスを強制パルス幅変調(PWM)またはスイッチング周波数変調(SFM)動作モードにプログラムするため、および内部クロックを外部クロックに同期させるために使用できるMODE/SYNCピンを備えています。このデバイスは、コンバータをオン/オフさせる所望の入力電圧をプログラムするためのイネーブル/入力低電圧ロックアウト(EN/UVLO)ピンを提供します。また、このデバイスは起動時の突入電流を低減するためのソフトスタート(SS)ピンも備えています。さらに、このデバイスはRESET/TJピンも備えており、出力電圧の状態またはチップ温度のいずれかの監視に使用できます。チップ温度モニタにより、理論上の推定に依存するのではなくシリコン・チップの温度を直接測定することが可能になるため、堅牢で、高信頼性の電源設計が実現します。
アプリケーション
- 産業用機器、航空電子工学機器、および重機
- ファクトリ/ビルオートメーション
- モータ・コントロール
- 汎用電源
ソフトウェア・リソース
必要なソフトウェア/ドライバが見つかりませんか?
ドライバ/ソフトウェアをリクエストツールおよびシミュレーション
EE-Sim® パワー・ツール 1
EE-Sim DC/DC変換ツールは、ユーザの条件を利用し、回路図、市販部品を含む部品表、時間および周波数領域のシミュレーションなどを完備した電源設計を短時間で作成します。SIMPLISおよびSIMetrix SPICEエンジンを使った、スタンドアロンのEE-Sim OASISシミュレータで、カスタマイズした回路図をダウンロードし、さらなる分析が可能です。
EE-Simを今すぐ開始評価用キット
最新のディスカッション
MAX17793に関するディスカッションはまだありません。意見を投稿しますか?
EngineerZone®でディスカッションを始める 
                             
                                 
                                                