Overview
Design Resources
Design & Integration File
- Schematic
- Bill of Materials
- Gerber Files
- PADS Files
- Assembly Drawing
Evaluation Hardware
Part Numbers with "Z" indicate RoHS Compliance. Boards checked are needed to evaluate this circuit.
- EVAL-CFTL-6V-PWRZ ($23.01) Wall Power Supply for Eval Board
- EVAL-CN0235-SDPZ ($121.82) Fully Isolated Lithium Ion Battery Monitoring and Protection System
- EVAL-SDP-CB1Z ($134.00) Eval Control Board
Device Drivers
Software such as C code and/or FPGA code, used to communicate with component's digital interface.
AD7280A GitHub no-OS Driver Source Code
AD7280A IIO Lithium Ion Battery Monitoring System GitHub Linux Driver Source Code
Features & Benefits
- Measure up to 48 battery channels
- 1.6mV Cell Voltage Accuracy
- Alarm interrupts for different voltage conditions
- Battery cell balancing for load sharing
- Lithium battery management system
Product Categories
Markets and Technologies
Parts Used
Documentation & Resources
-
CN0235 Software User Guide10/18/2018WIKI
-
MT-101: Decoupling Techniques2/14/2015PDF954 kB
-
MT-031: Grounding Data Converters and Solving the Mystery of "AGND" and "DGND"3/20/2009PDF144 kB
-
CN0235: Fully Isolated Lithium Ion Battery Monitoring and Protection System6/13/2012PDF849 kB
Circuit Function & Benefits
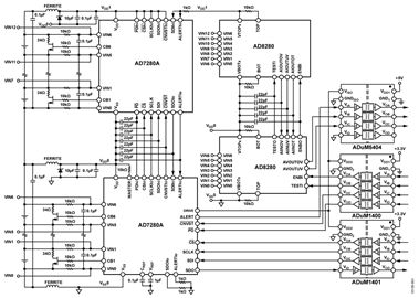
Lithium ion (Li-Ion) battery stacks contain a large number of individual cells that must be monitored correctly in order to enhance the battery efficiency, prolong the battery life, and ensure safety. The 6-channel AD7280A devices in the circuit shown in Figure 1 act as the primary monitor providing accurate voltage measurement data to the System Demonstration Platform (SDP-B) evaluation board, and the 6-channel AD8280 devices act as the secondary monitor and protection system. Both devices can operate from a single wide supply range of 8 V to 30 V and operate over the industrial temperature range of −40°C to +105°C.
The AD7280A contains an internal ±3 ppm reference that allows a cell voltage measurement accuracy of ±1.6 mV. The ADC resolution is 12 bits and allows conversion of up to 48 cells within 7 μs.
The AD7280A has cell balancing interface outputs designed to control external FET transistors to allow discharging of individual cells and forcing all the cells in the stack to have identical voltages.
The AD8280 functions independently of the primary monitor and provides alarm functions indicating out of tolerance conditions. It contains its own reference and LDO, both of which are powered completely from the battery cell stack. The reference, in conjunction with external resistor dividers, is used to establish trip points for the over/undervoltages. Each cell channel contains programmable deglitching (D/G) circuitry to avoid alarming from transient input levels.
The AD7280A and AD8280, which reside on the high voltage side of the battery management system (BMS) have a daisychain interface, which allows up to eight AD7280A’s and eight AD8280’s to be stacked together and allows for 48 Li-Ion cell voltages to be monitored. Adjacent AD7280A's and AD8280’s in the stack can communicate directly, passing data up and down the stack without the need for isolation.
The master devices on the bottom of the stack use the SPI interface and GPIOs to communicate with the SDP-B evaluation board, and it is only at this point that high voltage galvanic isolation is required to protect the low voltage side of the SDP-B board. The ADuM1400, ADuM1401 digital isolator, and the ADuM5404 isolator with integrated dc-to-dc converter combine to provide the required eleven channels of isolation in a compact and cost effective solution. The ADuM5404 also provides isolated 5 V to the VDRIVE input of the lower AD7280A and the VDD2 supply voltage for the ADuM1400 and ADuM1401 isolators.

Circuit Description
The AD7280A is a complete data acquisition system that includes a high voltage input multiplexer, a low voltage input multiplexer, a 12-bit, 1 μs SAR ADC, and on-chip registers for channel sequencing. The HV MUX is used to measure the series connected Li-Ion battery cells as shown in Figure 1. The LV MUX provides single-ended ADC inputs that can be used with external thermistors to measure the temperature of each battery cell; or, if temperature measurements are not required, the auxiliary ADC inputs can be used to convert any other 0 V to 5 V input signal. A precision 2.5 V reference and an on-chip voltage regulator is also included.
The AD8280 is a hardwire-only safety monitor for lithium ion battery stacks. In conjunction with the AD7280A, the AD8280 provides a low cost, redundant, battery backup monitor with adjustable threshold detection and shared or separate alarm outputs. It has a self-test feature, making it suitable for high reliability applications, such as automotive hybrid electric vehicles or higher voltage industrial usage, such as uninterruptible power supplies. Both the AD7280A and the AD8280 obtain power from the battery cells they monitor.
The ADuM5404 includes an integrated dc-to-dc converter, which is used to power the high voltage side of the ADuM1400 and ADuM1401 isolators and provide the VDRIVE supply to the AD7280A SPI interface. These 4-channel, magnetically isolated circuits are a safe, reliable, and easy-to-use alternative to optocouplers.
To optimize the performance of the daisy-chain communication under noisy conditions, for example, when experiencing electromagnetic interference, the daisy-chain signals are shielded on an inner layer of the printed circuit board (PCB). Shielding is provided above and below by a VSS supply plane, which is connected to the VSS pin of the upper device in the chain. Figure 2 shows the top layer of the EVAL-CN0235-SDPZ PCB, which contains the upper shielding for the AD7280A, and Figure 5 shows the bottom layer, which contains the upper shielding for the AD8280. Figure 3 shows the inner layer (layer 2), which contains the shielded daisy-chain signals, and the shielding below is carried out on Layer 3 as shown in Figure 4. Individual 22 pF capacitors are placed on each daisy-chain connection and are terminated to either the VSS pin of the upper device or the VDD pin of the lower device, depending on the direction in which data is flowing on the daisy chain. The PD, CS, SCLK, SDI, and CNVST daisy-chain connections pass data up the chain, and the 22 pF capacitors on these pins are terminated to the VSS of the upper device in the chain.




The SDOlo and ALERTlo daisy-chain connections pass data down the chain, and the 22 pF capacitors on these pins are terminated to the VDD of the lower device in the chain. A direct low impedance trace is used to connect the VDD of the lower device with the VSS of the upper device to hold the two potentials as close as possible together in a noisy environment.
A ground fence at the isolation barrier is used to enclose the low voltage side, which consists of the left hand side of the PCB. This fence consists of a guard ring laced together by vias and connects to the digital ground on all layers throughout the board. Noise on power and ground planes that reach the edge of the circuit board can radiate causing emissions, but with this shielded structure the noise is reflected back.
Input-to-output dipole radiation can also be generated when driving a current source across a gap between ground planes. To help minimize this, a continuous shield is used at the isolation gap whereby the ground planes are extended on all layers throughout the PCB to create a cross-barrier coupling using overlapping shields; and the isolation gap on each layer is kept to a minimum, with a gap of 0.008 inches used on the tested board. For further recommendations to control radiated emissions with isoPower® devices, such as the ADuM5404 used in this circuit, please refer to Application Note AN-0971.
Test Results
An important measure of the performance of the circuit is the amount of noise in the final output voltage measurement.
Figure 6 shows a histogram of 10,000 measurement samples taken for the VIN3−VIN2 channel. This data was taken with the CN0235 Evaluation Board connected to the EVAL-SDP-CB1Z System Demonstration Platform (SDP-B) evaluation board. Details of the setup are described in the Circuit Evaluation and Test section of this circuit note.
Twelve Li-Ion batteries were connected to the input screw terminals. Note that there are only a small percentage of codes that fall outside the primary bin due to noise. Figure 6 and Figure 7 show 3 LSBs peak-to-peak noise, corresponding to approximately 0.5 LSBs rms.
A complete design support package for this circuit note can be found at www.analog.com/CN0235-DesignSupport.


Common Variations
The circuit is proven to work with good stability and accuracy. Other combinations of isolated channels can be used with the iCoupler isolation products.
Circuit Evaluation & Test
This circuit uses the EVAL-CN0235-SDPZ circuit board and the EVAL-SDP-CB1Z System Demonstration Platform (SDP-B) evaluation board. The two boards have 120-pin mating connectors, allowing for the quick setup and evaluation of the circuit’s performance. The EVAL-CN0235-SDPZ board contains the circuit to be evaluated, as described in this note, and the SDP-B evaluation board is used with the CN0235 evaluation software to capture the data from the EVAL-CN0235-SDPZ circuit board.
Equipment Needed
- PC with a USB port and Windows® XP or Windows Vista® (32-bit), or Windows® 7 (32-bit)
- EVAL-CN0235-SDPZ circuit evaluation board
- EVAL-SDP-CB1Z SDP-B evaluation board
- CN0235 SDP evaluation software
- Power supply: +6 V, or +6 V “wall wart”
- Li-Ion batteries or precision dc supply
Getting Started
Load the evaluation software by placing the CN0235 Evaluation Software disc in the CD drive of the PC. Using "My Computer," locate the drive that contains the evaluation software.
Functional Block Diagram
See Figure 1 of this circuit note for the circuit block diagram, and the file “EVAL-CN0235-SDPZ-SCH-RevA.pdf ” for the circuit schematics. This file is contained in the CN0235 Design Support Package.
Setup
Connect the 120-pin connector on the EVAL-CN0235-SDPZ circuit board to the connector marked “CON A” on the EVAL-SDP-CB1Z evaluation (SDP-B) board. Nylon hardware should be used to firmly secure the two boards, using the holes provided at the ends of the 120-pin connectors. With power to the supply off, connect a +6 V power supply to the pins marked “+6 V” and “GND” on the board. If available, a +6 V "wall wart" can be connected to the barrel connector on the board and used in place of the +6 V power supply. The only other connections required are to the lithium ion battery stack. The battery stack can be simulated with a resistor divider, which is driven by a precision dc supply voltage. Connect the USB cable supplied with the SDP-B board to the USB port on the PC. Note: Do not connect the USB cable to the mini USB connector on the SDP-B board at this time.
Test
Apply power to the +6 V supply (or “wall wart”) connected to EVAL-CN0235-SDPZ circuit board. Launch the evaluation software and connect the USB cable from the PC to the USB mini-connector on the SDP-B board.
Once USB communications are established, the SDP-B board can be used to send, receive, and capture serial data from the EVAL-CN0235-SDPZ board.
Information regarding the SDP-B board can be found in the SDP-B User Guide.

