banner background image

Energy Storage Systems

Our ESS solutions enable reliably achievable applications such as peak shaving, self-consumption optimization, and backup power in the event of outages.

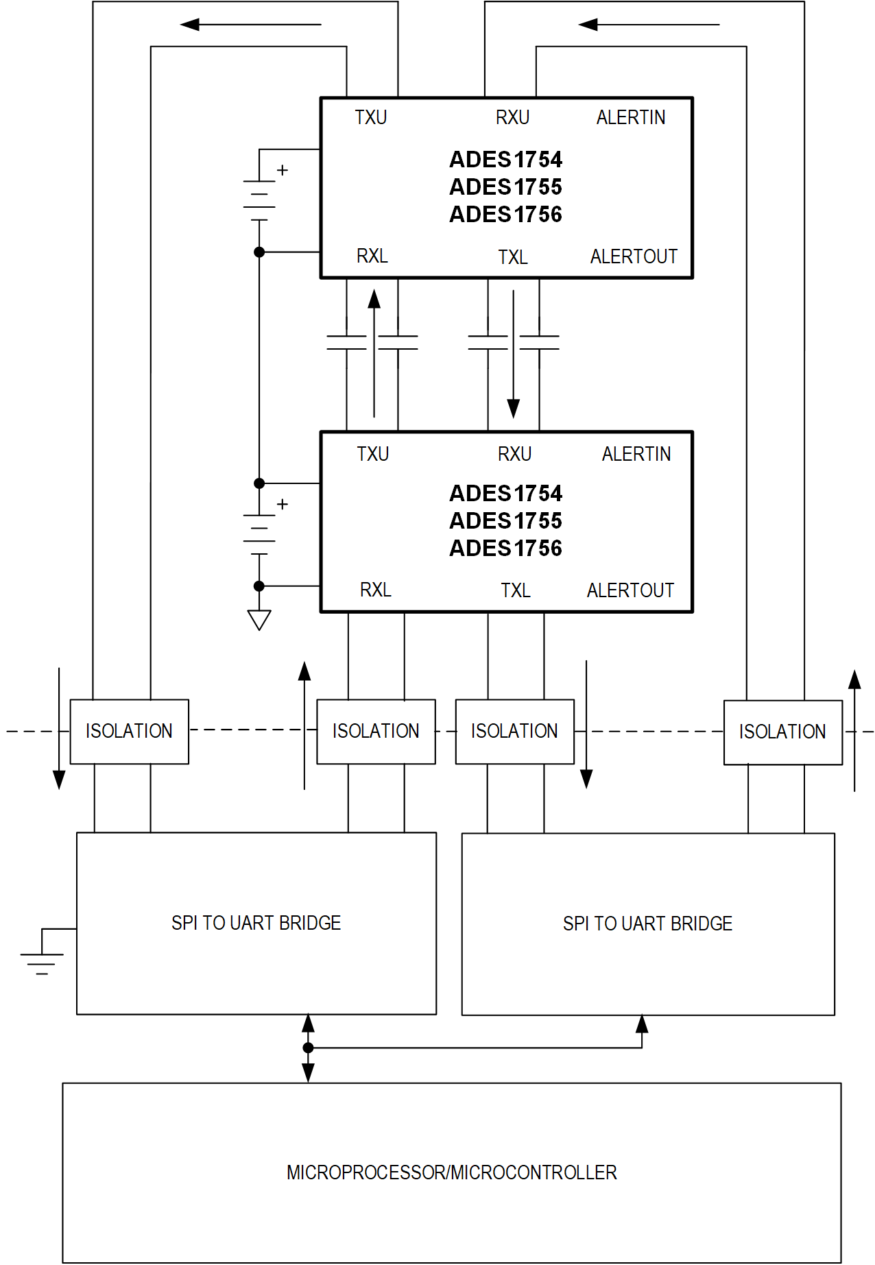
For battery ESS, our technology-leading Battery Management Systems (BMS) solutions deliver high-accuracy voltage monitoring, current monitoring, and cell balancing utilizing precision multi-cell stack monitors along with either isolated SPI or wireless communication implementations.

In high-voltage, high-power conversion systems, we offer a broad range of digital isolators, isolated transceivers, isolated A/D converters, and isolated gate drivers capable of driving both silicon and Wide Band Gap FETs (Silicon Carbide and GaN) at maximum speed and frequency, thus achieving exceptional efficiency targets.

 

Value and Benefits

Our ESS solutions provide precision battery measurement across multiple battery chemistries and the highest efficiency power conversion while addressing the stringent demands of both high reliability and longevity.

thumbsupImg Benefits

Support many battery chemistries and multipack systems

thumbsupImg Benefits

Maximize storage capacity, performance, and lifetime value

thumbsupImg Benefits

Achieve functional safety

Featured Products

Show More

Arrow image

Signal Chains

(4)

Click on a section in the diagram below to view available parts.

Evaluation Boards

buy sample product image
DC2049A
LT3999EMSE Isolated Demo Board | Dual Output Push-Pull Transformer Driver, 10V ≤ VIN ≤ 15.5V; VOUT = ±12V @ 0.2A

Show More

Arrow image
carousel title icon
Training and Support

Trainings and Tutorials

Title
Subtitle
Learn More
Add to myAnalog

Add article to the Resources section of myAnalog, to an existing project or to a new project.

Create New Project

ADI Support

Let us know what you need help with, and we will share the best answers from the ADI knowledge database.

button icon

Get Help