MAX8645Y

1x/1.5x/2x White LED Charge Pumps with Two LDOs in 4mm x 4mm TQFN

Viewing:

Overview

  • Power Up to Eight LEDs
    • Up to 30mA/LED Drive for Backlight
    • Up to 400mA Total Drive for Flash
  • Two Internal Low-Noise 200mA LDOs
  • 94% Max/85% Avg Efficiency (PLED/PBATT) over Li+ Battery Discharge
  • 0.2% Typical LED Current Matching
  • Adaptive 1x/1.5x/2x Mode Switchover
    • Single-Wire, Serial-Pulse Interface for Brightness Control (32 Steps)
    • 2-Bit Logic (Three Levels)
  • Thermal TA Derating Function
  • Low Input Ripple and EMI
  • 2.7V to 5.5V Supply Voltage Range
  • Soft-Start, Overvoltage, and Thermal-Shutdown Protection
  • 28-Pin TQFN, 4mm x 4mm Package

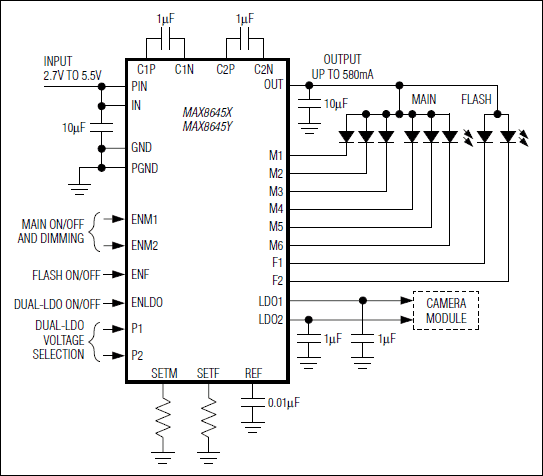
The MAX8645X/MAX8645Y charge pumps drive up to eight white LEDs with regulated constant current for uniform intensity. The main group of LEDs (M1–M6) can be driven up to 30mA per LED for backlighting. The flash group of LEDs (F1 and F2) is independently controlled and can be driven up to 200mA per LED (or 400mA total). Two 200mA LDOs are on-board to provide power for camera functions. The LDOs' output voltages are pin programmable to meet different camera-module requirements. The MAX8645X and MAX8645Y differ only in LDO output voltages. By utilizing adaptive 1x/1.5x/2x charge-pump modes and very-low-dropout current regulators, the MAX8645X/MAX8645Y achieve high efficiency over the full 1-cell lithium-battery voltage range. The 1MHz fixed-frequency switching allows for tiny external components, and the regulation scheme is optimized to ensure low EMI and low input ripple.

The MAX8645X/MAX8645Y are available in a 28-pin TQFN, 4mm x 4mm (0.8mm max height) lead-free package.

MAX8645Y
1x/1.5x/2x White LED Charge Pumps with Two LDOs in 4mm x 4mm TQFN
MAX8645X, MAX8645Y: Typical Operating Circuit
Add to myAnalog

Add product to the Products section of myAnalog (to receive notifications), to an existing project or to a new project.

Create New Project
Ask a Question

Documentation

Learn More
Add to myAnalog

Add media to the Resources section of myAnalog, to an existing project or to a new project.

Create New Project

Software Resources

Can't find the software or driver you need?

Request a Driver/Software

Hardware Ecosystem

Parts Product Life Cycle Description
LED Drivers 11
MAX1576 PRODUCTION 480mA White LED 1x/1.5x/2x Charge Pump for Backlighting and Camera Flash
MAX1582 Obsolete High-Efficiency Step-Up Converters for White LED Main and Subdisplay Backlighting
MAX1575 Obsolete White LED 1x/1.5x Charge Pump for Main and Sub-Displays
MAX1561 PRODUCTION High-Efficiency, 26V Step-Up Converters for Two to Six White LEDs
MAX1599 PRODUCTION High-Efficiency, 26V Step-Up Converters for Two to Six White LEDs
MAX8595 LAST TIME BUY High-Efficiency, 36V Step-Up Converters with TA Derating Option for 2 to 9 White LEDs
MAX8596 Obsolete High-Efficiency, 36V Step-Up Converters with TA Derating Option for 2 to 9 White LEDs
MAX1573 PRODUCTION White LED 1x/1.5x Charge Pump in UCSP and Thin QFN
MAX1574 PRODUCTION 180mA, 1x/2x, White LED Charge Pump in 3mm x 3mm TDFN
MAX8631X 1x/1.5x/2x White LED Charge Pump with Two LDOs in 4mm x 4mm Thin QFN
MAX8631Y 1x/1.5x/2x White LED Charge Pump with Two LDOs in 4mm x 4mm Thin QFN
Modal heading
Add to myAnalog

Add product to the Products section of myAnalog (to receive notifications), to an existing project or to a new project.

Create New Project

Latest Discussions

No discussions on MAX8645Y yet. Have something to say?

Start a Discussion on EngineerZone®

Recently Viewed