MAX77789

RECOMMENDED FOR NEW DESIGNS

14VIN, 3AOUT 1-Cell Charger with Integrated USB Type-C Detection, DRP and OTG

The MAX77789 is a standalone, 3.15A charger with integrated USB Type-C® CC detection and reverse boost capability.

Viewing:

Overview

  • Up to 16V Protection
  • 13.4V Maximum Input Operating Voltage
  • 3.15A Maximum Charging Current
  • 6A Discharge Current Protection
  • Integrated CC Detection for USB Type-C
  • Supporting Dual Role Port (DRP)
  • DP/DN Manual Control for the HVDCP
  • Integrated BC1.2 Detection for Legacy SDP, DCP, CDP, and DCD Timeout
  • Integrated USB Detection for Common Proprietary Charger Types
  • Automatic Input Current Limit Configuration
  • Input Voltage Regulation with Adaptive Input Current Limit (AICL)
  • 5.1V, 1.5A OTG Mode and BYP Reverse Boost
  • Safety
    • Charge Safety Timer
    • JEITA Compliance with NTC Thermistor Monitor
    • Thermal Shutdown
  • Pin Control of all Functions
    • STAT1 Pin to Indicate Charging Status
    • STAT2 Pin to Indicate Fault and Charger Type Detection Complete
    • INOKB Pin to Indicate Input Power-OK
    • EXTSM Pin to Exit Ship Mode and System POR
    • STBY Pin to Support Suspend Mode
    • THM Pin to Monitor Thermistor
  • Integrated Power Path
  • Integrated Battery True-Disconnect FET
  • I2C Compatible with INTB
  • 2.85mm x 2.85mm, 6x6 WLP Package

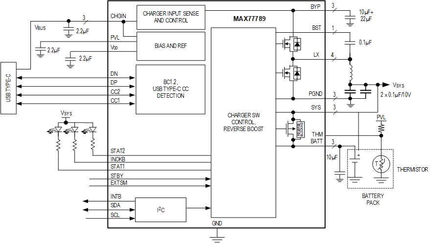
The MAX77789 is a standalone, 3.15A charger with integrated USB Type-C® CC detection and reverse-boost capability. The IC operates with an input voltage of 4.6V to 13.4V and has a maximum input current limit of 3A. The IC also implements the adaptive input current limit (AICL) function that regulates the input voltage by reducing input current, to prevent the voltage of a weak adapter from collapsing or folding back.

The USB Type-C Configuration Channel (CC) detection pins on the IC is operating in DRP (Dual Role Port) as a default and is capable of automatic USB Type-C power source detection and sink devices. To support a variety of legacy USB as well as proprietary adapters, the device also integrates BC1.2 detection using the D+ and D- pins. The IC runs the CC pin and BC1.2 detection automatically as soon as the USB plug is inserted without any software control.

The IC offers reverse-boost capability up to 5.1V, 1.5A, which can be enabled with automatic way or register set by system MCU. The STAT1 pin indicates charging status, while the INOKB pin indicates valid input voltage. The EXTSM pin can be used to exit ship mode and force system to reset (POR), and STAT2 pin indicates fault detection and charger detection done indication by register bit selection.

The IC is equipped with a Smart Power Selector and a battery true-disconnect FET to control the charging and discharging of the battery or isolate the battery in case of a fault. The IC supports Li-ion and LiFePO4 batteries with various termination voltages from 3.6V to 4.55V. The IC comes in a 2.85mm x 2.85mm, 0.4mm pitch, 6 x 6 wafer-level package (WLP) making it suitable for low-cost PCB assembly.

Applications

  • Mobile Point-of-Sale (mPOS) Terminals
  • Portable Medical Devices
  • Wireless Headphones
  • GPS Trackers
  • Charging Cradles for Wearable Devices
  • Power Banks
  • Mobile Routers

MAX77789
14VIN, 3AOUT 1-Cell Charger with Integrated USB Type-C Detection, DRP and OTG
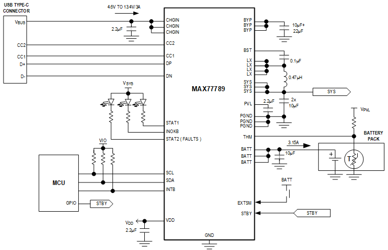
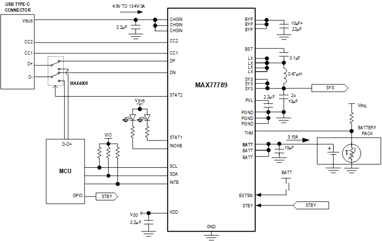
MAX77789 Functional Diagram MAX77789 Pin Configuration MAX77789 Simplified Block Diagram MAX77789 Typical Application Circuit MAX77789 Typical Application Circuit
Add to myAnalog

Add product to the Products section of myAnalog (to receive notifications), to an existing project or to a new project.

Create New Project
Ask a Question

Documentation

Learn More
Add to myAnalog

Add media to the Resources section of myAnalog, to an existing project or to a new project.

Create New Project

Software Resources

Can't find the software or driver you need?

Request a Driver/Software

Hardware Ecosystem

Parts Product Life Cycle Description
MAX77787 RECOMMENDED FOR NEW DESIGNS 3.15A USB Type-C Autonomous Charger with JEITA for 1-Cell Li-ion/LiFePO4 Batteries
Modal heading
Add to myAnalog

Add product to the Products section of myAnalog (to receive notifications), to an existing project or to a new project.

Create New Project

Tools & Simulations

Software Development 1


Evaluation Kits

eval board
MAX77789EVKIT

MAX77789 Evaluation Kit

Features and Benefits

  • Evaluates the MAX77789 USB Type-C Autonomous Charger for Single Cell Li-Ion Battery
  • 4.6V to 13.4V Input Operating Range
  • Supports Charging Current Up to 3.15A
  • Demonstrates 5V, 1.5A OTG Mode, and BYP Reverse Boost
  • Includes On-Board Thermistor Options to Validate JEITA Compliance
  • Demonstrates USB Type-C Power Source Detection and Sink Devices
  • Demonstrates Spread Spectrum
  • Easy Evaluation of Factory Ship Mode
  • MAXUSB_INTERFACE# Allows Easy Communication with a Windows PC
  • GUI Software that Drives the I2C Serial Interface for Optional Software Control

Product Details

The MAX77789 evaluation kit (EV kit) is a fully assembled and tested printed circuit board (PCB) that evaluates the MAX77789, standalone 3.15A USB Type-C® and I2C configurable charger in WLP Package.

The MAX77789 EV kit includes the IC evaluation board, USB micro-B cable, and MAXUSB_INTERFACE# board. The MAXUSB_INTERFACE# board allows the use of Windows® based graphical user interface (GUI) software with the EV kit and can be downloaded from the MAX77789 webpage (under the Tools & Simulations tab). Windows 7 or newer Windows operating system is required to use the EV kit software.

MAX77789EVKIT
MAX77789 Evaluation Kit
MAX77789EVKIT Evaluation Board MAX77789EVKIT Evaluation Board - Top View MAX77789EVKIT Evaluation Board - Bottom View

Latest Discussions

Recently Viewed