MAX696

PRODUCTION

Microprocessor Supervisory Circuits

Industry-Standard, Full-Function uP Supervisor

Viewing:

Overview

  • Adjustable Low-Line Monitor and Power-Down Reset
  • Power-OK/Reset Time Delay
  • Watchdog Timer—100ms, 1.6s, or Adjustable
  • Minimum Component Count
  • 1µA Standby Current
  • Battery-Backup Power Switching (MAX696)
  • On-Board Gating of Chip-Enable Signals (MAX697)
  • Separate Monitor for Power-Fail or Low-Battery Warning

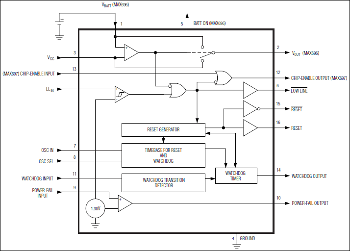
The MAX696/MAX697 supervisory circuits reduce the complexity and number of components required for power-supply monitoring and battery-control functions in microprocessor (µP) systems. These include µP reset and backup-battery switchover, watchdog timer, CMOS RAM write protection, and power-failure warning. The MAX696/MAX697 significantly improve system reliability and accuracy compared to that obtained with separate ICs or discrete components.

The MAX696 and MAX697 are supplied in 16-pin packages and perform six functions:

  1. A reset output during power-up, power-down, and brownout conditions. The threshold for this "lowline" reset is adjustable by an external voltage-divider.
  2. A reset pulse if the optional watchdog timer has not been toggled within a specified time.
  3. Individual outputs for low-line and watchdog fault conditions.
  4. The reset time may be left at its default value of 50ms, or may be varied with an external capacitor or clock pulses.
  5. A separate 1.3V threshold detector for power-fail warning, low-battery detection, or to monitor a power supply other than VCC.
The MAX696 also has battery-backup switching for CMOS RAM, CMOS microprocessor, or other low-power logic.

The MAX697 lacks battery-backup switching, but has write-protection pins (active-low CE IN and active-low CE OUT) for CMOS RAM or EPROM. In addition, it consumes less than 250 microamperes.

Applications

  • Computers
  • Controllers
  • Critical µP Power Monitoring
  • Intelligent Instruments

MAX696
Microprocessor Supervisory Circuits
MAX696, MAX697: Block Diagram
Add to myAnalog

Add product to the Products section of myAnalog (to receive notifications), to an existing project or to a new project.

Create New Project
Ask a Question

Documentation

Learn More
Add to myAnalog

Add media to the Resources section of myAnalog, to an existing project or to a new project.

Create New Project

Software Resources

Can't find the software or driver you need?

Request a Driver/Software

Hardware Ecosystem

Parts Product Life Cycle Description
Supervisory Circuits & Reset ICs 6
MAX6361 PRODUCTION SOT23, Low-Power Microprocessor Supervisory Circuits with Battery Backup
MAX6362 PRODUCTION SOT23, Low-Power Microprocessor Supervisory Circuits with Battery Backup
MAX6363 PRODUCTION SOT23, Low-Power Microprocessor Supervisory Circuits with Battery Backup
MAX6364 PRODUCTION SOT23, Low-Power Microprocessor Supervisory Circuits with Battery Backup
MAX818 PRODUCTION +5V Microprocessor Supervisory Circuits
MAX807 PRODUCTION Full-Featured µP Supervisory Circuit with ±1.5% Reset Accuracy
Modal heading
Add to myAnalog

Add product to the Products section of myAnalog (to receive notifications), to an existing project or to a new project.

Create New Project

Latest Discussions

No discussions on MAX696 yet. Have something to say?

Start a Discussion on EngineerZone®

Recently Viewed