MAX6698
PRODUCTION7-Channel Precision Remote-Diode, Thermistor, and Local Temperature Monitor
- Part Models
- 5
- 1ku List Price
- Starting From $5.28
Overview
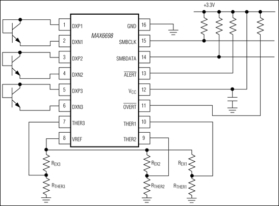
- Three Thermal-Diode Inputs and Three Thermistor Inputs
- Local Temperature Sensor
- 1°C Remote Temperature Accuracy (+60°C to +100°C)
- Temperature Monitoring Begins at POR for Fail-Safe System Protection
- Active-Low ALERT and Active-Low OVERT Outputs for Interrupts, Throttling, and Shutdown
- Small 16-Pin QSOP and 16-Pin TSSOP Packages
- 2-Wire SMBus Interface
The MAX6698 precision multichannel temperature sensor monitors its own temperature, the temperatures of three external diode-connected transistors, and the temperatures of three thermistors. All temperature channels have programmable alert thresholds. Channels 1, 4, 5, and 6 also have programmable overtemperature thresholds. When the measured temperature of a channel exceeds the respective threshold, a status bit is set in one of the status registers. Two open-drain outputs, active-low OVERT and active-low ALERT, assert corresponding to these bits in the status register.
The 2-wire serial interface supports the standard system management bus (SMBus™) protocols: write byte, read byte, send byte, and receive byte for reading the temperature data and programming the alarm thresholds.
The MAX6698 is specified for an operating temperature range of -40°C to +125°C and is available in 16-pin QSOP and 16-pin TSSOP packages.
Applications
- Desktop Computers
- Notebook Computers
- Servers
- Workstations
Documentation
Data Sheet 1
Design Note 2
Technical Articles 3
Device Drivers 1
ADI has always placed the highest emphasis on delivering products that meet the maximum levels of quality and reliability. We achieve this by incorporating quality and reliability checks in every scope of product and process design, and in the manufacturing process as well. "Zero defects" for shipped products is always our goal. View our quality and reliability program and certifications for more information.
| Part Model | Pin/Package Drawing | Documentation | CAD Symbols, Footprints, and 3D Models |
|---|---|---|---|
| MAX6698EE38+ | 16-QSOP-150_MIL | ||
| MAX6698EE38+T | 16-QSOP-150_MIL | ||
| MAX6698UE34+ | Thin Shrink Small-Outline Package | ||
| MAX6698UE38+ | Thin Shrink Small-Outline Package | ||
| MAX6698UE38+T | Thin Shrink Small-Outline Package |
| Part Models | Product Lifecycle | PCN |
|---|---|---|
|
Dec 11, 2018 - 1754N ASSEMBLY |
||
| MAX6698UE34+ | PRODUCTION | |
| MAX6698UE38+ | PRODUCTION | |
This is the most up-to-date revision of the Data Sheet.
Software Resources
Device Drivers 1
Evaluation Software 0
Can't find the software or driver you need?
Latest Discussions
No discussions on MAX6698 yet. Have something to say?
Start a Discussion on EngineerZone®