MAX5550

PRODUCTION

Dual, 10-Bit, Programmable, 30mA High-Output-Current DAC

Viewing:

Overview

  • Pin-Selectable I²C- or SPI-Compatible Interface
  • Guaranteed Low Output Leakage Current in Shutdown (±1µA max)
  • Guaranteed Monotonic over Extended Temperature Range
  • Dual Outputs for Balanced Systems
  • Current Outputs Source Up to 30mA per DAC
  • Parallelable Outputs for 60mA Applications
  • Output Stable with RF Filters
  • Internal or External Reference Capability
  • Digital Output (DOUT) Available for Daisy Chaining in SPI Mode
  • +2.7V to +5.25V Single-Supply Operation
  • 16-Pin (3mm x 3mm) Thin QFN Package
  • Programmable Output Current Range Set by Software and Adjustment Resistor

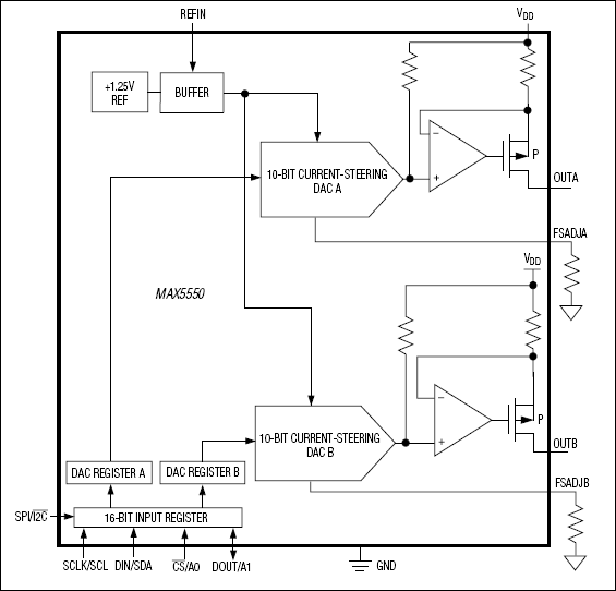
The MAX5550 dual, 10-bit, digital-to-analog converter (DAC) features high-output-current capability. The MAX5550 sources up to 30mA per DAC, making it ideal for PIN diode biasing applications. Outputs can also be paralleled for high-current applications (up to 60mA typ). Operating from a single +2.7V to +5.25V supply, the MAX5550 typically consumes 1.5mA per DAC in normal operation and less than 1µA (max) in shutdown mode. The MAX5550 also features low output leakage current in shutdown mode (±1µA max) that is essential to ensure that the external PIN diodes are off.

Additional features include an integrated +1.25V bandgap reference, and a control amplifier to ensure high accuracy and low-noise performance. A separate reference input (REFIN) allows for the use of an external reference source, such as the MAX6126, for improved gain accuracy. A pin-selectable I²C-/SPI™-compatible serial interface provides optimum flexibility for the MAX5550. The maximum programmable output current value is set using software and an adjustment resistor. The MAX5550 is available in a (3mm × 3mm) 16-pin thin QFN package, and is specified over the extended (-40°C to +85°C) temperature range.

Applications

  • PIN Diode Biasing
  • RF Attenuator Control
  • VCO Tuning

MAX5550
Dual, 10-Bit, Programmable, 30mA High-Output-Current DAC
MAX5550: Functional Block Diagram
Add to myAnalog

Add product to the Products section of myAnalog (to receive notifications), to an existing project or to a new project.

Create New Project
Ask a Question

Documentation

Learn More
Add to myAnalog

Add media to the Resources section of myAnalog, to an existing project or to a new project.

Create New Project

Software Resources

Can't find the software or driver you need?

Request a Driver/Software

Tools & Simulations

Software Development 1


Evaluation Kits

MAX5550EVKIT

Evaluation Kit for the MAX5550 and MAX5548

Features and Benefits

  • Windows 2000/XP/Vista (32-Bit)-Compatible Software
  • Supports SPI™ or I²C interface
  • USB-PC Connection (Cable Included)
  • USB Powered
  • 4-Pin DAC Output Signal Header
  • Accepts Through-Hole Current-Setting Resistors
  • Optional 1.25V On-Board Reference (MAX6161)
  • Proven PCB Layout
  • Lead-Free and RoHS-Compliant
  • Fully Assembled and Tested

Product Details

The MAX5550 evaluation kit (EV kit) provides a proven design to evaluate the MAX5550 dual, 10-bit, programmable, 30mA, high-output-current DACs. The EV kit also includes Windows 2000/XP/Vista®-compatible software that provides a simple graphical user interface (GUI) for exercising the features of the MAX5550.

The MAX5550 EV kit printed-circuit board (PCB) comes with a MAX5550ETE+ installed. Contact the factory for free samples of the pin-compatible MAX5548ETE+.

Applications

  • PIN Diode Biasing
  • RF Attenuator Control
  • VCO Tuning

MAX5550EVKIT
Evaluation Kit for the MAX5550 and MAX5548

Latest Discussions

No discussions on MAX5550 yet. Have something to say?

Start a Discussion on EngineerZone®

Recently Viewed