MAX5122
PRODUCTION+5V/+3V, 12-Bit, Serial, Force/Sense DACs with 10ppm/°C Internal Reference
Industry's First 10ppm/°C Internal Reference 12-Bit DACs
- Part Models
- 3
- 1ku List Price
- Starting From $6.49
Overview
- Single-Supply Operation
- +5V (MAX5122)
- +3V (MAX5123)
- Built-In 10ppm/°C max Precision Bandgap Reference
- +2.5V (MAX5122)
- +1.25V (MAX5123)
- SPI/QSPI/Microwire-Compatible, 3-Wire Serial Interface
- Pin-Programmable Shutdown Mode and Power-Up Reset (0 or Midscale Output Voltage)
- Buffered Output Capable of Driving 5kΩ ||100pF or 4-20mA Loads
- Space-Saving 16-Pin QSOP Package
- Pin-Compatible 13-Bit Upgrades Available (MAX5132/MAX5133)
- Pin-Compatible 14-Bit Upgrades Available (MAX5171/MAX5173)
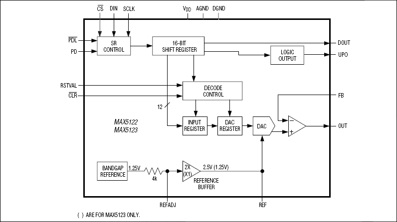
The MAX5122/MAX5123 low-power, 12-bit, voltage-output, digital-to-analog converters (DACs) feature an internal precision bandgap reference and output amplifier. The MAX5122 operates on a single +5V supply with an internal +2.5V reference, and offers a configurable output amplifier. If necessary, the user can override the on-chip, <10ppm/°C voltage reference with an external reference. The MAX5123 has the same features as the MAX5122 but operates from a single +3V supply and has an internal +1.25V precision reference. The user-accessible inverting input and output of the amplifier allows specific gain configurations, remote sensing, and high output drive capability for a wide range of force/sense applications. Both devices draw only 500µA of supply current, which reduces to 3µA in power-down mode. In addition, their power-up reset feature allows for a user-selectable initial output state of either 0V or midscale and reduces output glitches during power-up.
The serial interface is compatible with SPI, QSPI, and MICROWIRE, which makes the MAX5122/MAX5123 suitable for cascading multiple devices. Each DAC has a double-buffered input organized as an input register followed by a DAC register. A 16-bit shift register loads data into the input register. The DAC register may be updated independently or simultaneously with the input register. Both devices are available in a 16-pin QSOP package and are specified for the extended-industrial (-40°C to +85°C) operating temperature range. For pin-compatible 14-bit upgrades, see the MAX5171/MAX5173 data sheet; for the pin-compatible 13-bit version, see the MAX5132/MAX5133 data sheet.
Applications
- Automated Test Equipment (ATE)
- Digital Gain and Offset Control
- General Purpose
- Industrial Process Controls
- Motion Control
Documentation
Data Sheet 1
Technical Articles 3
ADI has always placed the highest emphasis on delivering products that meet the maximum levels of quality and reliability. We achieve this by incorporating quality and reliability checks in every scope of product and process design, and in the manufacturing process as well. "Zero defects" for shipped products is always our goal. View our quality and reliability program and certifications for more information.
| Part Model | Pin/Package Drawing | Documentation | CAD Symbols, Footprints, and 3D Models |
|---|---|---|---|
| MAX5122AEEE+ | 16-QSOP-150_MIL | ||
| MAX5122AEEE+T | 16-QSOP-150_MIL | ||
| MAX5122BEEE+ | 16-QSOP-150_MIL |
| Part Models | Product Lifecycle | PCN |
|---|---|---|
|
Jul 3, 2023 - 2361NA WAFER FAB |
||
| MAX5122AEEE+ | PRODUCTION | |
| MAX5122AEEE+T | PRODUCTION | |
| MAX5122BEEE+ | ||
This is the most up-to-date revision of the Data Sheet.
Software Resources
Can't find the software or driver you need?
Request a Driver/SoftwareHardware Ecosystem
| Parts | Product Life Cycle | Description |
|---|---|---|
| Digital to Analog Converters (DACs) 4 | ||
| MAX5132 | PRODUCTION | +5V/+3V, 13-Bit, Serial, Force/Sense DACs with 10ppm/°C Internal Reference |
| MAX5120 | PRODUCTION | +3V/+5V, 12-Bit, Serial, Voltage-Output DACs with Internal Reference |
| MAX5352 | PRODUCTION | Low-Power, 12-Bit Voltage-Output DACs with Serial Interface |
| MAX5353 | PRODUCTION | Low-Power, 12-Bit Voltage-Output DACs with Serial Interface |
Latest Discussions
No discussions on MAX5122 yet. Have something to say?
Start a Discussion on EngineerZone®