MAX5066

PRODUCTION

Configurable, Single-/Dual-Output, Synchronous Buck Controller for High-Current Applications

Viewing:

Overview

  • 4.75V to 5.5V or 5V to 28V Input
  • Dual-Output Synchronous Buck Controller
  • Configurable for Two Separate Outputs or One Single Output
  • Each Output is Capable of Up to 25A Output Current
  • Average Current-Mode Control Provides Accurate Current Limit
  • 180° Interleaved Operation Reduces Size of Input Filter Capacitors
  • Limits Reverse Current Sinking When Operated in Parallel Mode
  • Each Output is Adjustable from 0.61V to 5.5V
  • Independently Programmable Adaptive Voltage Positioning
  • Independent Shutdown for Each Output
  • 100kHz to 1MHz per Phase Programmable Switching Frequency
  • Oscillator Frequency Synchronization from 200kHz to 2MHz
  • Hiccup Mode Overcurrent Protection
  • Overtemperature Shutdown
  • Thermally Enhanced 28-Pin TSSOP Package Capable of Dissipating 1.9W
  • Operates Over -40°C to +85°C or -40°C to +125°C Temperature Range

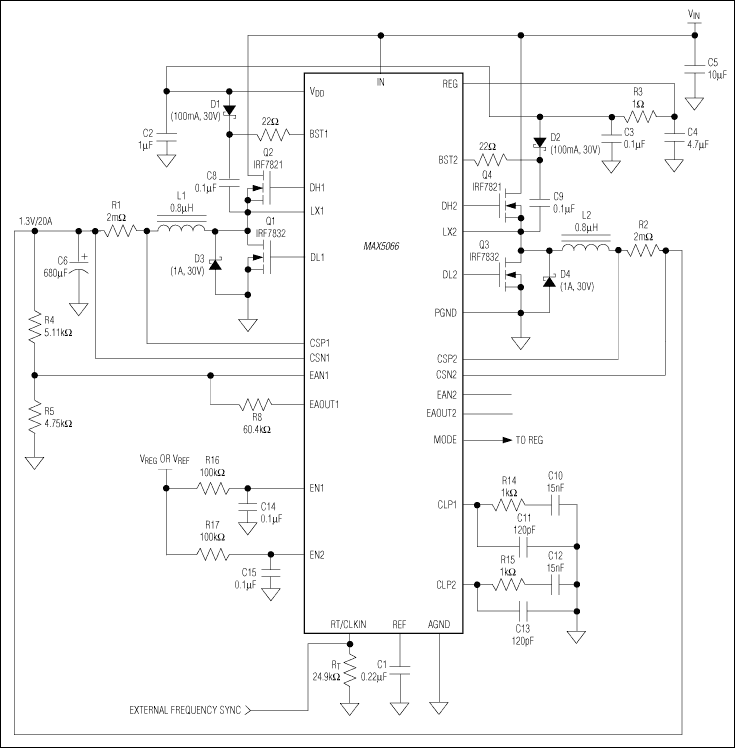
The MAX5066 is a two-phase, configurable single- or dual-output buck controller with an input voltage range of 4.75V to 5.5V or from 5V to 28V. Each phase of the MAX5066 is designed for 180° operation. A mode pin allows for a dual-output supply or connecting two phases together for a single-output, high-current supply. Each output channel of the MAX5066 drives n-channel MOSFETs and is capable of providing more than 25A of load current. The MAX5066 uses average current-mode control with a switching frequency up to 1MHz per phase where each phase is 180° out of phase with respect to the other. Out-of-phase operation results in significantly reduced input capacitor ripple current and output voltage ripple in dual-phase, single-output voltage applications. Each buck regulator output has its own high-performance current and voltage-error amplifier that can be compensated for optimum output filter L-C values and transient response.

The MAX5066 offers two enable inputs with accurate turn-on thresholds to allow for output voltage sequencing of the two outputs. The device's switching frequency can be programmed from 100kHz to 1MHz with an external resistor. The MAX5066 can be synchronized to an external clock. Each output voltage is adjustable from 0.61V to 5.5V. Additional features include thermal shutdown, "hiccup mode" short-circuit protection. Use the MAX5066 with adaptive voltage positioning for applications that require a fast transient response, or accurate output voltage regulation.

The MAX5066 is available in a thermally enhanced 28-pin TSSOP package capable of dissipating 1.9W. The device is rated for operation over the -40°C to +85°C extended, or -40°C to +125°C automotive temperature range.

Applications

  • Graphic Cards
  • High-End Desktop Computers
  • Networking Systems
  • Point-of-Load High-Current/High-Density
  • RAID Systems
  • Telecom DC-DC Regulators

MAX5066
Configurable, Single-/Dual-Output, Synchronous Buck Controller for High-Current Applications
MAX5066: Typical Application Circuit
Add to myAnalog

Add product to the Products section of myAnalog (to receive notifications), to an existing project or to a new project.

Create New Project
Ask a Question

Documentation

Learn More
Add to myAnalog

Add media to the Resources section of myAnalog, to an existing project or to a new project.

Create New Project

Software Resources

Can't find the software or driver you need?

Request a Driver/Software

Hardware Ecosystem

Parts Product Life Cycle Description
Switching Regulators & Controllers 4
MAX5060 PRODUCTION 0.6V to 5.5V Output, Parallelable, Average-Current-Mode DC-DC Controllers
MAX5061 PRODUCTION 0.6V to 5.5V Output, Parallelable, Average-Current-Mode DC-DC Controllers
MAX5065 Obsolete Dual-Phase, +0.6V to +3.3V Output Parallelable, Average-Current-Mode Controllers
MAX5067 Obsolete Dual-Phase, +0.6V to +3.3V Output Parallelable, Average-Current-Mode Controllers
Modal heading
Add to myAnalog

Add product to the Products section of myAnalog (to receive notifications), to an existing project or to a new project.

Create New Project

Evaluation Kits

MAX5066EVKIT

Evaluation Kit for the MAX5066

Features and Benefits

  • 5V to 16V Input Voltage Range (Design Optimized for 12V Input)
  • Output Voltages
    0.8V at 10A (Adjustable from 0.61V to 5.5V)
    1.3V at 10A (Adjustable from 0.61V to 5.5V)
  • 500kHz Switching Frequency
  • Both Outputs Can be Paralleled for Higher Current Capability (Using Mode Function)
  • Average Current-Mode Control Provides Accurate Current Limit
  • Current-Sharing Accuracy within ±5% Between Parallel Channels
  • 180° Interleaved Operation Reduces Size of Input Filter Capacitors
  • Overtemperature Shutdown
  • Excellent Line- and Load-Transient Response
  • Hiccup-Mode Overcurrent Protection
  • Can be Synchronized to an External Clock
  • Low-Profile Components
  • Fully Assembled and Tested
  • Product Details

    The MAX5066 evaluation kit (EV kit) is a two-phase, dual-output buck converter with a 5V to 16V input voltage range. The MAX5066 EV kit provides dual 0.8V and 1.3V output voltages. It delivers up to 10A output current for each output with 90% efficiency. The MAX5066 EV kit uses average current-mode control and operates at 500kHz switching frequency per phase where each phase is 180° out-of-phase with respect to the other.

    This EV kit is a fully assembled and tested circuit board. Both outputs are adjustable between 0.61V and 5.5V by changing feedback resistors R4, R5, R6, and R7. Additional features include thermal-shutdown and "hiccup-mode" short-circuit protection.

    Applications

    • Graphic Cards
    • High-End Desktop Computers
    • Networking Systems
    • Point-of-Load High-Current/High-Density
    • RAID Systems
    • Telecom DC-DC Regulators

    MAX15034BEVKIT

    Evaluation Kit for the MAX15034B and MAX5066

    Features and Benefits

    • 5V to 16V Input-Voltage Range (Design Optimized for 12V Input)
    • Output Voltages
      • 1.2V at 20A (Adjustable from 0.61V to 5.5V)
      • 1.2V at 20A (Adjustable from 0.61V to 5.5V)
    • 300kHz Switching Frequency
    • Both Outputs Can be Paralleled for Higher Current Capability (Using Mode Function)
    • Average Current-Mode Control Provides Accurate Current Limit
    • Current-Sharing Accuracy within ±5% Between Parallel Channels
    • 180° Interleaved Operation Reduces Size of Input Filter Capacitors
    • Overtemperature Shutdown
    • Excellent Line- and Load-Transient Response
    • Hiccup-Mode Overcurrent Protection
    • Can be Synchronized to an External Clock
    • Provision for Output DC Accuracy
    • Low-Profile Components
    • Fully Assembled and Tested

    Product Details

    The MAX15034B evaluation kit (EV kit) is a two-phase, dual-output buck converter with a 5V to 16V input voltage range. The MAX15034B EV kit provides dual 1.2V output voltages (VOUT1 and VOUT2). It delivers up to 20A output current for each output with 86.7% efficiency. The MAX15034B EV kit uses average current-mode control and operates at 300kHz switching frequency per phase where each phase is 180° out-of-phase with respect to the other.

    The MAX15034B EV kit is a fully assembled and tested circuit board. Both outputs are adjustable between 0.61V and 5.5V by changing feedback resistors R4–R7. Additional features include thermal-shutdown and "hiccup-mode" short-circuit protection.

    Applications

    • Graphics Cards
    • High-End Computers/Workstations/Servers
    • Networking Systems
    • Point-of-Load High-Current/High-Density Telecom DC-DC Regulators
    • RAID Systems

    MAX5066EVKIT
    Evaluation Kit for the MAX5066
    MAX15034BEVKIT
    Evaluation Kit for the MAX15034B and MAX5066

    Latest Discussions

    No discussions on MAX5066 yet. Have something to say?

    Start a Discussion on EngineerZone®

    Recently Viewed