MAX5061

PRODUCTION

0.6V to 5.5V Output, Parallelable, Average-Current-Mode DC-DC Controllers

Viewing:

Overview

  • 4.75V to 5.5V or 7V to 28V Input Voltage Range
  • Adjustable Output Voltage from 0.6V to 5.5V
  • Up to 30A Output Current
  • Can Parallel Outputs For Higher Output Current
  • Programmable Adaptive Output Voltage Positioning
  • True-Differential Remote Output Sensing (MAX5060)
  • Average-Current-Mode Control
    • Superior Current Sharing Between Paralleled Modules
    • Accurate Current Limit Eliminates MOSFET and Inductor Derating
  • Limits Reverse Current Sinking in Paralleled Modules (MAX5060)
  • Programmable Switching Frequency from 125kHz to 1.5MHz
  • Integrated 4A Gate Drivers
  • Clock Output for 180° Out-of-Phase Operation (MAX5060)
  • Voltage Signal Proportional to Output Current for Load Monitoring (MAX5060)
  • Output Overvoltage Crowbar Protection (MAX5060)
  • Programmable Hiccup Current-Limit Threshold and Response Time
  • Overtemperature Thermal Shutdown

The MAX5060/MAX5061 pulse-width modulation (PWM) DC-DC controllers provide high-output-current capability in a compact package with a minimum number of external components. These devices utilize an average-current-mode control that enables optimal use of low RDS(ON) MOSFETs, eliminating the need for external heatsinks even when delivering high output currents.

Differential sensing (MAX5060) enables accurate control of the output voltage, while adaptive voltage positioning provides optimum transient response. An internal regulator enables operation with 4.75V to 5.5V or 7V to 28V input voltage ranges. The high switching frequency, up to 1.5MHz, allows the use of low-output inductor values and input capacitor values. This accommodates the use of PC-board-embedded planar magnetics.

The MAX5060 features a clock output with 180° phase delay to control a second out-of-phase converter for lower capacitor ripple currents. The MAX5060 also limits the reverse current if the bus voltage becomes higher than the regulated output voltage. The MAX5060 is specifically designed to limit current sinking when multiple power-supply modules are paralleled. The MAX5060/MAX5061 offer an adjustable 0.6V to 5.5V output voltage. The MAX5060 offers an overvoltage protection, power-good signal, and an output enable function.

The MAX5060/MAX5061 operate over the automotive temperature range (-40°C to +125°C). The MAX5060 is available in a 28-pin thin QFN package while the MAX5061 is available in a 16-pin TSSOP package.

Applications

  • High-End Desktop Computers
  • Networking Systems
  • Point-of-Load Telecom DC-DC Regulators
  • RAID Systems
  • Servers and Workstations

MAX5061
0.6V to 5.5V Output, Parallelable, Average-Current-Mode DC-DC Controllers
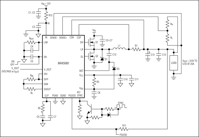
MAX5060, MAX5061: Typical Operating Circuit
Add to myAnalog

Add product to the Products section of myAnalog (to receive notifications), to an existing project or to a new project.

Create New Project
Ask a Question

Documentation

Learn More
Add to myAnalog

Add media to the Resources section of myAnalog, to an existing project or to a new project.

Create New Project

Software Resources

Can't find the software or driver you need?

Request a Driver/Software

Evaluation Kits

MAX5060EVKIT

Evaluation Kit for the MAX5060

Features and Benefits

  • +10V to +14V Input-Voltage Range
  • 3.3V Output Voltage
  • 20A Output Current
  • 270kHz Switching Frequency
  • Up to 93% Efficiency
  • Synchronization Up to 1.5MHz
  • Limits Reverse-Current Sinking
  • Voltage Signal Proportional to the Output Current
  • Clock Output for Ripple-Phase Operation
  • Overvoltage Protection
  • Enable (ON/Active-Low OFF) Input
  • Power-Good Output
  • Size: 1.65in x 1.05in
  • Requires 400LFM Airflow and Larger Heatsink for 0°C to +70°C Temperature Range

Product Details

The MAX5060 evaluation kit (EV kit) provides a +3.3V adjustable output voltage from a +12V input source. It delivers up to 20A of output current with a switching frequency of 270kHz and achieves efficiencies up to 93%.

The MAX5060 single-phase, PWM controller provides high-output-current capability in a compact package with a minimum number of external components. The MAX5060 utilizes average current-mode control that offers accurate current limit and current sharing, and avoids oversizing the MOSFETs and inductor.

Differential sensing enables accurate control of the output voltage, while adaptive voltage positioning provides optimum transient response. An internal regulator enables operation with +4.75V to +5.5V, or +7V to +28V input-voltage ranges. The high switching frequency, up to 1.5MHz, allows the use of low inductor and input capacitor values. This accommodates the use of PCB-embedded planar magnetics, achieving superior reliability, current sharing, thermal management, compact size, and low system cost.

The MAX5060 also features a clock input (CLKIN) for synchronization to an external clock, and a clock output (CLKOUT) with 180° phase delay to control a second out-of-phase converter for lower-input-capacitor ripple current. The MAX5060 also limits the reverse current if the bus voltage becomes higher than the regulated output voltage. This device is specifically designed to limit current sinking when multiple power-supply modules are paralleled. The MAX5060 offers an adjustable +0.6V to +5.5V (VIN > 7V) output voltage.

Applications

  • High-End Desktop Computers
  • Networking Systems
  • Point-of-Load Telecom DC-DC Regulators
  • RAID Systems
  • Servers and Workstations

MAX5060EVKIT
Evaluation Kit for the MAX5060

Latest Discussions

No discussions on MAX5061 yet. Have something to say?

Start a Discussion on EngineerZone®

Recently Viewed