MAX1707

Obsolete

Light-Management IC with Efficient 1x/1.5x/2x Charge Pump for Backlight/Flash/RGB LEDs

High-Efficiency Backlight and Flash Driver with Up to 400mA Flash Capability and 3 RGB Drivers with a Programmable RGB Ramp for Main, Sub, RGB, Keypad, or Flash Applications in a Compact, 4mm x 4mm TQFN Package

Viewing:

Overview

  • Guaranteed 610mA Continuous Drive Capability
    • 4 LEDs at 30mA Each for Main Display
    • 3 LEDs at 30mA Each for Sub or RGB
    • 400mA Total for Flash
  • 2-Wire I²C Serial Port
    • 5-Bit (32-Step) Linear Dimming
    • 32k Colors
    • Ramp-Up/Down Rates
  • 92% Peak/83% Avg Efficiency (PLED/PBATT)
  • Adaptive 1x/1.5x/2x Mode Switchover
  • 0.3% (typ) LED Current Accuracy and Matching
  • Low Input Ripple and EMI
  • Low 0.1µA Shutdown Current
  • Output Overvoltage Protection
  • Thermal Derating Function Protects LEDs
  • 24-Pin 4mm x 4mm Thin QFN Package

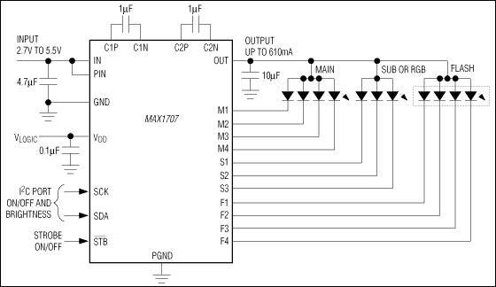
The MAX1707 provides complete light management for main display backlight, subdisplay backlight (or RGB indicator), and white LED camera flash with regulated constant current up to 610mA total. By utilizing adaptive 1x/1.5x/2x charge-pump modes and very-low-dropout current regulators, it achieves high efficiency over the full 1-cell Li+ battery input voltage range. The 1MHz fixed-frequency switching allows for tiny external components while the regulation scheme is optimized to ensure low EMI and low input ripple. An integrated derating function protects the LEDs from overheating during high ambient temperatures.

The MAX1707 features an internally trimmed reference to set the maximum LED current. An I²C serial port is used for on/off control and setting the LED currents in 32 linear steps. When using the RGB indicator, the I²C port provides 32k colors and programmable rampup/down rates. The camera flash may be turned on/off by the I²C port or a separate digital logic input.

Applications

  • Cell Phones/Smartphones
  • Displays with Up to 11 LEDs
  • PDAs, Digital Cameras, Camcorders

MAX1707
Light-Management IC with Efficient 1x/1.5x/2x Charge Pump for Backlight/Flash/RGB LEDs
MAX1707: Typical Operating Circuit
Add to myAnalog

Add product to the Products section of myAnalog (to receive notifications), to an existing project or to a new project.

Create New Project
Ask a Question

Documentation

Learn More
Add to myAnalog

Add media to the Resources section of myAnalog, to an existing project or to a new project.

Create New Project

Software Resources

Can't find the software or driver you need?

Request a Driver/Software

Hardware Ecosystem

Parts Product Life Cycle Description
LED Drivers 9
MAX1573 PRODUCTION White LED 1x/1.5x Charge Pump in UCSP and Thin QFN
MAX1574 PRODUCTION 180mA, 1x/2x, White LED Charge Pump in 3mm x 3mm TDFN
MAX1575 Obsolete White LED 1x/1.5x Charge Pump for Main and Sub-Displays
MAX1576 PRODUCTION 480mA White LED 1x/1.5x/2x Charge Pump for Backlighting and Camera Flash
MAX1582 Obsolete High-Efficiency Step-Up Converters for White LED Main and Subdisplay Backlighting
MAX1561 PRODUCTION High-Efficiency, 26V Step-Up Converters for Two to Six White LEDs
MAX1599 PRODUCTION High-Efficiency, 26V Step-Up Converters for Two to Six White LEDs
MAX8595 LAST TIME BUY High-Efficiency, 36V Step-Up Converters with TA Derating Option for 2 to 9 White LEDs
MAX8596 Obsolete High-Efficiency, 36V Step-Up Converters with TA Derating Option for 2 to 9 White LEDs
Modal heading
Add to myAnalog

Add product to the Products section of myAnalog (to receive notifications), to an existing project or to a new project.

Create New Project

Evaluation Kits

MAX1707EVCMODU

Evaluation Kit/Evaluation System for the MAX1707

Features and Benefits

  • Proven PC Board Layout
  • Windows® 98/2000/XP-Compatible Evaluation Software
  • White LED Camera Flash, RGB Indicator LED, and Four Backlight LEDs
  • Pushbutton for Evaluating Strobe Function
  • Terminals for Access to I²C Interface Lines
  • Fully Assembled and Tested

Product Details

The MAX1707 evaluation system (EV system) includes a MAX1707 evaluation kit (EV kit) and a Maxim command module (CMODUSB).

The MAX1707 EV kit is an assembled and tested PC board that demonstrates the capabilities of the MAX1707 light-management IC. The EV kit includes four main display backlight LEDs, an RGB indicator LED, and a white LED camera flash that can all be driven simultaneously by the MAX1707. The EV kit also includes PC software that allows a user to evaluate every feature of the MAX1707 using a graphical user interface (GUI).

The CMODUSB board connects to a PC's USB port and allows the transfer of I²C commands to the MAX1707 EV kit.

The MAX1707EVKIT can also be used to evaluate the MAX8879.

Applications

  • Cell Phones/Smartphones
  • Displays with Up to 11 LEDs
  • PDAs, Digital Cameras, Camcorders

MAX1707EVKIT

Evaluation Kit/Evaluation System for the MAX1707

Features and Benefits

  • Proven PC Board Layout
  • Windows® 98/2000/XP-Compatible Evaluation Software
  • White LED Camera Flash, RGB Indicator LED, and Four Backlight LEDs
  • Pushbutton for Evaluating Strobe Function
  • Terminals for Access to I²C Interface Lines
  • Fully Assembled and Tested

Product Details

The MAX1707 evaluation system (EV system) includes a MAX1707 evaluation kit (EV kit) and a Maxim command module (CMODUSB).

The MAX1707 EV kit is an assembled and tested PC board that demonstrates the capabilities of the MAX1707 light-management IC. The EV kit includes four main display backlight LEDs, an RGB indicator LED, and a white LED camera flash that can all be driven simultaneously by the MAX1707. The EV kit also includes PC software that allows a user to evaluate every feature of the MAX1707 using a graphical user interface (GUI).

The CMODUSB board connects to a PC's USB port and allows the transfer of I²C commands to the MAX1707 EV kit.

The MAX1707EVKIT can also be used to evaluate the MAX8879.

Applications

  • Cell Phones/Smartphones
  • Displays with Up to 11 LEDs
  • PDAs, Digital Cameras, Camcorders

MAX1707EVCMODU
Evaluation Kit/Evaluation System for the MAX1707
MAX1707EVKIT
Evaluation Kit/Evaluation System for the MAX1707

Latest Discussions

No discussions on MAX1707 yet. Have something to say?

Start a Discussion on EngineerZone®

Recently Viewed