MAX1438B
PRODUCTIONOctal, 12-Bit, 64Msps, 1.8V ADC with Serial LVDS Outputs
Functionally Compatible with the MAX1438, but Provides a Much Smaller Footprint
- Part Models
- 2
- 1ku List Price
- Starting From $104.96
Overview
- Excellent Dynamic Performance
- 69.9dB SNR at 5.3MHz
- 94dBc SFDR at 5.3MHz
- Ultra-Low Power
- 114mW per Channel (Normal Operation)
- Serial LVDS Outputs
- Pin-Selectable LVDS/SLVS (Scalable Low-Voltage Signal) Mode
- LVDS Outputs Support Up to 30in FR4 Backplane Connections
- Test Mode for Digital Signal Integrity
- Fully Differential Analog Inputs
- Wide Differential Input Voltage Range (1.4VP-P)
- On-Chip 1.24V Precision Bandgap Reference
- Clock Duty-Cycle Equalizer
- Compact, 68-Pin Thin QFN Package with Exposed Pad
- Evaluation Kit Available (Order MAX1437BEVKIT)
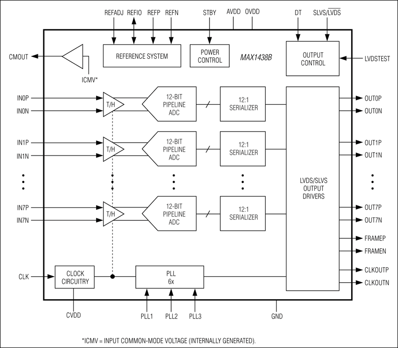
The MAX1438B octal, 12-bit analog-to-digital converter (ADC) features fully differential inputs, a pipelined architecture, and digital error correction incorporating a fully differential signal path. This ADC is optimized for low-power and high-dynamic performance in medical imaging instrumentation and digital communications applications. The MAX1438B operates from a 1.8V single supply and consumes only 913mW (114mW per channel) while delivering a 69.9dB (typ) signal-to-noise ratio (SNR) at a 5.3MHz input frequency. In addition to low operating power, the MAX1438B features a low-power standby mode for idle periods.
An internal 1.24V precision bandgap reference sets the full-scale range of the ADC. A flexible reference structure allows the use of an external reference for applications requiring increased accuracy or a different input voltage range. The reference architecture is optimized for low noise.
A single-ended clock controls the data-conversion process. An internal duty-cycle equalizer compensates for wide variations in clock duty cycle. An on-chip phase-locked loop (PLL) generates the high-speed serial low-voltage differential signal (LVDS) clock.
The MAX1438B has self-aligned serial LVDS outputs for data, clock, and frame-alignment signals. The output data is presented in two's-complement format.
The MAX1438B offers a maximum sample rate of 64Msps. This device is available in a small, 10mm x 10mm x 0.8mm, 68-pin thin QFN package with exposed pad and is specified for the extended industrial (-40°C to +85°C) temperature range.
Applications
- Instrumentation
- Multichannel Communications
- Ultrasound and Medical Imaging
Documentation
Data Sheet 1
Technical Articles 1
ADI has always placed the highest emphasis on delivering products that meet the maximum levels of quality and reliability. We achieve this by incorporating quality and reliability checks in every scope of product and process design, and in the manufacturing process as well. "Zero defects" for shipped products is always our goal. View our quality and reliability program and certifications for more information.
| Part Model | Pin/Package Drawing | Documentation | CAD Symbols, Footprints, and 3D Models |
|---|---|---|---|
| MAX1438BETK+ | 68-LFCSP-10X10X0.75 | ||
| MAX1438BETK+T | 68-LFCSP-10X10X0.75 |
This is the most up-to-date revision of the Data Sheet.
Software Resources
Can't find the software or driver you need?
Request a Driver/SoftwareHardware Ecosystem
| Parts | Product Life Cycle | Description |
|---|---|---|
| Analog to Digital Converters (ADCs) 4 | ||
| MAX1436B | PRODUCTION | Octal, 12-Bit, 40Msps, 1.8V ADC with Serial LVDS Outputs |
| MAX1437 | Obsolete | Octal, 12-Bit, 50Msps, 1.8V ADC with Serial LVDS Outputs |
| MAX1436 | Octal, 12-Bit, 40Msps, 1.8V ADC with Serial LVDS Outputs | |
| MAX1434 | PRODUCTION | Octal, 10-Bit, 50Msps, 1.8V ADC with Serial LVDS Outputs |