MAX12529

Obsolete

Dual, 96Msps, 12-Bit, IF/Baseband ADC

High-Performance, 12-Bit ADC with Guaranteed High-IF SNR and SFDR Specifications

Viewing:

Overview

  • Direct IF Sampling Up to 350MHz
  • Excellent Dynamic Performance
    • 70.1dB/69.7dB SNR at fIN = 70MHz/175MHz
    • 83.2dBc/78.9dBc SFDR at fIN = 70MHz/175MHz
  • 3.3V Low-Power Operation
    • 980mW (Differential Clock Mode)
    • 952mW (Single-Ended Clock Mode)
  • Fully Differential or Single-Ended Analog Input
  • Adjustable Differential Analog Input Voltage
  • 750MHz Input Bandwidth
  • Internal, External, or Shared Reference
  • Differential or Single-Ended Clock
  • Accepts 25% to 75% Clock Duty Cycle
  • User-Selectable DIV2 and DIV4 Clock Modes
  • Power-Down Mode
  • CMOS Outputs in Two's Complement or Gray Code
  • Out-of-Range and Data-Valid Indicators
  • Compact, 68-Pin Thin QFN Package (10mm x 10mm x 0.8mm)
  • Evaluation Kit Available (Order MAX12529EVKIT)

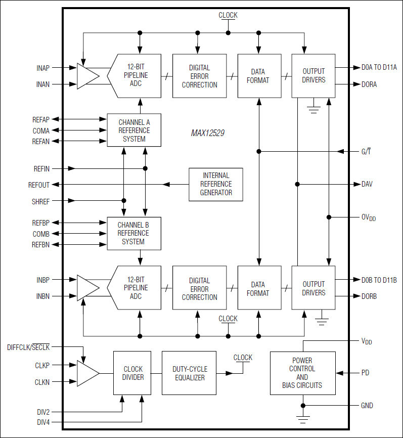
The MAX12529 is a dual, 96Msps, 12-bit analog-to-digital converter (ADC) featuring fully differential wideband track-and-hold (T/H) inputs, driving internal quantizers. The MAX12529 is optimized for low power, small size, and high dynamic performance in intermediate frequency (IF) and baseband sampling applications. This dual ADC operates from a single 3.3V supply, consuming only 980mW while delivering a typical 69.7dB signal-to-noise ratio (SNR) performance at a 175MHz input frequency. The T/H input stages accept single-ended or differential inputs up to 350MHz. In addition to low operating power, the MAX12529 features a 0.66mW power-down mode to conserve power during idle periods.

A flexible reference structure allows the MAX12529 to use the internal 2.048V bandgap reference or accept an externally applied reference and allows the reference to be shared between the two ADCs. The reference structure allows the full-scale analog input range to be adjusted from ±0.35V to ±1.15V. The MAX12529 provides a common-mode reference to simplify design and reduce external component count in differential analog input circuits.

The MAX12529 supports either a single-ended or differential input clock. User-selectable divide-by-two (DIV2) and divide-by-four (DIV4) modes allow for design flexibility and help eliminate the negative effects of clock jitter. Wide variations in the clock duty cycle are compensated with the ADC's internal duty-cycle equalizer (DCE).

The MAX12529 features two parallel, 12-bit-wide, CMOS-compatible outputs. The digital output format is pin-selectable to be either two's complement or Gray code. A separate power-supply input for the digital outputs accepts a 1.7V to 3.6V voltage for flexible interfacing with various logic levels. The MAX12529 is available in a 10mm x 10mm x 0.8mm, 68-pin thin QFN package with exposed paddle (EP), and is specified for the extended (-40°C to +85°C) temperature range.

 

Applications

  • Digital Set-Top Boxes
  • I/Q Receivers
  • IF and Baseband Communication Receivers: Cellular, LMDS, Point-to-Point Microwave, MMDS, HFC, WLAN
  • Low-Power Data Acquisition
  • Medical Imaging
  • Portable Instrumentation

MAX12529
Dual, 96Msps, 12-Bit, IF/Baseband ADC
MAX12529: Functional Diagram
Add to myAnalog

Add product to the Products section of myAnalog (to receive notifications), to an existing project or to a new project.

Create New Project
Ask a Question

Documentation

Learn More
Add to myAnalog

Add media to the Resources section of myAnalog, to an existing project or to a new project.

Create New Project

Software Resources

Can't find the software or driver you need?

Request a Driver/Software

Hardware Ecosystem

Parts Product Life Cycle Description
Analog to Digital Converters (ADCs) 5
MAX12527 PRODUCTION Dual, 65Msps, 12-Bit, IF/Baseband ADC
MAX12528 Obsolete Dual, 80Msps, 12-Bit, IF/Baseband ADC
MAX12559 Obsolete Dual, 96Msps, 14-Bit, IF/Baseband ADC
MAX12558 Obsolete Dual, 80Msps, 14-Bit, IF/Baseband ADC
MAX12557 PRODUCTION Dual, 65Msps, 14-Bit, IF/Baseband ADC
Modal heading
Add to myAnalog

Add product to the Products section of myAnalog (to receive notifications), to an existing project or to a new project.

Create New Project

Evaluation Kits

MAX12529EVKIT

Evaluation Kit for the MAX12527, MAX12528, MAX12529, MAX12557, MAX12558, and MAX12559

Features and Benefits

  • Low-Voltage and Low-Power Operation
  • On-Board Clock-Shaping Circuitry Option
  • On-Board Output Drivers
  • Fully Assembled and Tested

Product Details

The MAX12527/MAX12528/MAX12529/MAX12557/MAX12558/MAX12559 evaluation kits (EV kits) are fully assembled and tested circuit boards that contain all the components necessary to evaluate the performance of this family of 12-bit and 14-bit, dual analog-to-digital converters (ADCs). These ADCs accept differential analog input signals. The EV kits generate these signals from user-provided single-ended input sources. The digital outputs produced by the ADCs can be easily sampled with a user-provided high-speed logic analyzer or data-acquisition system. The EV kits operate from 2.0V and 3.3V power supplies.

Applications

  • Digital Set-Top Boxes
  • I/Q Receivers
  • IF and Baseband Communication Receivers: Cellular, LMDS, Point-to-Point Microwave, MMDS, HFC, WLAN
  • Low-Power Data Acquisition
  • Portable Instrumentation
  • Ultrasound and Medical Imaging

MAX12527EVKIT

Evaluation Kit for the MAX12527, MAX12528, MAX12529, MAX12557, MAX12558, and MAX12559

Features and Benefits

  • Low-Voltage and Low-Power Operation
  • On-Board Clock-Shaping Circuitry Option
  • On-Board Output Drivers
  • Fully Assembled and Tested

Product Details

The MAX12527/MAX12528/MAX12529/MAX12557/MAX12558/MAX12559 evaluation kits (EV kits) are fully assembled and tested circuit boards that contain all the components necessary to evaluate the performance of this family of 12-bit and 14-bit, dual analog-to-digital converters (ADCs). These ADCs accept differential analog input signals. The EV kits generate these signals from user-provided single-ended input sources. The digital outputs produced by the ADCs can be easily sampled with a user-provided high-speed logic analyzer or data-acquisition system. The EV kits operate from 2.0V and 3.3V power supplies.

Applications

  • Digital Set-Top Boxes
  • I/Q Receivers
  • IF and Baseband Communication Receivers: Cellular, LMDS, Point-to-Point Microwave, MMDS, HFC, WLAN
  • Low-Power Data Acquisition
  • Portable Instrumentation
  • Ultrasound and Medical Imaging

MAX12528EVKIT

Evaluation Kit for the MAX12527, MAX12528, MAX12529, MAX12557, MAX12558, and MAX12559

Features and Benefits

  • Low-Voltage and Low-Power Operation
  • On-Board Clock-Shaping Circuitry Option
  • On-Board Output Drivers
  • Fully Assembled and Tested

Product Details

The MAX12527/MAX12528/MAX12529/MAX12557/MAX12558/MAX12559 evaluation kits (EV kits) are fully assembled and tested circuit boards that contain all the components necessary to evaluate the performance of this family of 12-bit and 14-bit, dual analog-to-digital converters (ADCs). These ADCs accept differential analog input signals. The EV kits generate these signals from user-provided single-ended input sources. The digital outputs produced by the ADCs can be easily sampled with a user-provided high-speed logic analyzer or data-acquisition system. The EV kits operate from 2.0V and 3.3V power supplies.

Applications

  • Digital Set-Top Boxes
  • I/Q Receivers
  • IF and Baseband Communication Receivers: Cellular, LMDS, Point-to-Point Microwave, MMDS, HFC, WLAN
  • Low-Power Data Acquisition
  • Portable Instrumentation
  • Ultrasound and Medical Imaging

MAX12559EVKIT

Evaluation Kit for the MAX12527, MAX12528, MAX12529, MAX12557, MAX12558, and MAX12559

Features and Benefits

  • Low-Voltage and Low-Power Operation
  • On-Board Clock-Shaping Circuitry Option
  • On-Board Output Drivers
  • Fully Assembled and Tested

Product Details

The MAX12527/MAX12528/MAX12529/MAX12557/MAX12558/MAX12559 evaluation kits (EV kits) are fully assembled and tested circuit boards that contain all the components necessary to evaluate the performance of this family of 12-bit and 14-bit, dual analog-to-digital converters (ADCs). These ADCs accept differential analog input signals. The EV kits generate these signals from user-provided single-ended input sources. The digital outputs produced by the ADCs can be easily sampled with a user-provided high-speed logic analyzer or data-acquisition system. The EV kits operate from 2.0V and 3.3V power supplies.

Applications

  • Digital Set-Top Boxes
  • I/Q Receivers
  • IF and Baseband Communication Receivers: Cellular, LMDS, Point-to-Point Microwave, MMDS, HFC, WLAN
  • Low-Power Data Acquisition
  • Portable Instrumentation
  • Ultrasound and Medical Imaging

MAX12557EVKIT

Evaluation Kit for the MAX12527, MAX12528, MAX12529, MAX12557, MAX12558, and MAX12559

Features and Benefits

  • Low-Voltage and Low-Power Operation
  • On-Board Clock-Shaping Circuitry Option
  • On-Board Output Drivers
  • Fully Assembled and Tested

Product Details

The MAX12527/MAX12528/MAX12529/MAX12557/MAX12558/MAX12559 evaluation kits (EV kits) are fully assembled and tested circuit boards that contain all the components necessary to evaluate the performance of this family of 12-bit and 14-bit, dual analog-to-digital converters (ADCs). These ADCs accept differential analog input signals. The EV kits generate these signals from user-provided single-ended input sources. The digital outputs produced by the ADCs can be easily sampled with a user-provided high-speed logic analyzer or data-acquisition system. The EV kits operate from 2.0V and 3.3V power supplies.

Applications

  • Digital Set-Top Boxes
  • I/Q Receivers
  • IF and Baseband Communication Receivers: Cellular, LMDS, Point-to-Point Microwave, MMDS, HFC, WLAN
  • Low-Power Data Acquisition
  • Portable Instrumentation
  • Ultrasound and Medical Imaging

MAX12558EVKIT

Evaluation Kit for the MAX12527, MAX12528, MAX12529, MAX12557, MAX12558, and MAX12559

Features and Benefits

  • Low-Voltage and Low-Power Operation
  • On-Board Clock-Shaping Circuitry Option
  • On-Board Output Drivers
  • Fully Assembled and Tested

Product Details

The MAX12527/MAX12528/MAX12529/MAX12557/MAX12558/MAX12559 evaluation kits (EV kits) are fully assembled and tested circuit boards that contain all the components necessary to evaluate the performance of this family of 12-bit and 14-bit, dual analog-to-digital converters (ADCs). These ADCs accept differential analog input signals. The EV kits generate these signals from user-provided single-ended input sources. The digital outputs produced by the ADCs can be easily sampled with a user-provided high-speed logic analyzer or data-acquisition system. The EV kits operate from 2.0V and 3.3V power supplies.

Applications

  • Digital Set-Top Boxes
  • I/Q Receivers
  • IF and Baseband Communication Receivers: Cellular, LMDS, Point-to-Point Microwave, MMDS, HFC, WLAN
  • Low-Power Data Acquisition
  • Portable Instrumentation
  • Ultrasound and Medical Imaging

MAX12529EVKIT
Evaluation Kit for the MAX12527, MAX12528, MAX12529, MAX12557, MAX12558, and MAX12559
MAX12527EVKIT
Evaluation Kit for the MAX12527, MAX12528, MAX12529, MAX12557, MAX12558, and MAX12559
MAX12528EVKIT
Evaluation Kit for the MAX12527, MAX12528, MAX12529, MAX12557, MAX12558, and MAX12559
MAX12559EVKIT
Evaluation Kit for the MAX12527, MAX12528, MAX12529, MAX12557, MAX12558, and MAX12559
MAX12557EVKIT
Evaluation Kit for the MAX12527, MAX12528, MAX12529, MAX12557, MAX12558, and MAX12559
MAX12558EVKIT
Evaluation Kit for the MAX12527, MAX12528, MAX12529, MAX12557, MAX12558, and MAX12559

Latest Discussions

No discussions on MAX12529 yet. Have something to say?

Start a Discussion on EngineerZone®

Recently Viewed