LTC2944

PRODUCTION

60V Battery Gas Gauge with Temperature, Voltage and Current Measurement

Viewing:

Overview

  • Measures Accumulated Battery Charge and Discharge
  • 3.6V to 60V Operating Range for Multiple Cells
  • 14-Bit ADC Measures Voltage, Current and Temperature
  • 1% Voltage, Current and Charge Accuracy
  • ±50mV Sense Voltage Range
  • High Side Sense
  • I2C Interface/SMBus Interface
  • General Purpose Measurements for Any Battery Chemistry and Capacity
  • Configurable Alert Output/Charge Complete Input
  • Quiescent Current Less Than 150μA
  • Small 8-Lead 3mm × 3mm DFN Package

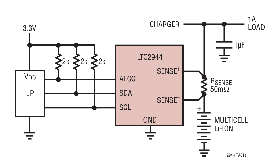
The LTC2944 measures battery charge state, battery voltage, battery current and its own temperature in portable product applications. The wide input voltage range allows use with multicell batteries up to 60V. A precision coulomb counter integrates current through a sense resistor between the battery’s positive terminal and the load or charger. Voltage, current and temperature are measured with an internal 14-bit No Latency ΔΣ ADC. The measurements are stored in internal registers accessible via the on-board I2C/SMBus Interface.

The LTC2944 features programmable high and low thresholds for all four measured quantities. If a programmed threshold is exceeded, the device communicates an alert using either the SMBus alert protocol or by setting a flag in the internal status register. The LTC2944 requires only a single low value sense resistor to set the measured current range.

Applications

  • Electric and Hybrid Electric Vehicles
  • Power Tools
  • Electric Bicycles, Motorcycles, Scooters
  • High Power Portable Equipment
  • Photo Voltaics
  • Backup Battery Systems

LTC2944
60V Battery Gas Gauge with Temperature, Voltage and Current Measurement
Total Charge Error vs Differential Sense Voltage Product Package 1
Add to myAnalog

Add product to the Products section of myAnalog (to receive notifications), to an existing project or to a new project.

Create New Project
Ask a Question

Documentation

Data Sheet

This is the most up-to-date revision of the Data Sheet.

Learn More
Add to myAnalog

Add media to the Resources section of myAnalog, to an existing project or to a new project.

Create New Project

Software Resources


Hardware Ecosystem

Parts Product Life Cycle Description
LTC2943 NOT RECOMMENDED FOR NEW DESIGNS Multicell Battery Gas Gauge with Temperature, Voltage and Current Measurement
LTC2943-1 Obsolete 1A Multicell Battery Gas Gauge with Temperature, Voltage and Current Measurement
Modal heading
Add to myAnalog

Add product to the Products section of myAnalog (to receive notifications), to an existing project or to a new project.

Create New Project

Tools & Simulations


Evaluation Kits

eval board
DC1812A-B

LTC2944 Demo Board | 60V Battery Gas Gauge (requires DC2026)

Product Details

Demonstration circuit 1812A-B features the LTC2944. Demonstration circuit 1812A-C features the LTC2943-1. The LTC2943/LTC2943-1 has an operating range of 3.6V to 20V, while the LTC2944 has an operating range of 3.6V to 60V, making all three devices perfectly suited for multicel battery applications. A precision analog coulomb counter integrates current measured through a sense resistor between the battery’s positive terminal and the load or charger. The LTC2943/LTC2943-1 measures voltage, current and temperature with an internal 14-bit No Latency ∆∑™ ADC. The LTC2944 measures voltage, current and temperature with an internal 16-bit No Latency ∆∑ADC. The measurements are stored in internal registers accessible via the onboard SMBus/I2C interface.



DC1812A-B
LTC2944 Demo Board | 60V Battery Gas Gauge (requires DC2026)
DC1812A-B Demo Board DC1812A-B Demo Board DC1812A-B Demo Board DC1812A-B Demo Board DC1812A - Schematic

Latest Discussions

Recently Viewed