LTC2424
PRODUCTION4-/8-Channel 20-Bit µPower No Latency ∆Σ™ ADCs
- Part Models
- 4
- 1ku List Price
- Starting From $6.28
Overview
- Pin Compatible 4-/8-Channel 20-Bit ADCs
- 8ppm INL, No Missing Codes at 20 Bits
- 4ppm Full-Scale Error and 0.5ppm Offset
- 1.2ppm Noise
- Digital Filter Settles in a Single Cycle. Each
Conversion is Accurate, Even After Changing
Channels - Fast Mode: 16-Bit Noise, 12-Bit TUE at 100sps
- Internal Oscillator—No External Components
Required - 110dB Min, 50Hz/60Hz Notch Filter
- Reference Input Voltage: 0.1V to VCC
- Live Zero—Extended Input Range Accommodates
12.5% Overrange and Underrange - Single Supply 2.7V to 5.5V Operation
- Low Supply Current (200µA) and Auto Shutdown
- Can Be Interchanged with 24-Bit LTC2404/LTC2408
if ZSSET Pin is Grounded
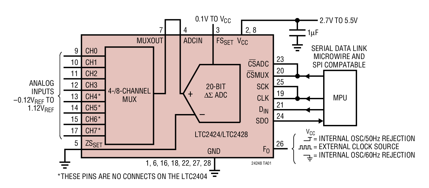
The LTC2424/LTC2428 are 4-/8-channel 2.7V to 5.5V micropower 20-bit A/D converters with an integrated oscillator, 8ppm INL and 1.2ppm RMS noise. They use delta-sigma technology and provide single cycle digital filter settling time (no latency delay) for multiplexed applications. The first conversion after the channel is changed is always valid. Through a single pin the LTC2424/LTC2428 can be configured for better than 110dB rejection at 50Hz or 60Hz ±2%, or can be driven by an external oscillator for a user defined rejection frequency in the range 1Hz to 800Hz. The internal oscillator requires no external frequency setting components.
The converters accept any external reference voltage from 0.1V to VCC. With their extended input conversion range of –12.5% VREF to 112.5% VREF (VREF = FSSET – ZSSET) the LTC2424/LTC2428 smoothly resolve the offset and overrange problems of preceding sensors or signal conditioning circuits.
The LTC2424/LTC2428 communicate through a flexible 4-wire digital interface which is compatible with SPI and MICROPOWER protocols.
Applications
- Weight Scales
- Direct Temperature Measurement
- Gas Analyzers
- Strain-Gage Transducers
- Instrumentation
- Data Acquisition
- Industrial Process Control
- 4-Digit DVMs
Documentation
Data Sheet 1
Reliability Data 1
Application Note 2
Design Note 2
Product Selector Card 1
ADI has always placed the highest emphasis on delivering products that meet the maximum levels of quality and reliability. We achieve this by incorporating quality and reliability checks in every scope of product and process design, and in the manufacturing process as well. "Zero defects" for shipped products is always our goal. View our quality and reliability program and certifications for more information.
| Part Model | Pin/Package Drawing | Documentation | CAD Symbols, Footprints, and 3D Models |
|---|---|---|---|
| LTC2424CG#PBF | 28-Lead SSOP | ||
| LTC2424CG#TRPBF | 28-Lead SSOP | ||
| LTC2424IG#PBF | 28-Lead SSOP | ||
| LTC2424IG#TRPBF | 28-Lead SSOP |
| Part Models | Product Lifecycle | PCN |
|---|---|---|
|
Aug 6, 2022 - 22_0171 Laser Top Mark Conversion for SSOP Packages Assembled in PNG |
||
| LTC2424CG#PBF | PRODUCTION | |
| LTC2424CG#TRPBF | PRODUCTION | |
| LTC2424IG#PBF | PRODUCTION | |
| LTC2424IG#TRPBF | PRODUCTION | |
This is the most up-to-date revision of the Data Sheet.
Software Resources
Can't find the software or driver you need?
Request a Driver/SoftwareHardware Ecosystem
| Parts | Product Life Cycle | Description |
|---|---|---|
| Digital Isolators 1 | ||
| LTM2883 | PRODUCTION | SPI/Digital or I2C μModule Isolator with Adjustable ±12.5V and 5V Regulated Power |
| Matched Resistors & Transistors 1 | ||
| LT5400 | RECOMMENDED FOR NEW DESIGNS | Quad Matched Resistor Network |
| Oscillators 1 | ||
| LTC6991 | PRODUCTION | TimerBlox: Resettable, Low Frequency Oscillator |