LTC2412
PRODUCTION2-Channel Differential Input 24-Bit No Latency ∆Σ ADC
- Part Models
- 4
- 1ku List Price
- Starting From $6.23
Overview
- 2-Channel Differential Input with Automatic Channel Selection (Ping-Pong)
- Low Supply Current: 200µA, 4µA in Autosleep
- Differential Input and Differential Reference with GND to VCC Common Mode Range
- 2ppm INL, No Missing Codes
- 2.5ppm Full-Scale Error and 0.1ppm Offset
- 0.16ppm Noise, 22.5 Effective Number of Bits
- No Latency: Digital Filter Settles in a Single Cycle and Each Channel Conversion is Accurate
- Internal Oscillator—No External Components Required
- 110dB Min, 50Hz or 60Hz Notch Filter
- Narrow SSOP-16 Package
- Single Supply 2.7V to 5.5V Operation
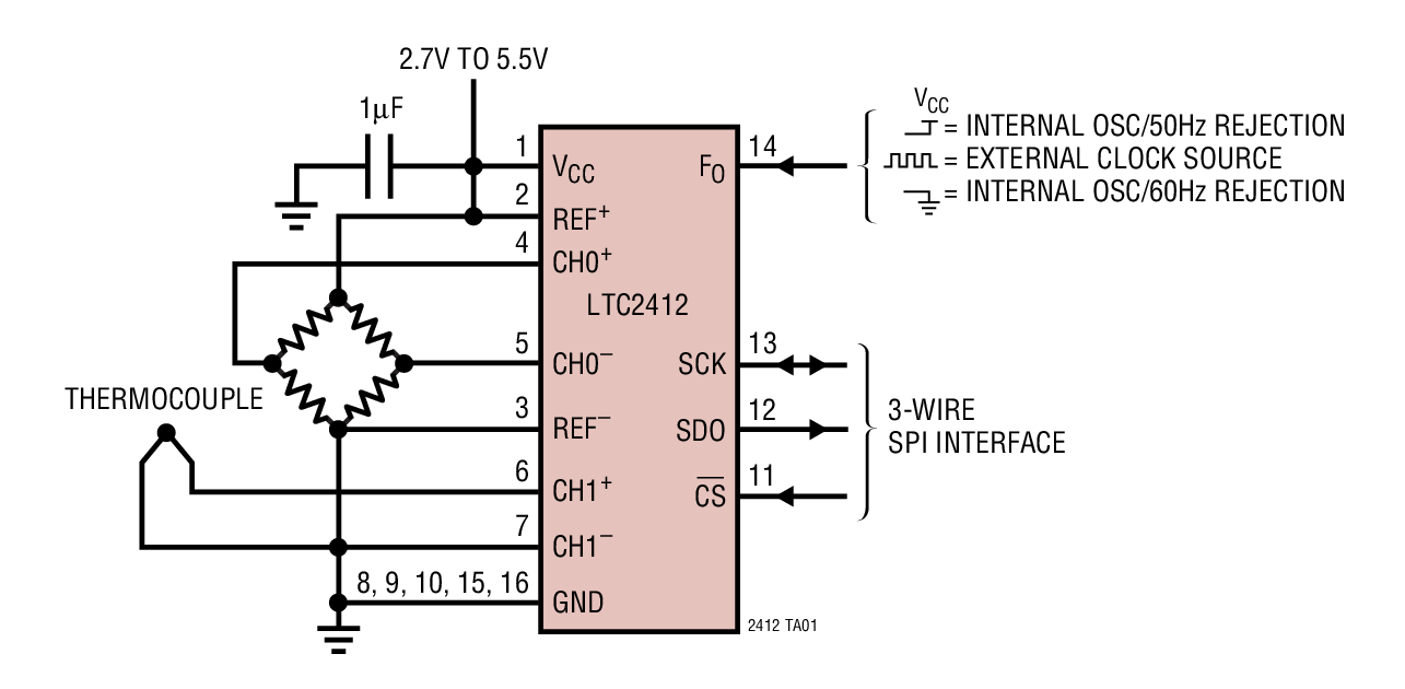
The LTC2412 is a 2-channel differential input micropower 24-bit No Latency ∆Σ™ analog-to-digital converter with an integrated oscillator. It provides 2ppm INL and 0.16ppm RMS noise over the entire supply range. The two differential channels are converted alternately with channel ID included in the conversion results. It uses delta-sigma technology and provides single conversion settling of the digital filter. Through a single pin, the LTC2412 can be configured for better than 110dB input differential mode rejection at 50Hz or 60Hz ±2%, or it can be driven by an external oscillator for a user defined rejection frequency. The internal oscillator requires no external frequency setting components.
The converter accepts any external differential reference voltage from 0.1V to VCC for flexible ratiometric and remote sensing measurement configurations. The full-scale differential input range is from –0.5VREF to 0.5VREF. The reference common mode voltage, VREFCM, and the input common mode voltage, VINCM, may be independently set anywhere within the GND to VCC. The DC common mode input rejection is better than 140dB.
The LTC2412 communicates through a flexible 3-wire digital interface which is compatible with SPI and MICROWIRE protocols.
Applications
- Direct Sensor Digitizer
- Weight Scales
- Direct Temperature Measurement
- Gas Analyzers
- Strain-Gage Transducers
- Instrumentation
- Data Acquisition
- Industrial Process Control
- 6-Digit DVMs
Documentation
Data Sheet 1
Reliability Data 1
User Guide 1
Product Selector Card 1
ADI has always placed the highest emphasis on delivering products that meet the maximum levels of quality and reliability. We achieve this by incorporating quality and reliability checks in every scope of product and process design, and in the manufacturing process as well. "Zero defects" for shipped products is always our goal. View our quality and reliability program and certifications for more information.
| Part Model | Pin/Package Drawing | Documentation | CAD Symbols, Footprints, and 3D Models |
|---|---|---|---|
| LTC2412CGN#PBF | 16-Lead SSOP (Narrow 0.15 Inch) | ||
| LTC2412CGN#TRPBF | 16-Lead SSOP (Narrow 0.15 Inch) | ||
| LTC2412IGN#PBF | 16-Lead SSOP (Narrow 0.15 Inch) | ||
| LTC2412IGN#TRPBF | 16-Lead SSOP (Narrow 0.15 Inch) |
| Part Models | Product Lifecycle | PCN |
|---|---|---|
|
Oct 3, 2024 - 24_0235 (QSOP/SSOP PKG) Migrating Bottom Trace Code Marking to Top Side Laser Marking |
||
| LTC2412CGN#PBF | PRODUCTION | |
| LTC2412CGN#TRPBF | PRODUCTION | |
| LTC2412IGN#PBF | PRODUCTION | |
| LTC2412IGN#TRPBF | PRODUCTION | |
|
Oct 11, 2022 - 22_0235 Epoxy Change from Henkel 8290 to 8290A for GN Package |
||
| LTC2412CGN#PBF | PRODUCTION | |
| LTC2412CGN#TRPBF | PRODUCTION | |
| LTC2412IGN#PBF | PRODUCTION | |
| LTC2412IGN#TRPBF | PRODUCTION | |
|
Apr 6, 2022 - 22_0066 Laser Top Mark for 16QSOP Assembled in ADPG [PNG] |
||
| LTC2412CGN#PBF | PRODUCTION | |
| LTC2412CGN#TRPBF | PRODUCTION | |
| LTC2412IGN#PBF | PRODUCTION | |
| LTC2412IGN#TRPBF | PRODUCTION | |
This is the most up-to-date revision of the Data Sheet.
Software Resources
Can't find the software or driver you need?
Request a Driver/SoftwareHardware Ecosystem
| Parts | Product Life Cycle | Description |
|---|---|---|
| Interface Transceivers & Isolators 1 | ||
| LTM2883 | PRODUCTION | SPI/Digital or I2C μModule Isolator with Adjustable ±12.5V and 5V Regulated Power |
| Matched Resistors & Transistors 1 | ||
| LT5400 | RECOMMENDED FOR NEW DESIGNS | Quad Matched Resistor Network |
| Oscillators 1 | ||
| LTC6991 | PRODUCTION | TimerBlox: Resettable, Low Frequency Oscillator |