LTC2389-18
PRODUCTION18-Bit, 2.5Msps SAR ADC with Pin-Configurable Analog Input Range and 99.8dB SNR
- Part Models
- 7
- 1ku List Price
- Starting From $41.72
Overview
- 2.5Msps Throughput Rate
- ±3LSB INL (Max)
- Guaranteed 18-Bit, No Missing Codes
- Pin-Configurable Analog Input Range:
- ±4.096V Fully Differential
- 0V to 4.096V Pseudo-Differential Unipolar
- ±2.048V Pseudo-Differential Bipolar
- 99.8dB (Fully Differential)/95.2dB (Pseudo Differential) SNR (Typ) at fIN = 2kHz
- –116dB (Fully Differential)/–112dB (Pseudo Differential) THD (Typ) at fIN = 2kHz
- Guaranteed Operation to 125°C
- Single 5V Supply
- Internal 20ppm/°C (Max) Reference
- Internal Reference Buffer
- 162.5mW Power Dissipation at 2.5Msps
- No Pipeline Delay, No Cycle Latency
- 1.8V to 5V I/O Voltages
- Parallel and Serial I/O Interface
- 48-pin 7mm × 7mm LQFP and QFN Packages
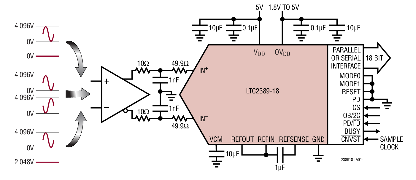
The LTC2389-18 is a low noise, high speed 18-bit successive approximation register (SAR) ADC. Operating from a single 5V supply, the LTC2389-18 supports pin-configurable fully differential (±4.096V), pseudo-differential unipolar (0V to 4.096V), and pseudo-differential bipolar (±2.048V) analog input ranges, allowing it to interface with multiple signal chain formats without requiring additional level translation or signal conditioning. The LTC2389-18 achieves ±3LSB INL (maximum), no missing codes at 18-bits, and 99.8dB (fully differential)/95.2dB (pseudo differential) SNR (typical).
The LTC2389-18 includes a precision internal 4.096V reference, with a guaranteed 0.5% initial accuracy and a ±20ppm/°C (maximum) temperature coefficient, as well as an internal reference buffer. Fast 2.5Msps throughput with no cycle latency in the parallel interface modes makes the LTC2389-18 ideally suited for a wide variety of high speed applications. An internal oscillator sets the conversion time, easing external timing considerations. The LTC2389-18 dissipates only 162.5mW at 2.5Msps, while both nap and sleep power-down modes are provided to further reduce power consumption during inactive periods.
Applications
- Medical Imaging
- High Speed, Wide Dynamic Range Data Acquisition
- Industrial Process Control
- Instrumentation
- ATE
Documentation
Data Sheet 1
Reliability Data 1
User Guide 1
Technical Articles 2
Video 1
Product Selector Card 4
Solutions Bulletin & Brochure 1
ADI has always placed the highest emphasis on delivering products that meet the maximum levels of quality and reliability. We achieve this by incorporating quality and reliability checks in every scope of product and process design, and in the manufacturing process as well. "Zero defects" for shipped products is always our goal. View our quality and reliability program and certifications for more information.
| Part Model | Pin/Package Drawing | Documentation | CAD Symbols, Footprints, and 3D Models |
|---|---|---|---|
| LTC2389CLX-18#PBF | 48-Lead LQFP (7mm x 7mm) | ||
| LTC2389CUK-18#PBF | 48-Lead QFN (7mm x 7mm x 0.75mm w/ EP) | ||
| LTC2389CUK-18#TRPBF | 48-Lead QFN (7mm x 7mm x 0.75mm w/ EP) | ||
| LTC2389HLX-18#PBF | 48-Lead LQFP (7mm x 7mm) | ||
| LTC2389ILX-18#PBF | 48-Lead LQFP (7mm x 7mm) | ||
| LTC2389IUK-18#PBF | 48-Lead QFN (7mm x 7mm x 0.75mm w/ EP) | ||
| LTC2389IUK-18#TRPBF | 48-Lead QFN (7mm x 7mm x 0.75mm w/ EP) |
| Part Models | Product Lifecycle | PCN |
|---|---|---|
|
Apr 6, 2021 - 21_0046 Transfer of LQFP and LQFP_EP from AEM to AET |
||
| LTC2389CLX-18#PBF | PRODUCTION | |
| LTC2389HLX-18#PBF | PRODUCTION | |
| LTC2389ILX-18#PBF | PRODUCTION | |
This is the most up-to-date revision of the Data Sheet.
Software Resources
Evaluation Software 2
PScope
The PScope System is a USB-based product demonstration and data acquisition system for use with high performance ADCs and signal chain receiver family. PScope allows users to evaluate the SNR, SFDR, THD, as well as other key parameters, quickly and easily.
LinearLab Tools
A collection of Matlab and Python programs that provide direct access to Linear Technology’s data converter evaluation boards.
Can't find the software or driver you need?
Hardware Ecosystem
| Parts | Product Life Cycle | Description |
|---|---|---|
| Analog to Digital Converters (ADCs) 1 | ||
| LTC2379-18 | PRODUCTION | 18-Bit, 1.6Msps, Low Power SAR ADC with 101.2dB SNR |
| Operational Amplifiers (Op Amps) 2 | ||
| LT6201 | PRODUCTION | Dual 165MHz, Rail-to-Rail Input and Output, 0.95nV/√Hz Low Noise, Op Amp Family |
| LT6237 | RECOMMENDED FOR NEW DESIGNS | Dual Rail-to-Rail Output 215MHz, 1.1nV/√Hz Op Amp/SAR ADC Driver |
| Voltage References 1 | ||
| LTC6655 | PRODUCTION | 0.25ppm Noise, Low Drift Precision References |
Evaluation Kits
Latest Discussions
No discussions on LTC2389-18 yet. Have something to say?
Start a Discussion on EngineerZone®