LTC1665
PRODUCTIONMicropower Octal 8-Bit DACs
- Part Models
- 6
- 1ku List Price
- Starting From $4.88
Overview
- Tiny: 8 DACs in the Board Space of an SO-8
- Micropower: 56µA per DAC Plus 1µA Sleep Mode for Extended Battery Life
- Pin Compatible 8-Bit LTC1665 and 10-Bit LTC1660
- Wide 2.7V to 5.5V Supply Range
- Rail-to-Rail Voltage Outputs Drive 1000pF
- Reference Range Includes Supply for Ratiometric 0V-to-VCC Output
- Reference Input Impedance is Constant—Eliminates External Buffer
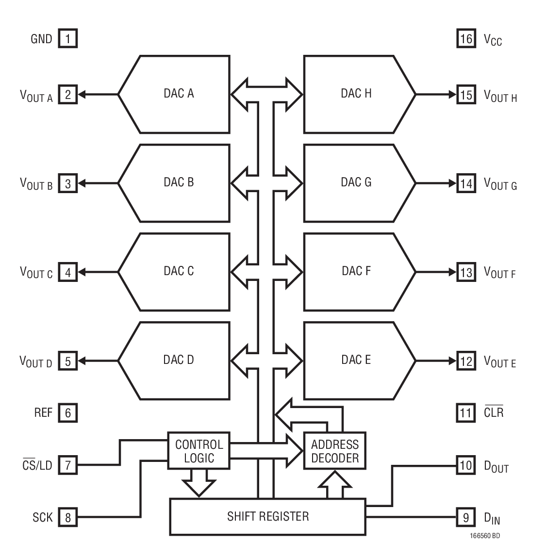
The 8-bit LTC1665 and 10-bit LTC1660 integrate eight accurate, serially addressable digital-to-analog converters (DACs) in tiny 16-pin narrow SSOP packages. Each buffered DAC draws just 56µA total supply current, yet is capable of supplying DC output currents in excess of 5mA and reliably driving capacitive loads to 1000pF. Sleep mode further reduces total supply current to 1µA.
Proprietary, inherently monotonic voltage interpolation architecture provides excellent linearity while allowing for an exceptionally small external form factor.
Ultralow supply current, power-saving Sleep mode and extremely compact size make the LTC1665 and LTC1660 ideal for battery-powered applications, while their ease of use, high performance and wide supply range make them excellent choices as general purpose converters.
Applications
- Mobile Communications
- Remote Industrial Devices
- Automatic Calibration for Manufacturing
- Portable Battery-Powered Instruments
- Trim/Adjust Applications
Documentation
Data Sheet 1
Reliability Data 1
Product Selector Card 3
Device Drivers 1
ADI has always placed the highest emphasis on delivering products that meet the maximum levels of quality and reliability. We achieve this by incorporating quality and reliability checks in every scope of product and process design, and in the manufacturing process as well. "Zero defects" for shipped products is always our goal. View our quality and reliability program and certifications for more information.
| Part Model | Pin/Package Drawing | Documentation | CAD Symbols, Footprints, and 3D Models |
|---|---|---|---|
| LTC1665CGN#PBF | 16-Lead SSOP (Narrow 0.15 Inch) | ||
| LTC1665CGN#TRPBF | 16-Lead SSOP (Narrow 0.15 Inch) | ||
| LTC1665CN#PBF | 16-Lead PDIP (Narrow 0.30 Inch) | ||
| LTC1665IGN#PBF | 16-Lead SSOP (Narrow 0.15 Inch) | ||
| LTC1665IGN#TRPBF | 16-Lead SSOP (Narrow 0.15 Inch) | ||
| LTC1665IN#PBF | 16-Lead PDIP (Narrow 0.30 Inch) |
| Part Models | Product Lifecycle | PCN |
|---|---|---|
|
Oct 3, 2024 - 24_0235 (QSOP/SSOP PKG) Migrating Bottom Trace Code Marking to Top Side Laser Marking |
||
| LTC1665CGN#PBF | PRODUCTION | |
| LTC1665CGN#TRPBF | PRODUCTION | |
| LTC1665IGN#PBF | PRODUCTION | |
| LTC1665IGN#TRPBF | PRODUCTION | |
|
Oct 11, 2022 - 22_0235 Epoxy Change from Henkel 8290 to 8290A for GN Package |
||
| LTC1665CGN#PBF | PRODUCTION | |
| LTC1665CGN#TRPBF | PRODUCTION | |
| LTC1665IGN#PBF | PRODUCTION | |
| LTC1665IGN#TRPBF | PRODUCTION | |
|
Apr 6, 2022 - 22_0066 Laser Top Mark for 16QSOP Assembled in ADPG [PNG] |
||
| LTC1665CGN#PBF | PRODUCTION | |
| LTC1665CGN#TRPBF | PRODUCTION | |
| LTC1665IGN#PBF | PRODUCTION | |
| LTC1665IGN#TRPBF | PRODUCTION | |
|
Oct 11, 2022 - 22_0241 Epoxy Change from Henkel 8290 to 8290A for PDIP Package |
||
| LTC1665CN#PBF | PRODUCTION | |
| LTC1665IN#PBF | PRODUCTION | |
|
Aug 6, 2022 - 22_0172 Laser Top Mark Conversion for PDIP Packages Assembled in ADPG [PNG] |
||
| LTC1665CN#PBF | PRODUCTION | |
| LTC1665IN#PBF | PRODUCTION | |
This is the most up-to-date revision of the Data Sheet.
Software Resources
Device Drivers 1
Evaluation Software 0
Can't find the software or driver you need?
Hardware Ecosystem
| Parts | Product Life Cycle | Description |
|---|---|---|
| Interface Transceivers 1 | ||
| LTM2883 | PRODUCTION | SPI/Digital or I2C μModule Isolator with Adjustable ±12.5V and 5V Regulated Power |
Tools & Simulations
Precision DAC Error Budget Tool
The Precision DAC Error Budget Tool is a web application that calculates the DC Accuracy of precision DAC signal chains. It shows how the static errors accumulate throughout your signal chain to quickly evaluate the design tradeoffs. Calculations include the DC errors introduced by Voltage References, Operation Amplifiers and Precision DACs.
Open Tool