LTC1402
PRODUCTIONSerial 12-Bit, 2.2Msps Sampling ADC with Shutdown
- Part Models
- 4
- 1ku List Price
- price unavailable
Overview
- Sample Rate: 2.2Msps
- 72dB S/(N + D) and -89dB THD at Nyquist
- Power Dissipation: 90mW (Typ)
- 80MHz Full Power Bandwidth Sampling
- No Missing Codes over Temperature
- Available in 16-Pin Narrow SSOP Package
- Single Supply 5V or ±5V Operation
- Nap Mode with Instant Wake-Up: 15mW
- Sleep Mode: 10µW
- True Differential Inputs Reject Common Mode Noise
- Input Range (1mV/LSB): 0V to 4.096V or ±2.048V
- Internal Reference Can Be Overdriven Externally
- 3-Wire Interface to DSPs and Processors (SPI and MICROWIRE™ Compatible)
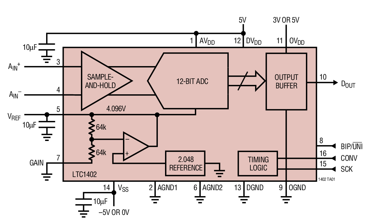
The LTC1402 is a 12-bit, 2.2Msps sampling A/D converter. This high performance device includes a high dynamic range sample-and-hold and a precision reference. It operates from a single 5V supply or dual ±5V supplies and draws only 90mW from 5V.
The versatile differential input offers a unipolar range of 4.096V and a bipolar range of ±2.048V for dual supply systems where high performance op amps perform best, eliminating the need for special translation circuitry.
The high common mode rejection allows users to eliminate ground loops and common mode noise by measuring signals differentially from the source.
Outstanding AC performance includes 72dB S/(N + D) and –93dB SFDR at the Nyquist input frequency of 1.1MHz with dual ±5V supplies and –84dB SFDR with a single 5V supply.
The LTC1402 has two power saving modes: Nap and Sleep. Nap mode consumes only 15mW of power and can wake up and convert immediately. In Sleep mode, it typically consumes 10µW of power. Upon power-up from Sleep mode, a reference ready (REFRDY) signal is available in the serial data word to indicate that the reference has settled and the chip is ready to convert.
The 3-wire serial port allows compact and efficient data transfer to a wide range of microprocessors, microcontrollers and DSPs. A digital output driver power supply pin allows direct connection to 3V or lower logic.
Applications
- Telecommunications
- High Speed Data and Signal Acquisition
- Digitally Multiplexed Data Acquisition Systems
- Digital Radio Receivers
- Spectrum Analysis
- Low Power and Battery-Operated Systems
- Handheld or Portable Instruments
- Imaging Systems
Documentation
Data Sheet 1
Reliability Data 1
Technical Articles 1
Product Selector Card 1
ADI has always placed the highest emphasis on delivering products that meet the maximum levels of quality and reliability. We achieve this by incorporating quality and reliability checks in every scope of product and process design, and in the manufacturing process as well. "Zero defects" for shipped products is always our goal. View our quality and reliability program and certifications for more information.
| Part Model | Pin/Package Drawing | Documentation | CAD Symbols, Footprints, and 3D Models |
|---|---|---|---|
| LTC1402CGN#PBF | 16-Lead SSOP (Narrow 0.15 Inch) | ||
| LTC1402CGN#TRPBF | 16-Lead SSOP (Narrow 0.15 Inch) | ||
| LTC1402IGN#PBF | 16-Lead SSOP (Narrow 0.15 Inch) | ||
| LTC1402IGN#TRPBF | 16-Lead SSOP (Narrow 0.15 Inch) |
| Part Models | Product Lifecycle | PCN |
|---|---|---|
|
Oct 3, 2024 - 24_0235 (QSOP/SSOP PKG) Migrating Bottom Trace Code Marking to Top Side Laser Marking |
||
| LTC1402CGN#PBF | PRODUCTION | |
| LTC1402CGN#TRPBF | PRODUCTION | |
| LTC1402IGN#PBF | PRODUCTION | |
| LTC1402IGN#TRPBF | PRODUCTION | |
|
Oct 11, 2022 - 22_0235 Epoxy Change from Henkel 8290 to 8290A for GN Package |
||
| LTC1402CGN#PBF | PRODUCTION | |
| LTC1402CGN#TRPBF | PRODUCTION | |
| LTC1402IGN#PBF | PRODUCTION | |
| LTC1402IGN#TRPBF | PRODUCTION | |
|
Apr 6, 2022 - 22_0066 Laser Top Mark for 16QSOP Assembled in ADPG [PNG] |
||
| LTC1402CGN#PBF | PRODUCTION | |
| LTC1402CGN#TRPBF | PRODUCTION | |
| LTC1402IGN#PBF | PRODUCTION | |
| LTC1402IGN#TRPBF | PRODUCTION | |
This is the most up-to-date revision of the Data Sheet.
Software Resources
Can't find the software or driver you need?
Request a Driver/SoftwareHardware Ecosystem
| Parts | Product Life Cycle | Description |
|---|---|---|
| Interface Transceivers 1 | ||
| LTM2883 | PRODUCTION | SPI/Digital or I2C μModule Isolator with Adjustable ±12.5V and 5V Regulated Power |