LT6301

PRODUCTION

Dual 500mA, Differential xDSL Line Driver in 28-Lead TSSOP Package

Viewing:

Overview

  • Drives Two Lines from One Package
  • Exceeds All Requirements For Full Rate, Downstream ADSL Line Drivers
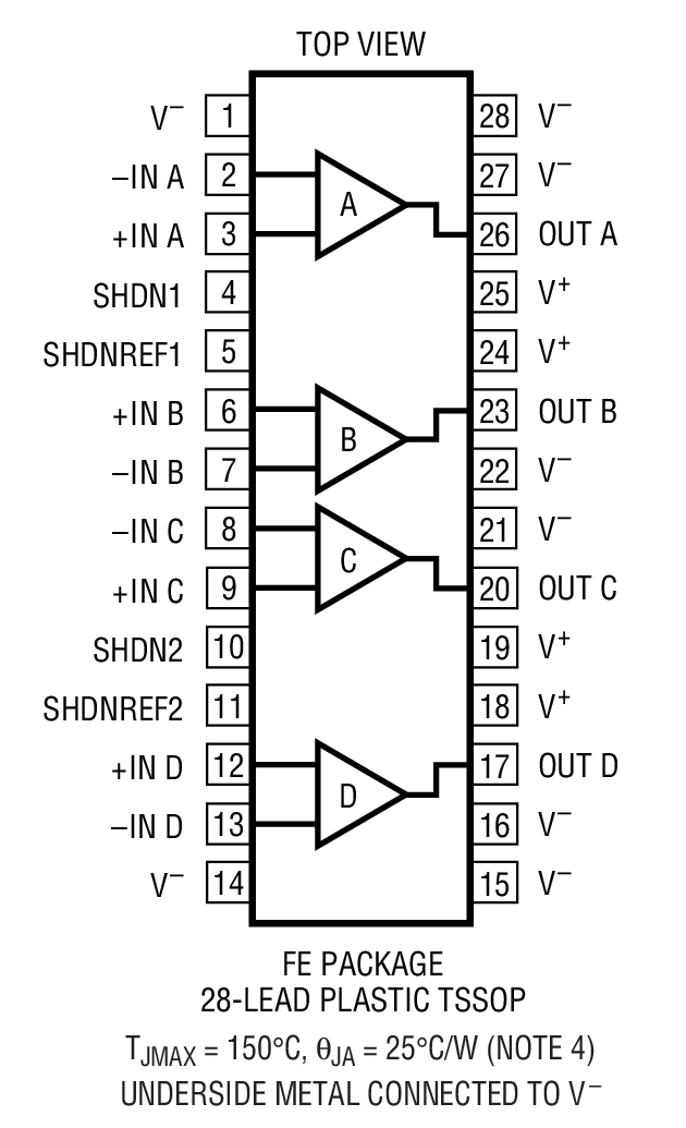
  • Power Enhanced 28-Lead TSSOP Package
  • Power Saving Adjustable Supply Current
  • ±500mA Minimum IOUT
  • ±11.1V Output Swing, VS = ±12V, RL = 100Ω
  • ±10.9V Output Swing, VS = ±12V, IL = 250mA
  • Low Distortion: –82dBc at 1MHz, 2VP-P Into 50Ω
  • 200MHz Gain Bandwidth
  • 600V/µs Slew Rate
  • Specified at ±12V and ±5V

The LT6301 is a 500mA minimum output current, quad op amp with outstanding distortion performance. The amplifiers are gain-of-ten stable, but can be easily compensated for lower gains. The extended output swing allows for lower supply rails to reduce system power. Supply current is set with an external resistor to optimize power dissipation. The LT6301 features balanced, high impedance inputs with low input bias current and input offset voltage. Active termination is easily implemented for further system power reduction. Short-circuit protection and thermal shutdown ensure the device’s ruggedness.

The outputs drive a 100Ω load to ±11.1V with ±12V supplies, and ±10.9V with a 250mA load. The LT6301 is a functional replacement for the LT1739 and LT1794 in xDSL line driver applications and requires no circuit changes.

The LT6301 is available in the very small, thermally enhanced, 28-lead TSSOP package for maximum port density in line driver applications.

Applications

  • High Density ADSL Central Office Line Drivers
  • High Efficiency ADSL, HDSL2, SHDSL Line Drivers
  • Buffers
  • Test Equipment Amplifiers
  • Cable Drivers

LT6301
Dual 500mA, Differential xDSL Line Driver in 28-Lead TSSOP Package
High Efficiency ±12V Supply ADSL Line Driver Product Package 1
Add to myAnalog

Add product to the Products section of myAnalog (to receive notifications), to an existing project or to a new project.

Create New Project
Ask a Question

Documentation

Data Sheet

This is the most up-to-date revision of the Data Sheet.

Learn More
Add to myAnalog

Add media to the Resources section of myAnalog, to an existing project or to a new project.

Create New Project

Software Resources

Can't find the software or driver you need?

Request a Driver/Software

Tools & Simulations

LTspice


Models for the following parts are available in LTspice:

  • LT6301
LTspice

LTspice® is a powerful, fast and free simulation software, schematic capture and waveform viewer with enhancements and models for improving the simulation of analog circuits.

Latest Discussions

No discussions on LT6301 yet. Have something to say?

Start a Discussion on EngineerZone®

Recently Viewed