LT3950

RECOMMENDED FOR NEW DESIGNS

60V, 1.5A LED Driver with Internal Exponential Scale Dimming

Viewing:

Overview

  • Operates in Boost, SEPIC, Buck Mode and Buck-Boost Mode
  • 128:1 Internal Exponential Scale PWM Dimming
  • Wide Input Voltage Range (3V to 60V)
  • 1.5A, 60V Internal Switch
  • 20000:1 External PWM Dimming at 100Hz
  • ±2% LED Current and Output Voltage Regulation
  • PMOS Switch Driver for PWM Dimming
  • LED Short/Open Protection and Indication
  • Constant Voltage and Constant Current Regulation
  • Adjustable 300kHz to 2MHz Switching Frequency
  • Adjustable 100Hz to 1kHz PWM Generator Frequency
  • Internal Spread Spectrum Frequency Modulation
  • Easy Synchronization to External Clock
  • Programmable VIN UVLO with Hysteresis
  • Available in 16-Lead MSOP Package
  • AEC-Q100 Qualified for Automotive Applications

The LT3950 is a multitopology DC/DC converter designed specifically to drive high current LEDs. It contains a 1.5A, 60V DMOS switch and supports an external PWM dimming PMOS. The LT3950 has an internal PWM generator for dimming that maps an analog control signal to an exponential scale used to define PWM dimming duty ratio. Using an exponential scale to define duty ratio preserves dimming resolution across a wide range of LED current. In addition to operating as a constant current source, the LT3950 also provides output voltage regulation. This can be used to prevent damage to the part in case of open LED events. A programmable switching frequency offers flexibility in design for higher efficiency or reduced component size. Enabling spread spectrum frequency modulation reduces EMI. The switching frequency can also easily be synchronized by driving the SYNC/SPRD pin with an external clock. LED current is programmed with a single external sense resistor and can be adjusted from zero to full-scale by an analog signal at the CTRL pin.

Applications

  • Display Backlighting
  • Automotive and Avionic Lighting

LT3950
60V, 1.5A LED Driver with Internal Exponential Scale Dimming
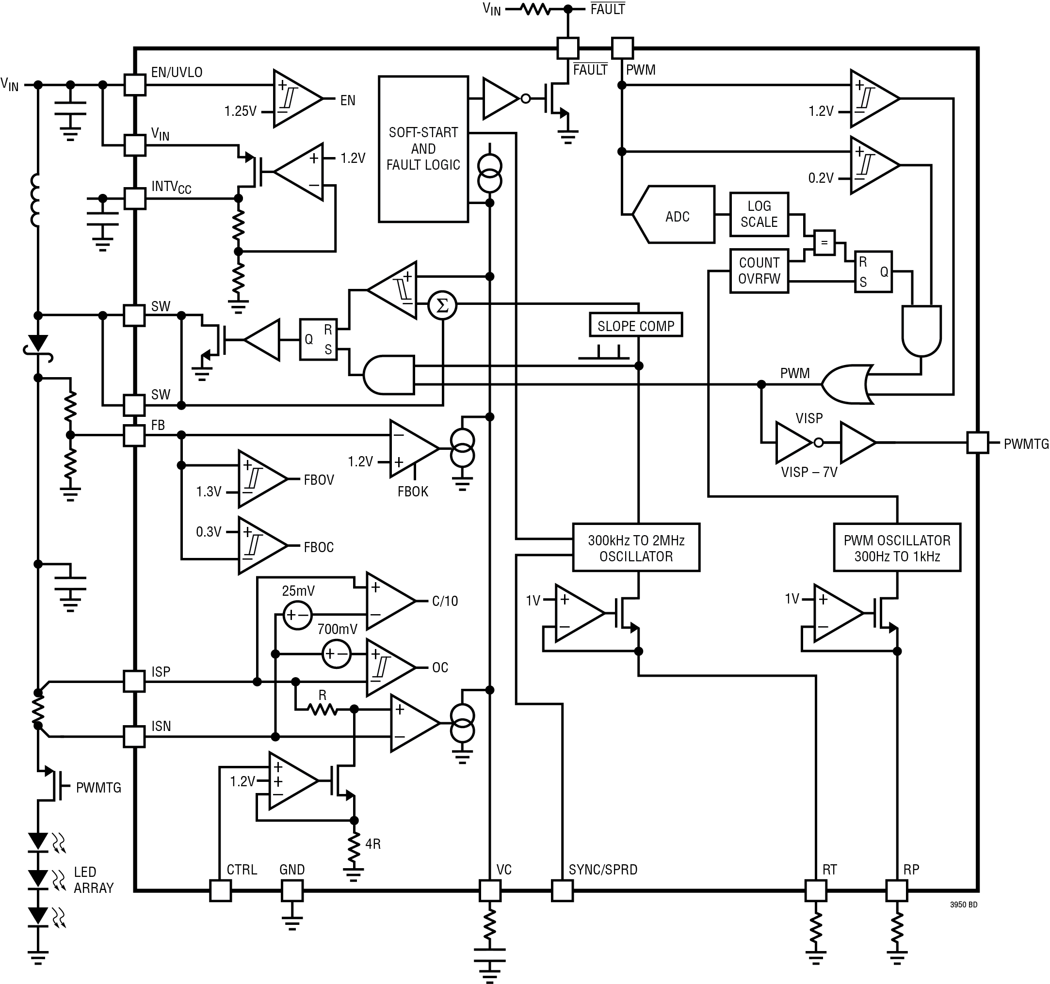
LT3950 Application Circuit LT3950 Performance Graph LT3950 Pin Configuration LT3950 Block Diagram
Add to myAnalog

Add product to the Products section of myAnalog (to receive notifications), to an existing project or to a new project.

Create New Project
Ask a Question

Documentation

Learn More
Add to myAnalog

Add media to the Resources section of myAnalog, to an existing project or to a new project.

Create New Project

Software Resources

Can't find the software or driver you need?

Request a Driver/Software

Tools & Simulations

LTspice 1


Models for the following parts are available in LTspice:

  • LT3950
LTspice

LTspice® is a powerful, fast and free simulation software, schematic capture and waveform viewer with enhancements and models for improving the simulation of analog circuits.


Evaluation Kits

eval board
DC2788A

LT3950 Demo Board | 60V 1.5A LED Driver with Internal Log-Scale Dimming

Product Details

Demonstration circuit 2788A is a boost LED driver featuring the LT®3950. This demonstration circuit powers a string of LEDs at 330mA. The step-up topology can be used to drive a string of up to 28V of LEDs as assembled. The maximum output voltage capability of the LT3950 is 60V. DC2788A runs from an input voltage range of 6V to 24V as built. It also runs at 2MHz and has the capability to turn on spread spectrum frequency modulation (SSFM) for a frequency range of 2.0MHz to 2.5MHz. Dimming control can be achieved with analog dimming or PWM dimming—either from an external or internally-generated clock source. DC2788A features undervoltage lockout (UVLO) set at 6.6V with a 1.0V hysteresis for turn-on.

The UVLO voltage, LED current, output voltage range, switching frequency, brightness control, SSFM, and the topology can all be adjusted with simple modifications to the demonstration circuit.

LT3950 is a monolithic 1.5A peak switch current, 60V LED driver. The guaranteed peak switch current rating of the IC is 1.5A and this is important to know when calculating maximum output current at a given LED voltage and input voltage for a boost converter. The LT3950 features SSFM and a well-controlled SW node for low emissions.

A frequency range of 200kHz to 2MHz and a high-side PWMTG PWM-dimming MOSFET makes this a very versatile IC for many applications. It can be used for boost, buck-boost mode and buck mode LED driver applications. The PWMTG MOSFET not only provides high PWM dimming ratio capability, but it also serves as a short-circuit protection device. The FAULT flag indicates when there is either a short-circuit or open-LED fault at the output.

The demo circuit is designed to be easily reconfigured to suit other applications, including the example schematics in the data sheet. Consult technical support for assistance.

High voltage operation, 3V input voltage operation, multiple topologies, small-and-compact size, fault protection, low EMI, and multiple brightness control options make the LT3950 flexible and powerful for compact, noise-sensitive LED driver solutions. The LT3950JMSE featured on this demo circuit is available in a thermally enhanced 16-lead plastic MSOP package. The LT3950 data sheet must be read in conjunction with this demo manual to properly use or modify demo circuit DC2788A.

DC2788A
LT3950 Demo Board | 60V 1.5A LED Driver with Internal Log-Scale Dimming
DC2788A Evaluation Board DC2788A Evaluation Board - Bottom View DC2788A Evaluation Board - Top

Latest Discussions

Recently Viewed