HMC924

Obsolete

GaAs MMIC I/Q Upconverter SMT, 10 - 16 GHz

Viewing:

Overview

  • High Conversion Gain: 15 dB
  • Excellent Sideband Rejection: -30 dBc
  • LO / RF Rejection: 15 dBc
  • High Input IP3: +14 dBm
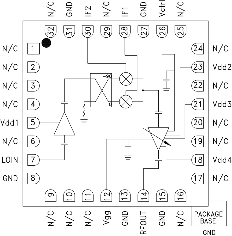
  • 32 Lead 5x5mm SMT Package: 25mm²

The HMC924LC5 is a compact GaAs MMIC I/Q upconverter in a leadless RoHS compliant SMT package. This device provides a small signal conversion gain of 15 dB with -30 dBc of sideband rejection. The HMC924LC5 utilizes a RF amplifier preceded by an I/Q mixer where the LO is driven by a driver amplifier. IF1 and IF2 mixer inputs are provided and an external 90° hybrid is needed to select the required sideband. The I/Q mixer topology reduces the need for filtering of the unwanted sideband. The HMC924LC5 is a much smaller alternative to hybrid style single sideband upconverter assemblies and it eliminates the need for wire bonding by allowing the use of surface mount manufacturing techniques.

Applications

  • Point-to-Point and Point-to-Multi-Point Radio
  • Broadband Test & Measurement
  • Military Radar, EW & ELINT
  • Satellite Communications
  • Sensors

HMC924
GaAs MMIC I/Q Upconverter SMT, 10 - 16 GHz
hmc924lc5_fbl
Add to myAnalog

Add product to the Products section of myAnalog (to receive notifications), to an existing project or to a new project.

Create New Project
Ask a Question

Documentation

Data Sheet

This is the most up-to-date revision of the Data Sheet.

Learn More
Add to myAnalog

Add media to the Resources section of myAnalog, to an existing project or to a new project.

Create New Project

Software Resources

Can't find the software or driver you need?

Request a Driver/Software

Evaluation Kits

EVAL-HMC924LC5
HMC924LC5 Evaluation Board

Latest Discussions

Recently Viewed