Quantic X-Microwave

Analog Devices' RF and microwave components are now also available as X-MWblock® drop-in evaluation modules from X-Microwave.

Get the X-MWblock® drop-in module for this part.

HMC815B

RECOMMENDED FOR NEW DESIGNS

21 GHz to 27 GHz, GaAs, MMIC, I/Q Upconverter

Viewing:

Overview

  • Conversion gain: 12 dB typical
  • Sideband rejection: 20 dBc typical
  • OP1dB compression: 20 dBm typical
  • OIP3: 27 dBm typical
  • 2× LO to RF isolation: 10 dB typical
  • 2× LO to IF isolation: 15 dB typical
  • RF return loss: 12 dB typical
  • LO return loss: 15 dB typical
  • IF return loss: 15 dB typical
  • Exposed pad, 4.90 mm × 4.90 mm, 32-terminal, ceramic LCC

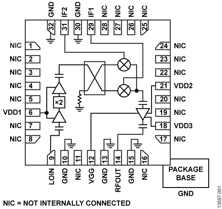
The HMC815B is a compact gallium arsenide (GaAs), pseudomorphic high electron mobility transistor (pHEMT), monolithic microwave integrated circuit (MMIC) upconverter in a RoHS compliant package that operates from 21 GHz to 27 GHz. This device provides a small signal conversion gain of 12 dB and a sideband rejection of 20 dBc. The HMC815B utilizes a driver amplifier proceeded by an in phase/quadrature (I/Q) mixer where the LO is driven by an active 2× multiplier. IF1 and IF2 mixer inputs are provided, and an external 90° hybrid is needed to select the required sideband. The I/Q mixer topology reduces the need for filtering of unwanted sideband.

The HMC815B is a smaller alternative to hybrid style single sideband (SSB) downconverter assemblies, and it eliminates the need for wire bonding by allowing the use of surface-mount manufacturing techniques.

The HMC815B is available in 4.90 mm × 4.90 mm, 32-terminal ceramic LCC package and operates over the −40°C to +85°C temperature range. An evaluation board for the HMC815B is also available upon request.

Applications

  • Point to point and point to multipoint radios
  • Military radars, electronic warfare, and electronic intelligence
  • Satellite communications
  • Sensors

HMC815B
21 GHz to 27 GHz, GaAs, MMIC, I/Q Upconverter
HMC815B Functional Block Diagram HMC815B Pin Configuration HMC815B Circuit Diagram
Add to myAnalog

Add product to the Products section of myAnalog (to receive notifications), to an existing project or to a new project.

Create New Project
Ask a Question

Documentation

Learn More
Add to myAnalog

Add media to the Resources section of myAnalog, to an existing project or to a new project.

Create New Project

Software Resources

Can't find the software or driver you need?

Request a Driver/Software

Tools & Simulations

ADIsimRF

ADIsimRF is an easy-to-use RF signal chain calculator. Cascaded gain, noise, distortion and power consumption can be calculated, plotted and exported for signal chains with up to 50 stages. ADIsimRF also includes an extensive data base of device models for ADI’s RF and mixed signal components.

Open Tool

S-Parameter 1


Evaluation Kits

EVAL-HMC815B
HMC815B Evaluation Board

Latest Discussions

Recently Viewed