HMC785

LAST TIME BUY

BiCMOS Mixer with Integrated LO Amplifier, 1.7 - 2.2 GHz

Viewing:

Overview

  • High Input IP3: +38 dBm
  • 8 dB Conversion Loss @ 0 dBm LO
  • Optimized for Low Side LO Input
  • Adjustable Supply Current
  • 24 Lead 4x4mm QFN Package: 16mm2

The HMC785LP4E is a high dynamic range passive MMIC mixer with integrated LO amplifier in a 4x4 SMT QFN package covering 1.7 to 2.2 GHz. Excellent input IP3 performance of +38 dBm for down conversion is provided for 3G & 4G GSM/CDMA applications at an LO drive of 0 dBm. With an input 1 dB compression of +26 dBm, the RF port will accept a wide range of input signal levels. Conversion loss is 8 dB typical. Up to 300 MHz IF frequency response will satisfy GSM/CDMA transmit or receive frequency plans. The HMC785LP4E is optimized for low side LO frequency plans for 1.7 - 2.2 GHz RF Band and is pin for pin compatible with the HMC685LP4E.

APPLICATIONS

  • Cellular/3G & LTE/WiMAX/4G
  • Basestations & Repeaters
  • GSM, CDMA & OFDM
  • Transmitters and Receivers

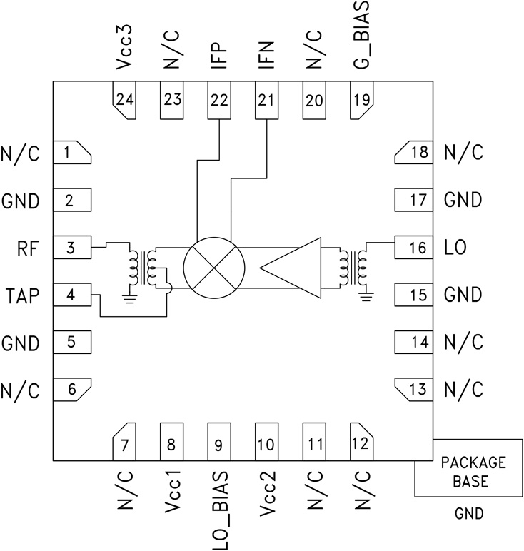
HMC785
BiCMOS Mixer with Integrated LO Amplifier, 1.7 - 2.2 GHz
HMC785 Functional Block Diagram
Add to myAnalog

Add product to the Products section of myAnalog (to receive notifications), to an existing project or to a new project.

Create New Project
Ask a Question

Documentation

Data Sheet 1

Data Sheet

This is the most up-to-date revision of the Data Sheet.

Learn More
Add to myAnalog

Add media to the Resources section of myAnalog, to an existing project or to a new project.

Create New Project

Software Resources

Can't find the software or driver you need?

Request a Driver/Software

Tools & Simulations

ADIsimRF

ADIsimRF is an easy-to-use RF signal chain calculator. Cascaded gain, noise, distortion and power consumption can be calculated, plotted and exported for signal chains with up to 50 stages. ADIsimRF also includes an extensive data base of device models for ADI’s RF and mixed signal components.

Open Tool

Latest Discussions

Recently Viewed