Quantic X-Microwave

Analog Devices RF and microwave components are available as drop-in X-MWblocks®
from Quantic X-Microwave.

Get the X-MWblock® drop-in module for this part.

HMC738

RECOMMENDED FOR NEW DESIGNS

MMIC VCO with Half Frequency Output & Divide-by-16, 20.9 - 23.9 GHz

Viewing:

Overview

  • Pout: +9 dBm
  • Phase Noise: -95 dBc/Hz @ 100 kHz Typ.
  • No External Resonator Needed
  • 24 Lead 4x4 mm QFN Package: 16 mm2

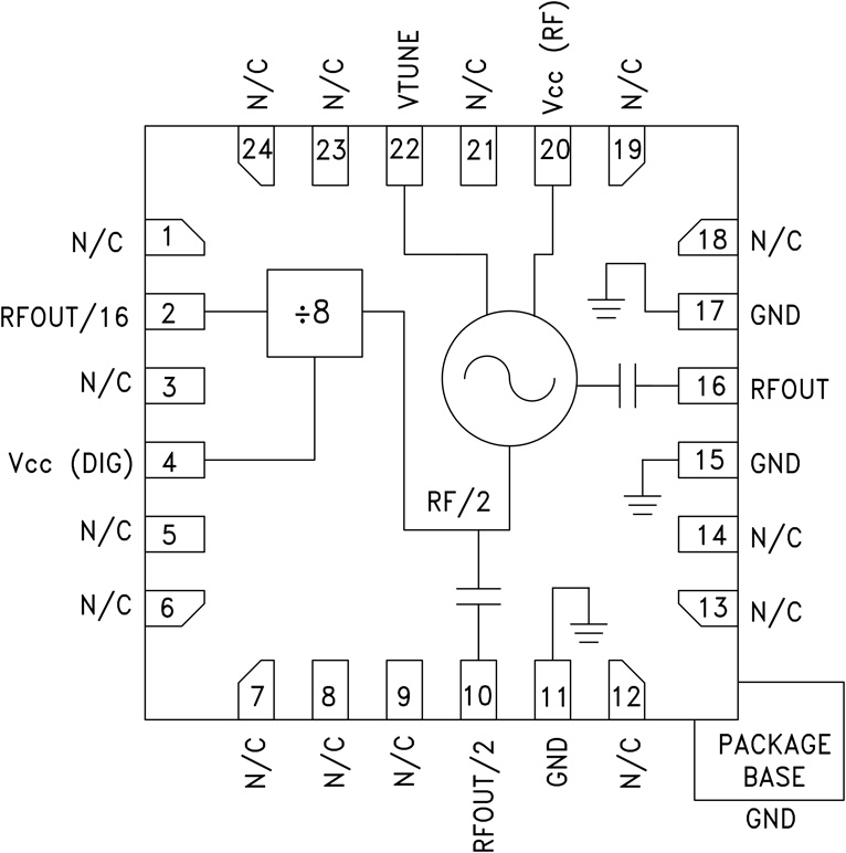
The HMC738 is a GaAs InGaP Heterojunction Bipolar Transistor (HBT) MMIC VCO. The HMC738 integrates a resonator, negative resistance device, varactor diode and divide-by-16 prescaler. The VCOs phase noise performance is excellent over temperature, shock, and process due to the oscillator's monolithic structure. Power output is +9 dBm typical from a 5V supply voltage. The voltage controlled oscillator is packaged in a low cost leadless QFN 4x4 mm surface mount package.

APPLICATIONS

  • Point-to-Point Radios
  • Point-to-Multi-Point Radios/LMDS
  • VSAT

HMC738
MMIC VCO with Half Frequency Output & Divide-by-16, 20.9 - 23.9 GHz
HMC738 Functional Block Diagram
Add to myAnalog

Add product to the Products section of myAnalog (to receive notifications), to an existing project or to a new project.

Create New Project
Ask a Question

Documentation

Data Sheet 1

Data Sheet

This is the most up-to-date revision of the Data Sheet.

Learn More
Add to myAnalog

Add media to the Resources section of myAnalog, to an existing project or to a new project.

Create New Project

Software Resources

Can't find the software or driver you need?

Request a Driver/Software

Tools & Simulations

ADIsimPLL™

ADIsimPLL enables the rapid and reliable evaluation of new high performance PLL products from ADI. It is the most comprehensive PLL Synthesizer design and simulation tool available today. Simulations performed include all key non-linear effects that are significant in affecting PLL performance. ADIsimPLL removes at least one iteration from the design process, thereby speeding the design- to-market.

Open Tool

Evaluation Kits

EVAL-HMC738LP4
HMC738LP4 Evaluation Board
HMC739 Evaluation Board HMC739 Evaluation Board - Top View HMC739 Evaluation Board - Bottom View

Latest Discussions

Recently Viewed