Quantic X-Microwave

Analog Devices RF and microwave components are available as drop-in X-MWblocks®
from Quantic X-Microwave.

Get the X-MWblock® drop-in module for this part.

HMC734

RECOMMENDED FOR NEW DESIGNS

VCO with Divide-by-4, 8.6 - 10.2 GHz

Viewing:

Overview

  • Dual Output: Fo = 8.6 - 10.2 GHz
    Fo/4 = 2.15 - 2.55 GHz
  • Pout: +18 dBm
  • Phase Noise: -100 dBc/Hz @ 100 kHz Typ.
  • No External Resonator Needed
  • 32 Lead 5×5 mm QFN Package: 25 mm2

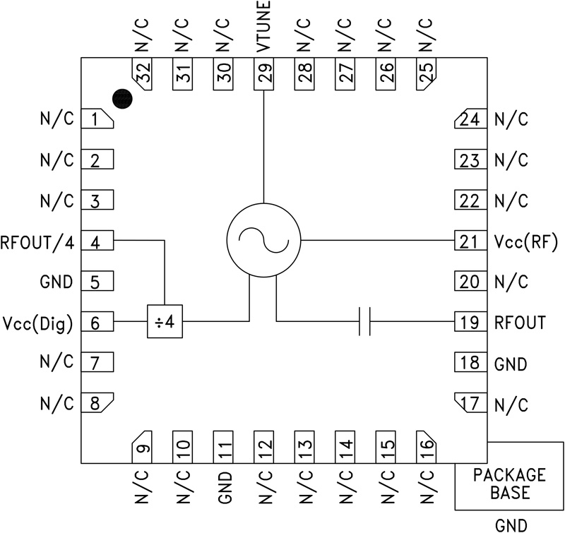
The HMC734 is a GaAs InGaP Heterojunction Bipolar Transistor (HBT) MMIC VCO. The HMC734 integrates a resonator, negative resistance device, varactor diode and features a divide-by-4 frequency output. The VCO's phase noise performance is excellent over temperature, shock, and process due to the oscillator's monolithic structure. Power output is +18 dBm typical from a +5V supply voltage. The prescaler function can be disabled to conserve current if not required. The voltage controlled oscillator is packaged in a leadless QFN 5×5 mm surface mount package, and requires no external matching components.

APPLICATIONS

  • Point-to-Multi-Point Radios
  • Test Equipment & Industrial Controls
  • SATCOM
  • Military End-Use

HMC734
VCO with Divide-by-4, 8.6 - 10.2 GHz
HMC734 Functional Block Diagram
Add to myAnalog

Add product to the Products section of myAnalog (to receive notifications), to an existing project or to a new project.

Create New Project
Ask a Question

Documentation

Data Sheet 1

Data Sheet

This is the most up-to-date revision of the Data Sheet.

Learn More
Add to myAnalog

Add media to the Resources section of myAnalog, to an existing project or to a new project.

Create New Project

Software Resources

Can't find the software or driver you need?

Request a Driver/Software

Tools & Simulations

ADIsimPLL™

ADIsimPLL enables the rapid and reliable evaluation of new high performance PLL products from ADI. It is the most comprehensive PLL Synthesizer design and simulation tool available today. Simulations performed include all key non-linear effects that are significant in affecting PLL performance. ADIsimPLL removes at least one iteration from the design process, thereby speeding the design- to-market.

Open Tool

Evaluation Kits

EVAL-HMC734LP5
HMC734LP5 Evaluation Board
HMC507 Evaluation Board HMC507 Evaluation Board - Top View HMC507 Evaluation Board - Bottom View

Latest Discussions

Recently Viewed