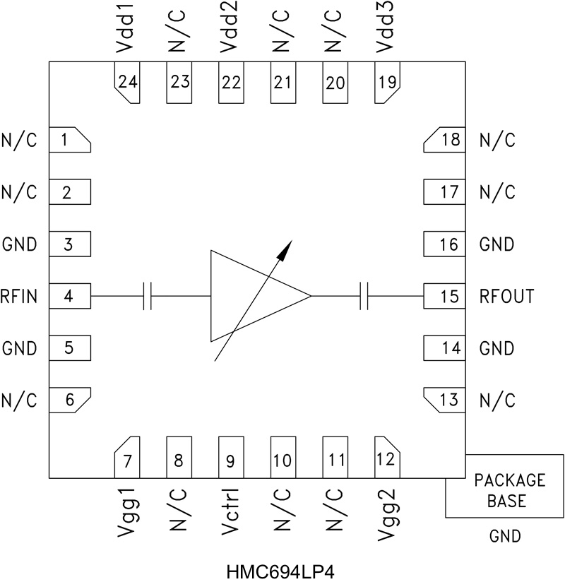
HMC694LP4

PRODUCTION

GaAs MMIC Analog Variable Gain Amplifier, 6 - 17 GHz

Viewing:

Overview

  • Wide Gain Control Range: 23 dB
  • Single Control Voltage
  • Output IP3 @ Max Gain: +30 dBm
  • Output P1dB: +22 dBm
  • No External Matching
  • 24 Lead 4x4 mm SMT Package: 16 mm²

The HMC694LP4(E) is a GaAs MMIC PHEMT analog variable gain amplifier which operates between 6 and 17 GHz. Ideal for microwave radio applications, the amplifier provides up to 22 dB of gain, output P1dB of up to +22 dBm, and up to +30 dBm of output IP3 at maximum gain, while requiring only 170 mA from a +5V supply. A gate bias pin (Vctrl) is provided to allow variable gain control up to 23 dB. Gain flatness is excellent making the HMC694LP4E ideal for EW, ECM and radar applications. The HMC694LP4E is housed in a RoHS compliant 4x4 mm QFN leadless package and is compatible with high volume surface mount manufacturing.

Applications

  • Point-to-Point Radio
  • Point-to-Multi-Point Radio
  • EW & ECM
  • X-Band Radar
  • Test Equipment

HMC694LP4
GaAs MMIC Analog Variable Gain Amplifier, 6 - 17 GHz
HMC694LP4_fbl
Add to myAnalog

Add product to the Products section of myAnalog (to receive notifications), to an existing project or to a new project.

Create New Project
Ask a Question

Documentation

Data Sheet

This is the most up-to-date revision of the Data Sheet.

Learn More
Add to myAnalog

Add media to the Resources section of myAnalog, to an existing project or to a new project.

Create New Project

Software Resources

Can't find the software or driver you need?

Request a Driver/Software

Tools & Simulations

ADIsimRF

ADIsimRF is an easy-to-use RF signal chain calculator. Cascaded gain, noise, distortion and power consumption can be calculated, plotted and exported for signal chains with up to 50 stages. ADIsimRF also includes an extensive data base of device models for ADI’s RF and mixed signal components.

Open Tool

S-Parameter 1


Evaluation Kits

EVAL-HMC694LP4
HMC694LP4 Evaluation Board

Latest Discussions

Recently Viewed