Quantic X-Microwave

Analog Devices RF and microwave components are available as drop-in X-MWblocks®
from Quantic X-Microwave.

Get the X-MWblock® drop-in module for this part.

HMC687

LAST TIME BUY

BiCMOS MMIC Mixer w/Integrated LO Amplifier, 1.7 - 2.2 GHz

Viewing:

Overview

  • High Input IP3: +35 dBm
  • 8 dB Conversion Loss @ 0 dBm LO
  • Optimized for High Side LO Input
  • Upconversion & Downconversion Applications
  • Adjustable Supply Current
  • 24 Lead 4x4mm SMT Package: 16mm2

The HMC687LP4(E) is a high dynamic range passive MMIC mixer with integrated LO amplifier in a 4x4 SMT QFN package covering 1.7 to 2.2 GHz. Excellent input IP3 performance of +35 dBm for down conversion is provided for 3G & 4G GSM/CDMA applications at an LO drive of 0 dBm. With an input 1 dB compression of +23 dBm, the RF port will accept a wide range of input signal levels. Conversion loss is 8 dB typical.

The DC to 500 MHz IF frequency response will satisfy GSM/CDMA transmit or receive frequency plans. The HMC687LP4(E) is optimized for high side LO frequency plans and is pin for pin compatible with the HMC685LP4(E) which is a 1.7 - 2.2 GHz converter optimized for low side LO.

APPLICATIONS

  • Cellular/3G & LTE/WiMAX/4G
  • Basestations & Repeaters
  • GSM, CDMA & OFDM
  • Transmitters and Receivers

HMC687
BiCMOS MMIC Mixer w/Integrated LO Amplifier, 1.7 - 2.2 GHz
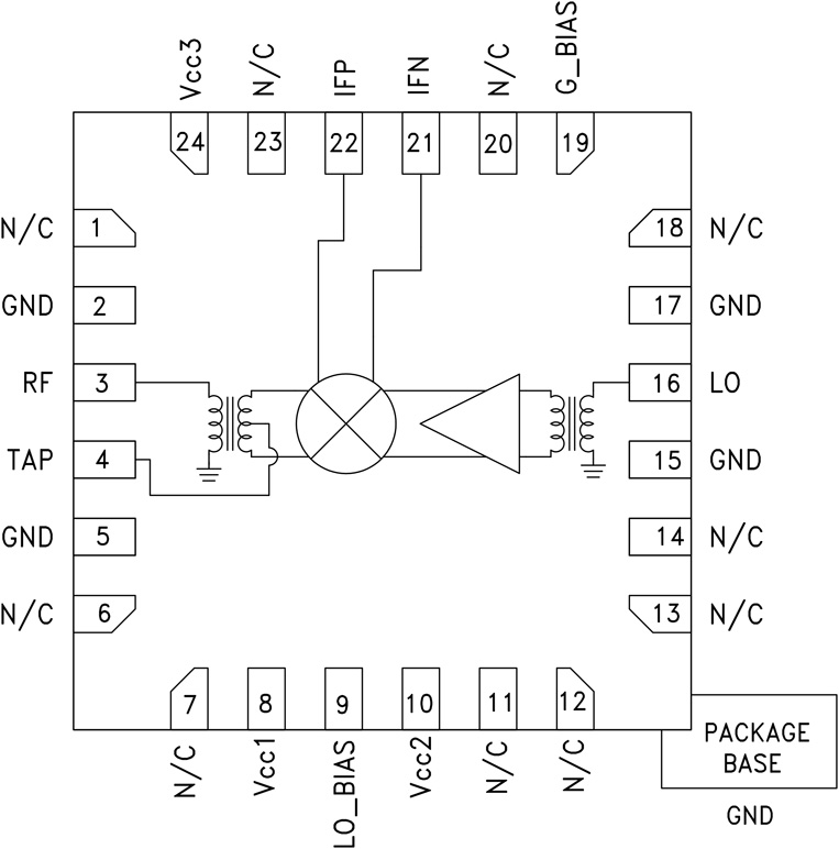
HMC687 Functional Block Diagram
Add to myAnalog

Add product to the Products section of myAnalog (to receive notifications), to an existing project or to a new project.

Create New Project
Ask a Question

Documentation

Data Sheet 1

Data Sheet

This is the most up-to-date revision of the Data Sheet.

Learn More
Add to myAnalog

Add media to the Resources section of myAnalog, to an existing project or to a new project.

Create New Project

Software Resources

Can't find the software or driver you need?

Request a Driver/Software

Tools & Simulations

ADIsimRF

ADIsimRF is an easy-to-use RF signal chain calculator. Cascaded gain, noise, distortion and power consumption can be calculated, plotted and exported for signal chains with up to 50 stages. ADIsimRF also includes an extensive data base of device models for ADI’s RF and mixed signal components.

Open Tool

S-Parameter 1


Evaluation Kits

EVAL-HMC687LP4
HMC687LP4 Evaluation Board

Latest Discussions

Recently Viewed