Quantic X-Microwave

Analog Devices RF and microwave components are available as drop-in X-MWblocks®
from Quantic X-Microwave.

Get the X-MWblock® drop-in module for this part.

HMC582

RECOMMENDED FOR NEW DESIGNS

VCO with Fo/2 & Divide-by-4 SMT, 11.1-12.4 GHz

Viewing:

Overview

  • Triple Output:
        Fo= 11.1 - 12.4 GHz
        Fo/2= 5.55 - 6.2 GHz
        Fo/4= 2.78 - 3.1 GHz
  • Pout: +9 dBm
  • Phase Noise:
        -110 dBc/Hz @ 100 kHz Typical
  • No External Resonator Needed
  • QFN Leadless SMT Package, 25 mm2

The HMC582LP5(E) is a GaAs InGaP Herterojunction Bipolar Transistor (HBT) MMIC VCOs. The HMC582LP5(E) integrates resonators, negative resistance devices, varactor diodes and feature half frequency and divide-by-4 outputs. The VCO's phase noise performance is excellent over temperature, shock and process due to the oscillator's monolithic structure.

Power output is +9 dBm typical from a +5V supply voltage. The prescaler and RF/2 functions can be disabled to conserve current if not required. The voltage controlled oscillator is packaged in a leadless QFN 5×5 mm surface mount package, and requires no external matching components.


APPLICATIONS

  • Point-to-Point Radios
  • Point-to-Multi-Point Radios
  • Test Equipment & Industrial Controls
  • SATCOM
  • Military End-Use

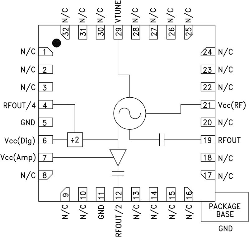
HMC582
VCO with Fo/2 & Divide-by-4 SMT, 11.1-12.4 GHz
HMC582 Functional Block Diagram
Add to myAnalog

Add product to the Products section of myAnalog (to receive notifications), to an existing project or to a new project.

Create New Project
Ask a Question

Documentation

Data Sheet 1

Data Sheet

This is the most up-to-date revision of the Data Sheet.

Learn More
Add to myAnalog

Add media to the Resources section of myAnalog, to an existing project or to a new project.

Create New Project

Software Resources

Can't find the software or driver you need?

Request a Driver/Software

Tools & Simulations

ADIsimPLL™

ADIsimPLL enables the rapid and reliable evaluation of new high performance PLL products from ADI. It is the most comprehensive PLL Synthesizer design and simulation tool available today. Simulations performed include all key non-linear effects that are significant in affecting PLL performance. ADIsimPLL removes at least one iteration from the design process, thereby speeding the design- to-market.

Open Tool

Evaluation Kits

EVAL-HMC582LP5
HMC582LP5 Evaluation Board
HMC507 Evaluation Board HMC507 Evaluation Board - Top View HMC507 Evaluation Board - Bottom View

Latest Discussions

Recently Viewed